指南生活
首页
美食营养
手工爱好
生活家居
返回
指南生活
首页
美食营养
游戏数码
手工爱好
生活家居
健康养生
运动户外
职场理财
情感交际
母婴教育
时尚美容
知识问答
生活知识
生活百科
搜索
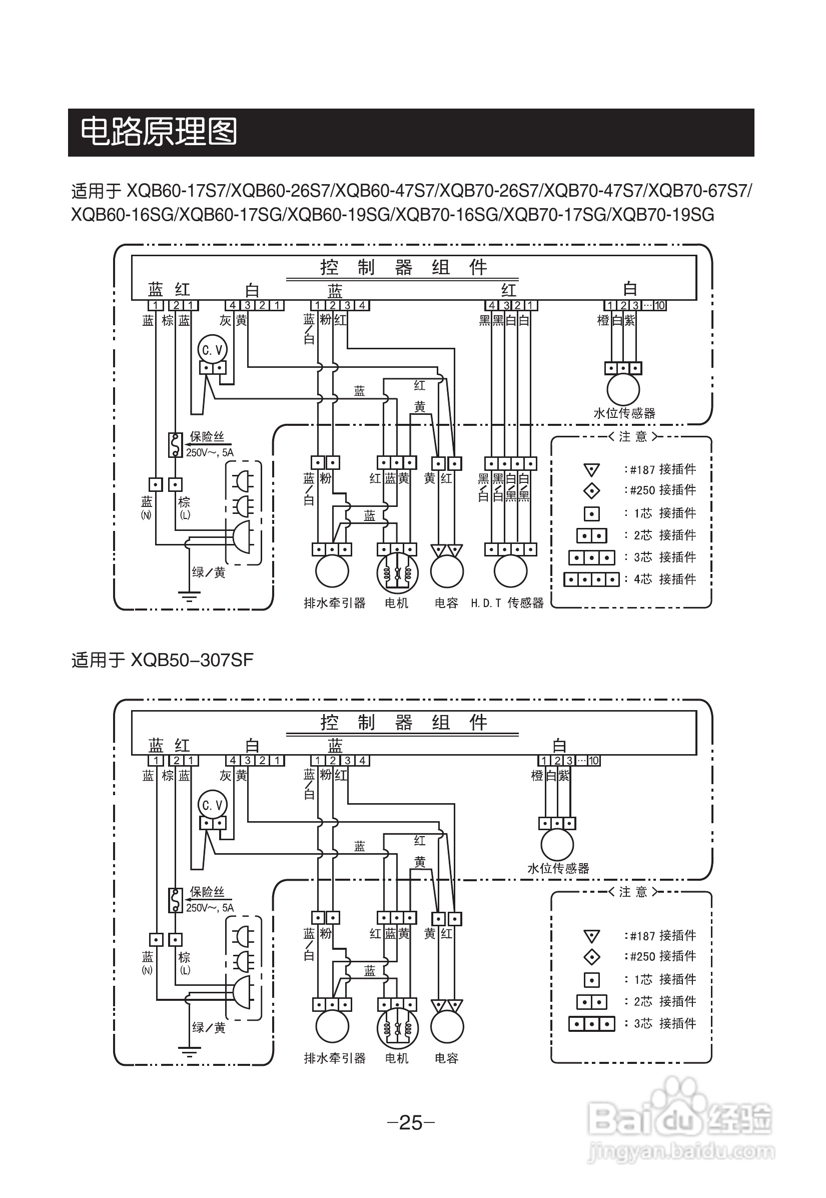
LG XQB60-17SG洗衣机使用说明书:[3]
2026-04-26 19:20:04
(共篇)
上一篇:
声明:
本网站引用、摘录或转载内容仅供网站访问者交流或参考,不代表本站立场,如存在版权或非法内容,请联系站长删除,联系邮箱:site.kefu@qq.com。
相关推荐
LG XQB60-17SG洗衣机使用说明书:[2]
阅读量:153
LG XQB70-17SG洗衣机使用说明书:[2]
阅读量:46
洗衣机如何安装进水管
阅读量:113
LG XQB60-17SG洗衣机使用说明书:[1]
阅读量:86
LG XQB70-17SG洗衣机使用说明书:[3]
阅读量:66
猜你喜欢
蚍蜉撼树是什么意思
什么是理想
什么的说
什么的雨
茱萸是什么
毒龙是什么意思
下面腥臭味是什么回事
2月15日是什么星座
编导是做什么的
世界第八大奇迹是什么
猜你喜欢
比肩是什么意思
10月12日是什么星座
尿频是什么原因导致的
栖息的近义词是什么
光伏是什么
tmp文件用什么打开
转移支付是什么意思
snake是什么意思
会计学什么
1982年属什么生肖