指南生活
首页
美食营养
手工爱好
生活家居
返回
指南生活
首页
美食营养
游戏数码
手工爱好
生活家居
健康养生
运动户外
职场理财
情感交际
母婴教育
时尚美容
知识问答
生活知识
生活百科
搜索
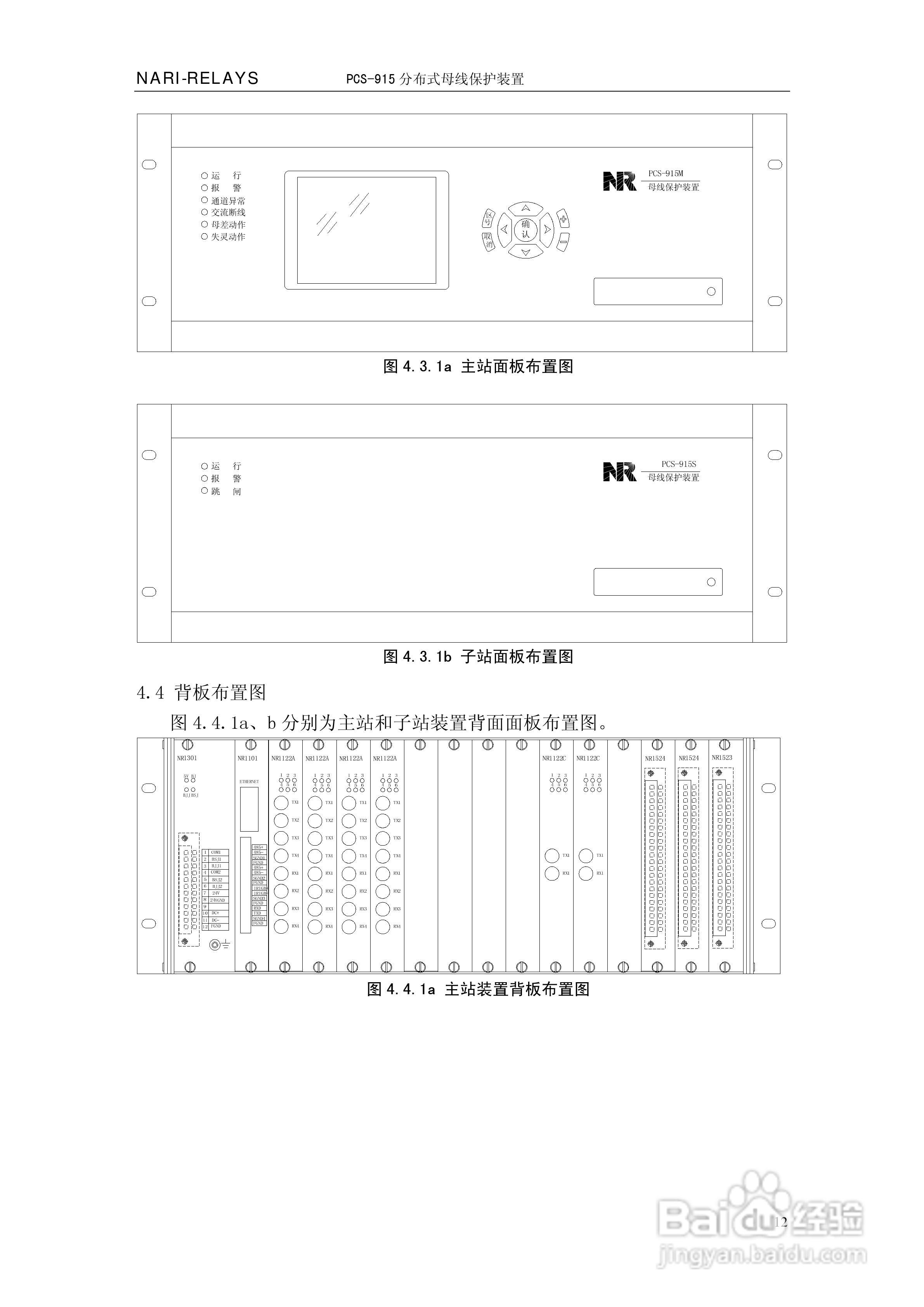
PCS-915分布式母线保护装置说明书:[2]
2026-03-24 21:28:53
本篇为《PCS-915分布式母线保护装置说明书》,主要介绍该产品的使用方法以及常见故障解决方案。
(共篇)
下一篇:
声明:
本网站引用、摘录或转载内容仅供网站访问者交流或参考,不代表本站立场,如存在版权或非法内容,请联系站长删除,联系邮箱:site.kefu@qq.com。
相关推荐
PCS-915分布式母线保护装置说明书:[3]
阅读量:51
PCS-9690系列低压综合保护测控装置技术和使用说明书:[2]
阅读量:77
PCS-221N常规母线电压合并单元技术和使用说明书:[5]
阅读量:23
PCS-221N常规母线电压合并单元技术和使用说明书:[4]
阅读量:25
PCS-221N常规母线电压合并单元技术和使用说明书:[3]
阅读量:193
猜你喜欢
明艳的意思
什么是噱头
破折号的意思
悬赏的意思
预备党员谈话会问什么
tourist是什么意思
待产妈妈需要准备什么
理智的意思
大跌眼镜是什么意思
胜利的证明有什么用
猜你喜欢
温水煮青蛙是什么意思
daddy是什么意思
电影彩蛋是什么意思
博学多识的意思
香港有什么值得买的
永无止境的意思
spoon是什么意思
什么钙片适合中老年人
法西斯的意思
什么星座的男人最好