指南生活
首页
美食营养
手工爱好
生活家居
返回
指南生活
首页
美食营养
游戏数码
手工爱好
生活家居
健康养生
运动户外
职场理财
情感交际
母婴教育
时尚美容
知识问答
生活知识
搜索
数字AC 伺服电机及驱动器MINAS A5说明书:[2]
2025-12-08 18:51:10
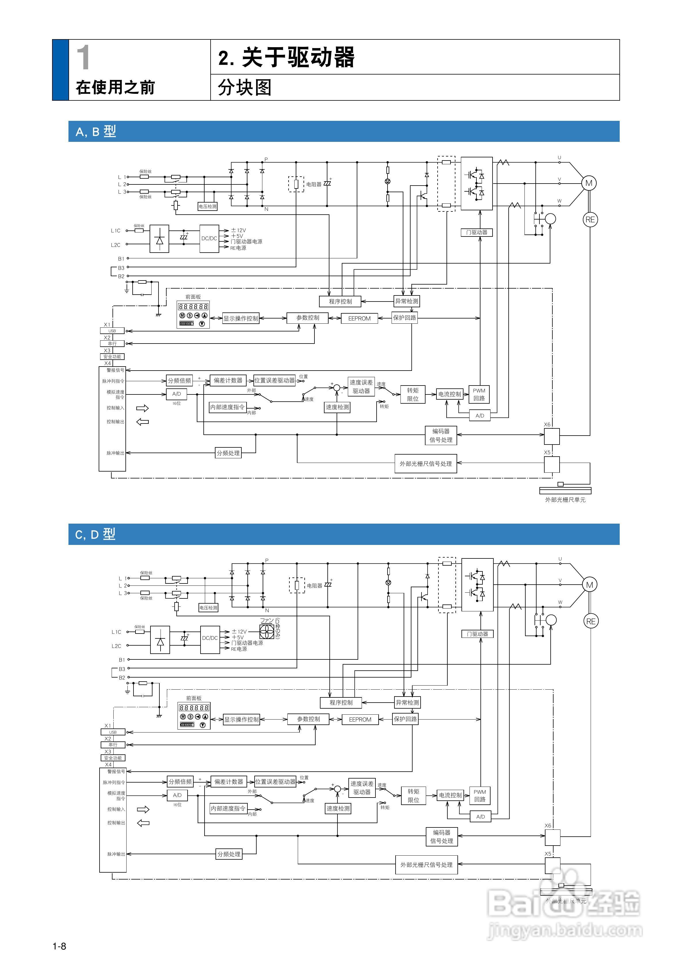
本篇为《数字AC 伺服电机及驱动器MINAS A5说明书》,主要介绍该产品的使用方法以及常见故障解决方案。
(共篇)
上一篇:
|
下一篇:
声明:
本网站引用、摘录或转载内容仅供网站访问者交流或参考,不代表本站立场,如存在版权或非法内容,请联系站长删除,联系邮箱:site.kefu@qq.com。
相关推荐
松下Mknas系列AC伺服驱动器说明书:[5]
阅读量:88
松下Mknas系列AC伺服驱动器说明书:[9]
阅读量:140
松下Mknas系列AC伺服驱动器说明书:[8]
阅读量:188
松下Mknas系列AC伺服驱动器说明书:[7]
阅读量:28
松下Mknas系列AC伺服驱动器说明书:[10]
阅读量:36
猜你喜欢
雷是什么意思
己所不欲 勿施于人的意思
一期一会是什么意思
米娜桑什么意思
怔住的意思
20岁用什么护肤品好
中元节什么时候烧纸好
待产包里都有什么
upon是什么意思
中秋节祝福
猜你喜欢
掉期是什么意思
timer是什么意思
冬季喝什么茶最好
upon是什么意思
定律的意思
银行过年什么时候上班
父母给孩子的祝福语
心甘情愿的意思
史无前例的意思
revpar是什么意思