指南生活
首页
美食营养
手工爱好
生活家居
返回
指南生活
首页
美食营养
游戏数码
手工爱好
生活家居
健康养生
运动户外
职场理财
情感交际
母婴教育
时尚美容
知识问答
生活知识
搜索
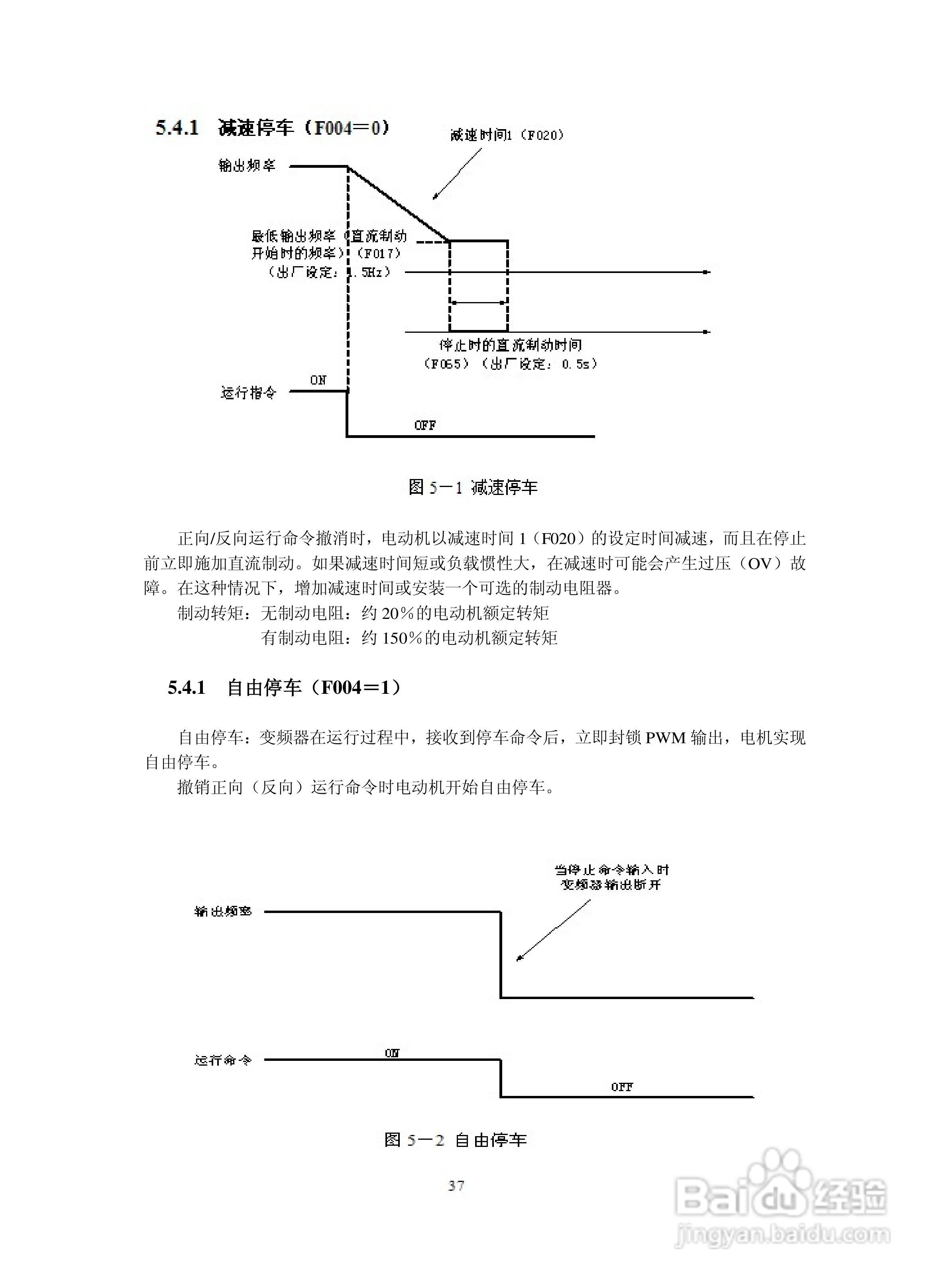
深川SVF2000-560T4变频器说明书:[4]
2025-12-16 23:46:05
本篇为《深川SVF2000-560T4变频器说明书》,主要介绍该产品的使用方法以及常见故障解决方案。
(共篇)
上一篇:
|
下一篇:
声明:
本网站引用、摘录或转载内容仅供网站访问者交流或参考,不代表本站立场,如存在版权或非法内容,请联系站长删除,联系邮箱:site.kefu@qq.com。
相关推荐
深川SVF2000-560T4变频器说明书:[5]
阅读量:194
深川SVF-QM350T4G/F-ET变频器使用说明书:[14]
阅读量:85
深川SVF-QM350T4G/F-ET变频器使用说明书:[12]
阅读量:124
深川SVF-QM350T4G/F-ET变频器使用说明书:[11]
阅读量:92
深川SVF-QM350T4G/F-ET变频器使用说明书:[13]
阅读量:100
猜你喜欢
什么是实数
ctp是什么意思
清水房是什么意思
had是什么意思
tmp是什么文件
佛跳墙是什么菜
防空警报响了什么意思
鸡肉不能和什么一起吃
see是什么意思
白带多是什么原因
猜你喜欢
only是什么意思
什么食物补钙
不食人间烟火是什么意思
打酱油是什么意思
memo是什么意思
mc是什么游戏
考教师资格证需要什么条件
城府是什么意思
制作ppt用什么软件
festival是什么意思