指南生活
首页
美食营养
手工爱好
生活家居
返回
指南生活
首页
美食营养
游戏数码
手工爱好
生活家居
健康养生
运动户外
职场理财
情感交际
母婴教育
时尚美容
知识问答
生活知识
生活百科
搜索
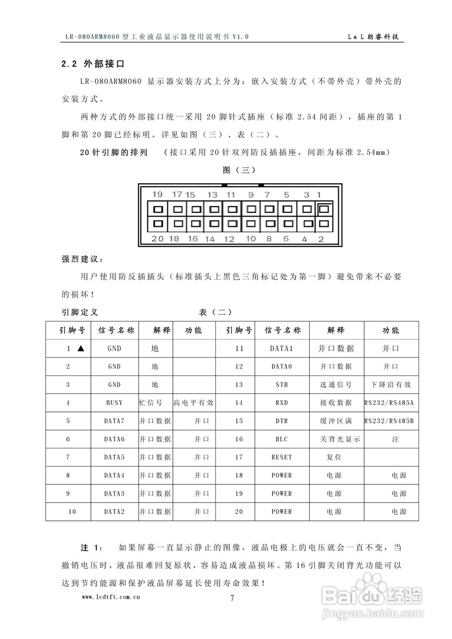
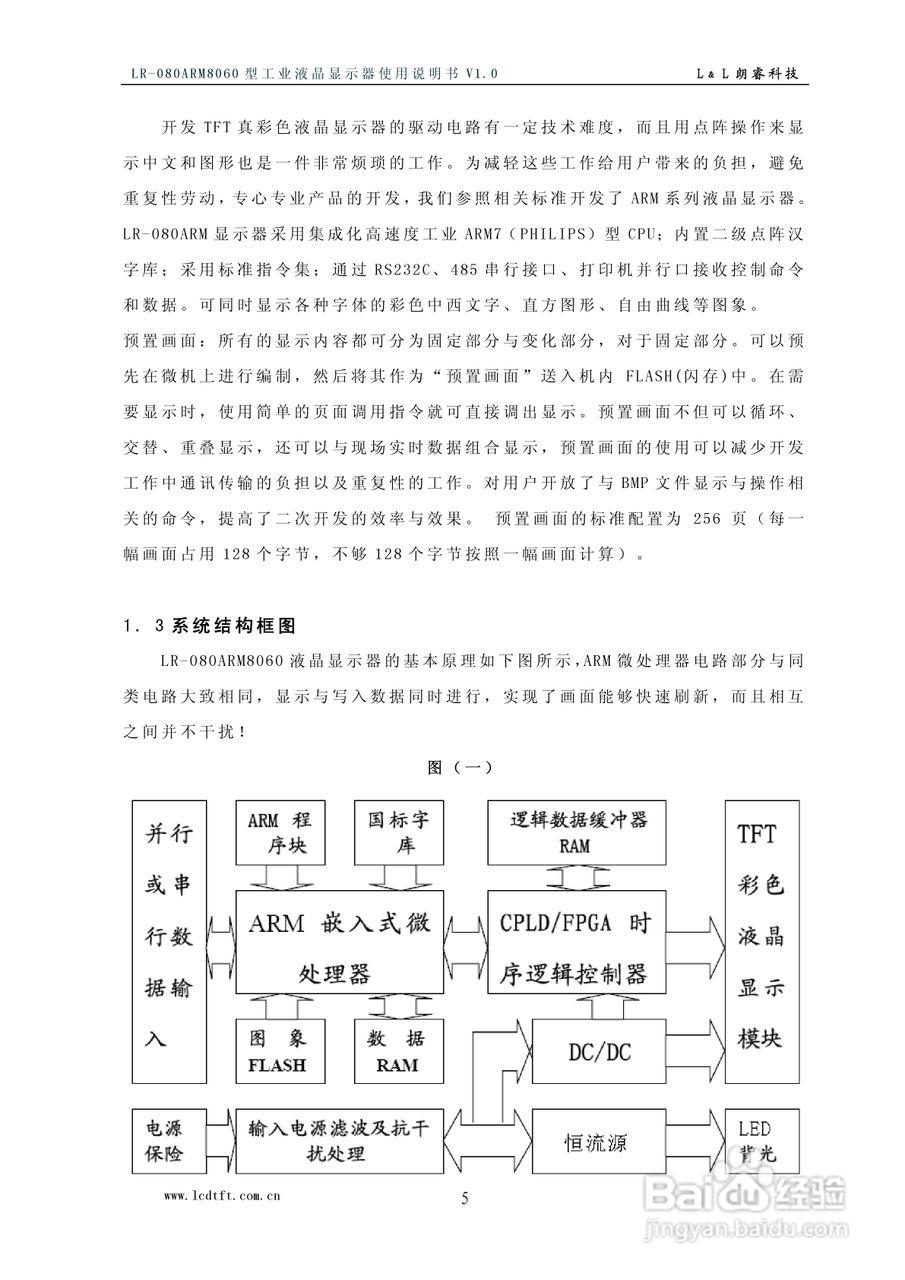
朗睿电子LR-080ARM8060型彩色工业液晶显示器使用说明:[1]
2026-05-10 03:38:04
/>
(共篇)
下一篇:
声明:
本网站引用、摘录或转载内容仅供网站访问者交流或参考,不代表本站立场,如存在版权或非法内容,请联系站长删除,联系邮箱:site.kefu@qq.com。
相关推荐
朗睿电子LR-080ARM8060型彩色工业液晶显示器使用说明:[3]
阅读量:196
朗睿 LR-064ARM型彩色工业液晶显示器使用说明书:[1]
阅读量:101
朗睿 LR-056ARM型彩色工业液晶显示器使用说明书:[5]
阅读量:32
朗睿 LR-064ARM型彩色工业液晶显示器使用说明书:[3]
阅读量:108
朗睿 LR-064ARM型彩色工业液晶显示器使用说明书:[5]
阅读量:118
猜你喜欢
打量的意思
焦距是什么意思
谷维素片的作用
木棉花的作用
童心未泯是什么意思
ball是什么意思
愿景是什么意思
国泰民安的意思
大修基金什么时候交
过眼云烟什么意思
猜你喜欢
书籍好比什么它能什么
公积金是什么意思
防毒面具是根据什么动物发明的
波澜壮阔的意思
天王盖地虎什么意思
水落石出的意思
v是什么意思
criminal什么意思
烘托的意思
1937年什么事变