指南生活
首页
美食营养
手工爱好
生活家居
返回
指南生活
首页
美食营养
游戏数码
手工爱好
生活家居
健康养生
运动户外
职场理财
情感交际
母婴教育
时尚美容
知识问答
生活知识
生活百科
搜索
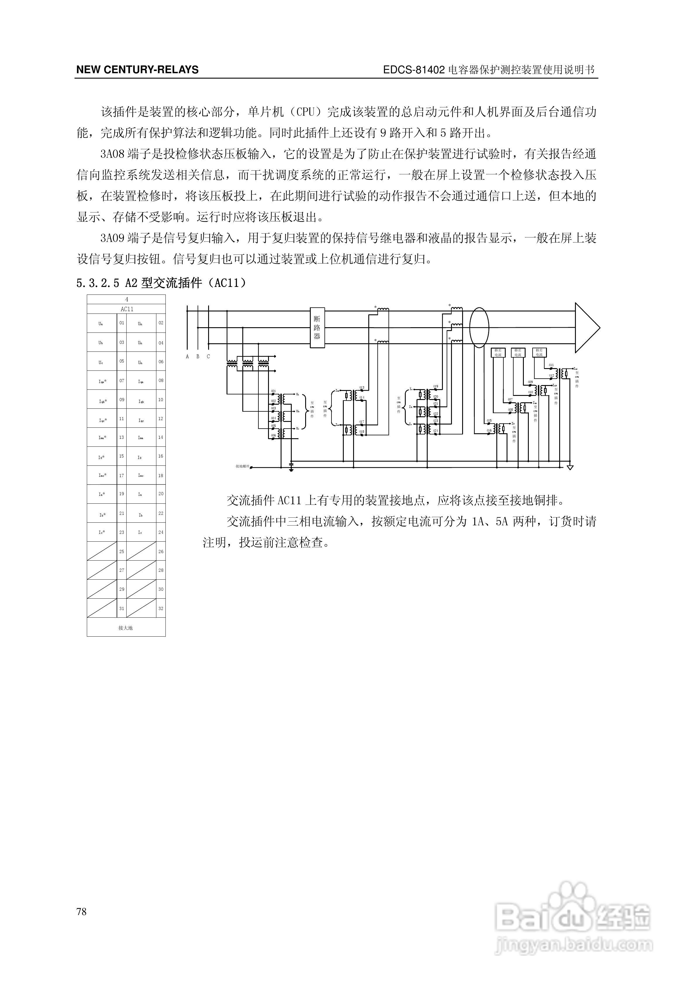
新世纪EDCS-81403电容器保护测控装置说明书:[9]
2026-05-07 02:42:39
本篇为《新世纪EDCS-81403电容器保护测控装置说明书》,主要介绍该产品的使用方法以及常见故障解决方案。
(共篇)
上一篇:
|
下一篇:
声明:
本网站引用、摘录或转载内容仅供网站访问者交流或参考,不代表本站立场,如存在版权或非法内容,请联系站长删除,联系邮箱:site.kefu@qq.com。
相关推荐
新世纪EDCS-81403电容器保护测控装置说明书:[8]
阅读量:65
平板电容器电容计算仿真
阅读量:34
新世纪EDCS-81403电容器保护测控装置说明书:[12]
阅读量:160
新世纪EDCS-81403电容器保护测控装置说明书:[10]
阅读量:77
新世纪EDCS-81403电容器保护测控装置说明书:[13]
阅读量:99
猜你喜欢
灵芝孢子粉的功效作用及禁忌
前功尽弃的意思
随便果作用
什么是绥靖政策
哀莫大于心死是什么意思
奢侈的意思
什么叫教育
精兵简政的意思
上市是什么意思
不屑一顾的意思
猜你喜欢
醋泡黑豆的功效与作用
档案的作用
腹黑是什么意思
老人过生日送什么好
520送什么礼物好
criminal什么意思
1942年发生了什么
喧闹的意思
梦见大鱼是什么意思
chapter什么意思