指南生活
首页
美食营养
手工爱好
生活家居
返回
指南生活
首页
美食营养
游戏数码
手工爱好
生活家居
健康养生
运动户外
职场理财
情感交际
母婴教育
时尚美容
知识问答
生活知识
搜索
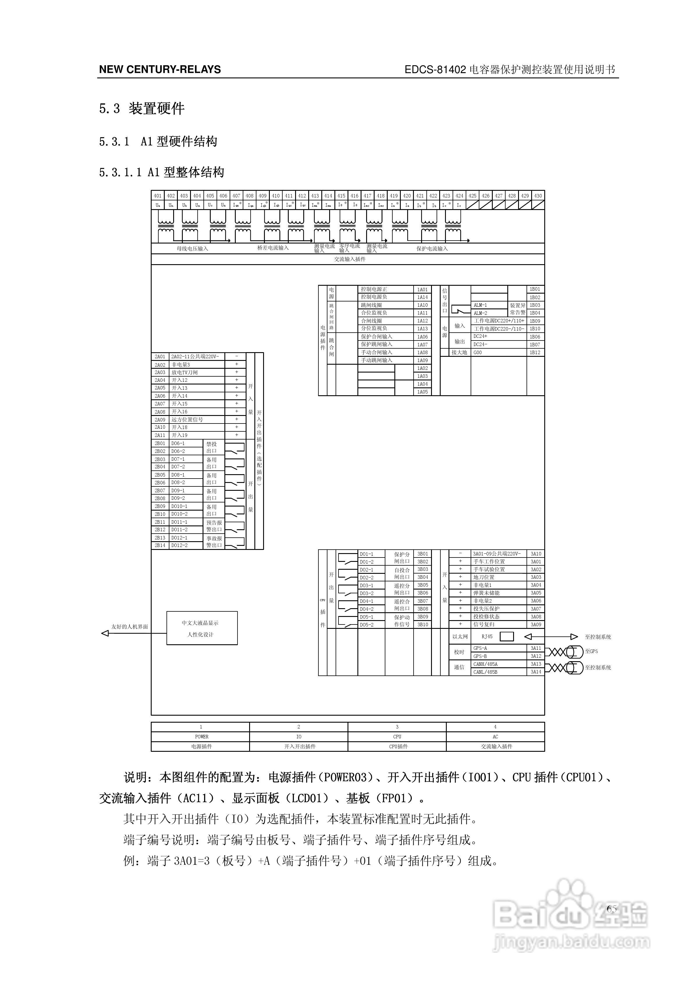
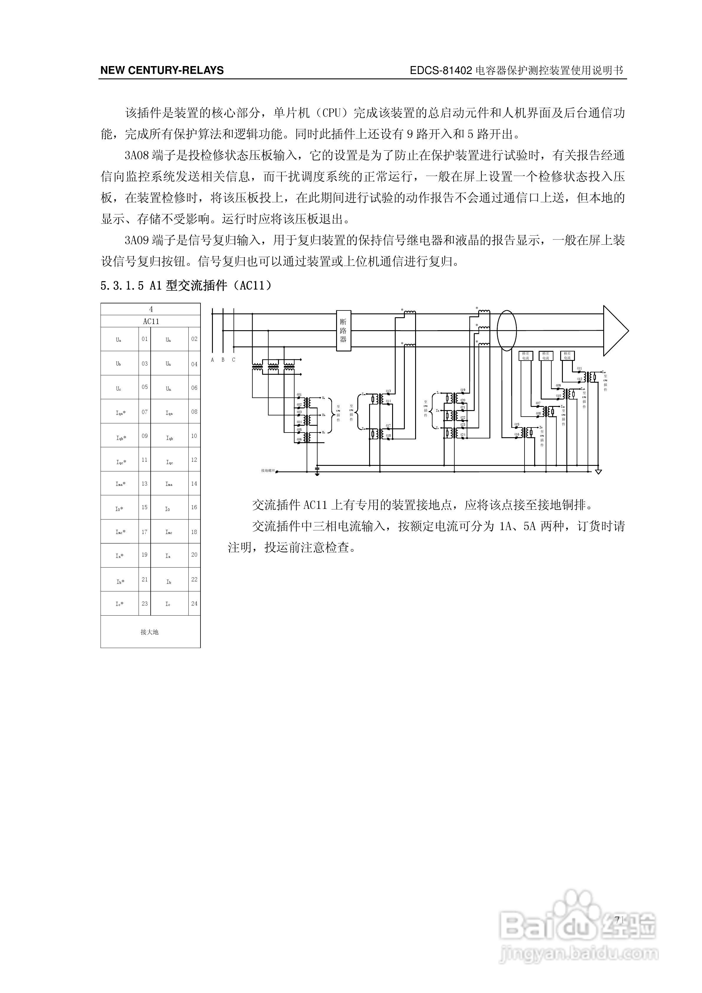
新世纪EDCS-81403电容器保护测控装置说明书:[8]
2025-12-28 22:56:31
本篇为《新世纪EDCS-81403电容器保护测控装置说明书》,主要介绍该产品的使用方法以及常见故障解决方案。
(共篇)
上一篇:
|
下一篇:
声明:
本网站引用、摘录或转载内容仅供网站访问者交流或参考,不代表本站立场,如存在版权或非法内容,请联系站长删除,联系邮箱:site.kefu@qq.com。
相关推荐
新世纪EDCS-81403电容器保护测控装置说明书:[11]
阅读量:132
平板电容器电容计算仿真
阅读量:30
新世纪EDCS-81403电容器保护测控装置说明书:[10]
阅读量:70
新世纪EDCS-81403电容器保护测控装置说明书:[13]
阅读量:196
新世纪EDCS-81403电容器保护测控装置说明书:[12]
阅读量:141
猜你喜欢
祝福信息
pork是什么意思
因材施教是什么意思
氧化钙是什么意思
什么电影最搞笑
茹的意思
九月九日忆山东兄弟的意思
誉满天下的意思
煮苹果吃有什么功效
spv是什么意思
猜你喜欢
妯娌是什么意思
duty是什么意思
whole是什么意思
首付2万能买什么车
微博会员有什么特权
群p是什么意思
知行合一的意思
生孩子祝福语
chest是什么意思
矜持不苟的意思是什么