指南生活
首页
美食营养
手工爱好
生活家居
返回
指南生活
首页
美食营养
游戏数码
手工爱好
生活家居
健康养生
运动户外
职场理财
情感交际
母婴教育
时尚美容
知识问答
生活知识
搜索
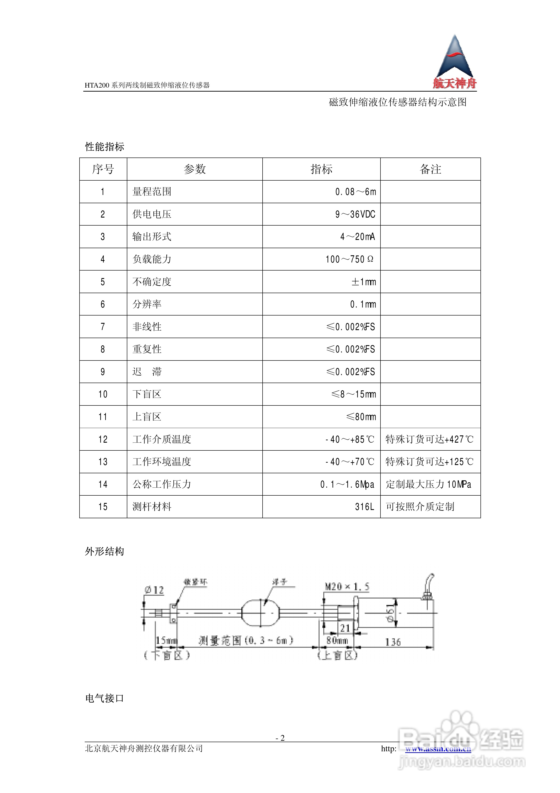
神舟HTA200系列两线制磁致伸缩液位传感器说明书
2026-01-01 19:07:14
声明:
本网站引用、摘录或转载内容仅供网站访问者交流或参考,不代表本站立场,如存在版权或非法内容,请联系站长删除,联系邮箱:site.kefu@qq.com。
相关推荐
神舟HTA200A系列两线制磁致伸缩液位变送器说明书
阅读量:82
神舟HTA220系列双模拟输出磁致伸缩液位传感器说明书
阅读量:175
FT8511磁致伸缩液位计安装调试使用说明书:[2]
阅读量:184
TC41C无线磁致伸缩水位流量计用户手册:[2]
阅读量:124
FT8511磁致伸缩液位计安装调试使用说明书:[3]
阅读量:78
猜你喜欢
茄子怎么做好吃
所得税费用怎么算
我的世界怎么联机
花生粘的做法视频
苹果手机id怎么注册
空气炸锅怎么用
怎么办理信用卡
为什么叫大姨妈
顾里为什么和席城睡
balloon怎么读
猜你喜欢
狗鱼的做法
风的笔顺怎么写
胃胀痛是怎么回事
root权限怎么开启
菱角怎么吃
为什么手机连上wifi却上不了网
芒果怎么切
女人为什么会出水
眼角疼是怎么回事
掣怎么读