指南生活
首页
美食营养
手工爱好
生活家居
返回
指南生活
首页
美食营养
游戏数码
手工爱好
生活家居
健康养生
运动户外
职场理财
情感交际
母婴教育
时尚美容
知识问答
生活知识
搜索
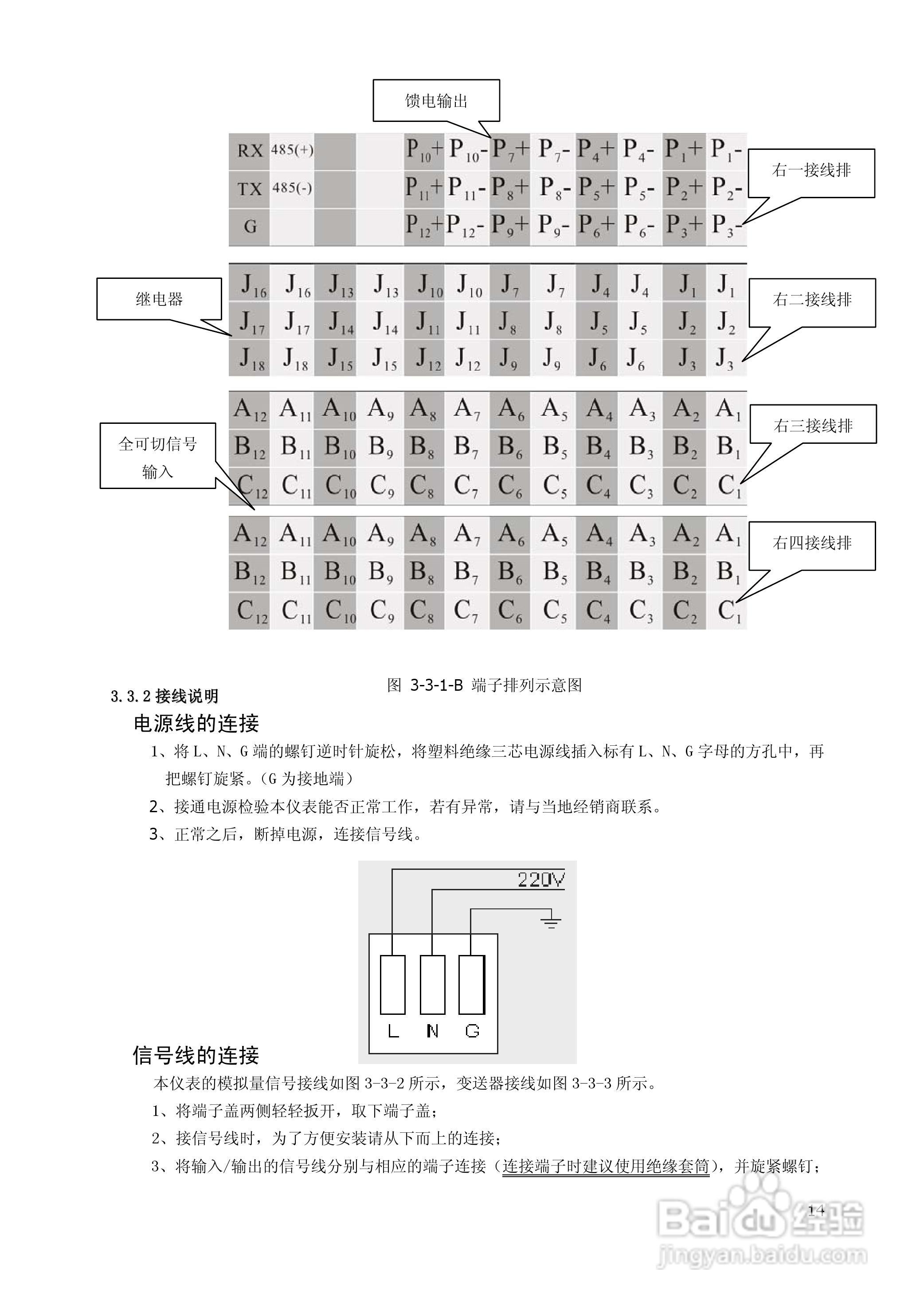
昌晖SWP-TSR200真彩无纸记录仪说明书:[2]
2025-12-20 14:48:27
本篇为《昌晖SWP-TSR200真彩无纸记录仪说明书》,主要介绍该产品的使用方法以及常见故障解决方案。
(共篇)
上一篇:
|
下一篇:
声明:
本网站引用、摘录或转载内容仅供网站访问者交流或参考,不代表本站立场,如存在版权或非法内容,请联系站长删除,联系邮箱:site.kefu@qq.com。
相关推荐
昌晖SWP-TSR200真彩无纸记录仪说明书:[1]
阅读量:98
昌晖SWP-TSR200真彩无纸记录仪说明书:[6]
阅读量:138
昌晖SWP-TSR200A增强型无纸记录仪说明书:[5]
阅读量:153
昌晖SWP-TSR200A增强型无纸记录仪说明书:[3]
阅读量:20
昌晖SWP-TSR200A增强型无纸记录仪说明书:[2]
阅读量:32
猜你喜欢
全新胜达车怎么样
win7怎么激活
家常豆腐的简单做法
家常豆腐的做法视频
烧心怎么回事
韭菜饺子馅怎么做好吃
容易脸红怎么办
微信头像大全
简单又好吃的家常菜
红烧豆腐的家常做法
猜你喜欢
怎样炒年糕好吃
脚痛风的治疗方法
专业用英语怎么说
扣肉的家常做法
读书笔记大全三十篇
踩离合器的正确方法图
检查装置气密性的方法
jlzz大全奶水太多
面瘫治疗方法
张家港旅游景点大全