指南生活
首页
美食营养
手工爱好
生活家居
返回
指南生活
首页
美食营养
游戏数码
手工爱好
生活家居
健康养生
运动户外
职场理财
情感交际
母婴教育
时尚美容
知识问答
生活知识
生活百科
搜索
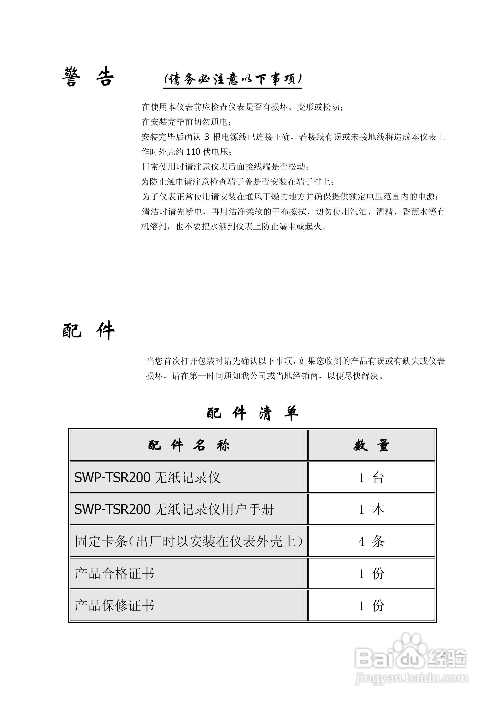
昌晖SWP-TSR200真彩无纸记录仪说明书:[1]
2026-03-30 03:50:15
本篇为《昌晖SWP-TSR200真彩无纸记录仪说明书》,主要介绍该产品的使用方法以及常见故障解决方案。
(共篇)
下一篇:
声明:
本网站引用、摘录或转载内容仅供网站访问者交流或参考,不代表本站立场,如存在版权或非法内容,请联系站长删除,联系邮箱:site.kefu@qq.com。
相关推荐
昌晖SWP-TSR200真彩无纸记录仪说明书:[2]
阅读量:171
昌晖SWP-TSR200A增强型无纸记录仪说明书:[2]
阅读量:125
昌晖SWP-TSR200A增强型无纸记录仪说明书:[3]
阅读量:157
昌晖SWP-TSR200A增强型无纸记录仪说明书:[5]
阅读量:59
昌晖SWP-TSR200真彩无纸记录仪说明书:[7]
阅读量:137
猜你喜欢
眼袋怎么恢复
阿胶糕怎么做
宝宝喝奶粉上火怎么办
手腕扭伤怎么办
怎么延长性生活时间
眼睛跳是怎么回事
男人怎么减肥
音乐符号怎么打出来
怎么更新显卡
我的世界怎么做房子
猜你喜欢
老打饱嗝是怎么回事
广汽传祺gs8怎么样
炒外汇怎么开户
脂肪怎么减
怎么推广
脸上长癣怎么办
企业微信怎么申请
精子发黄是怎么回事
牛仔衣怎么搭配
头发很油怎么办