Panasonic松下交流伺服驱动器Minas A4 Manual使用说明:[2]

2025-10-27 06:41:37

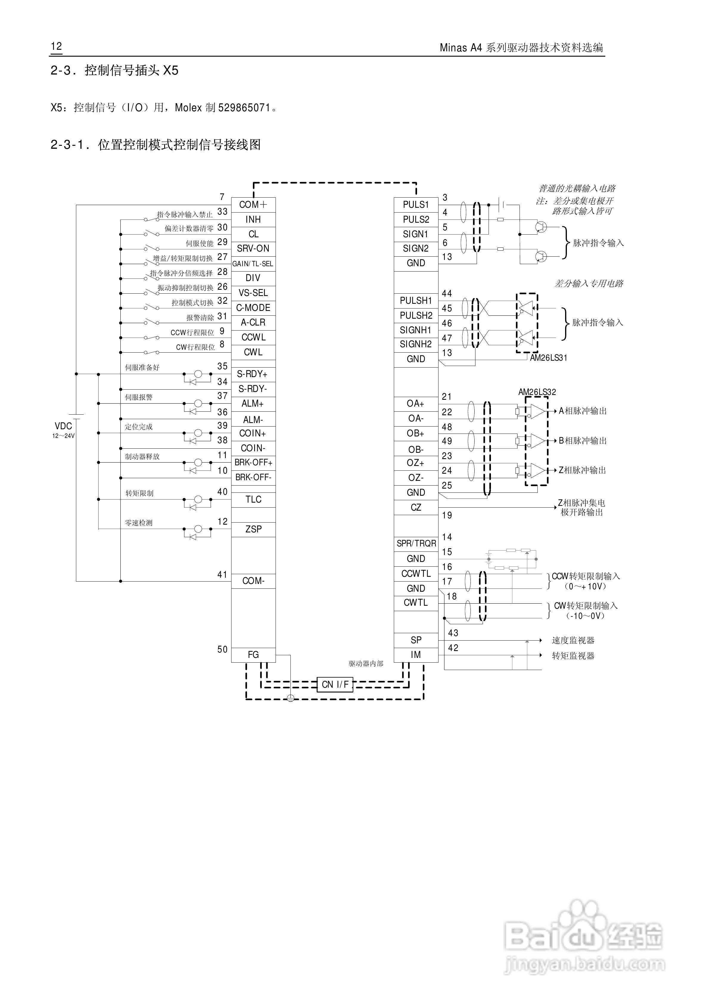
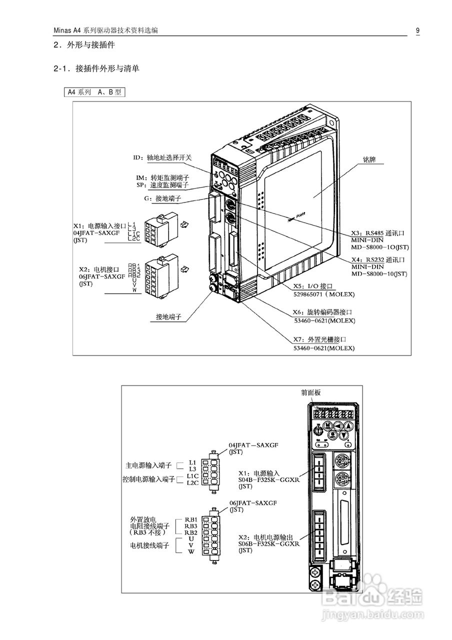
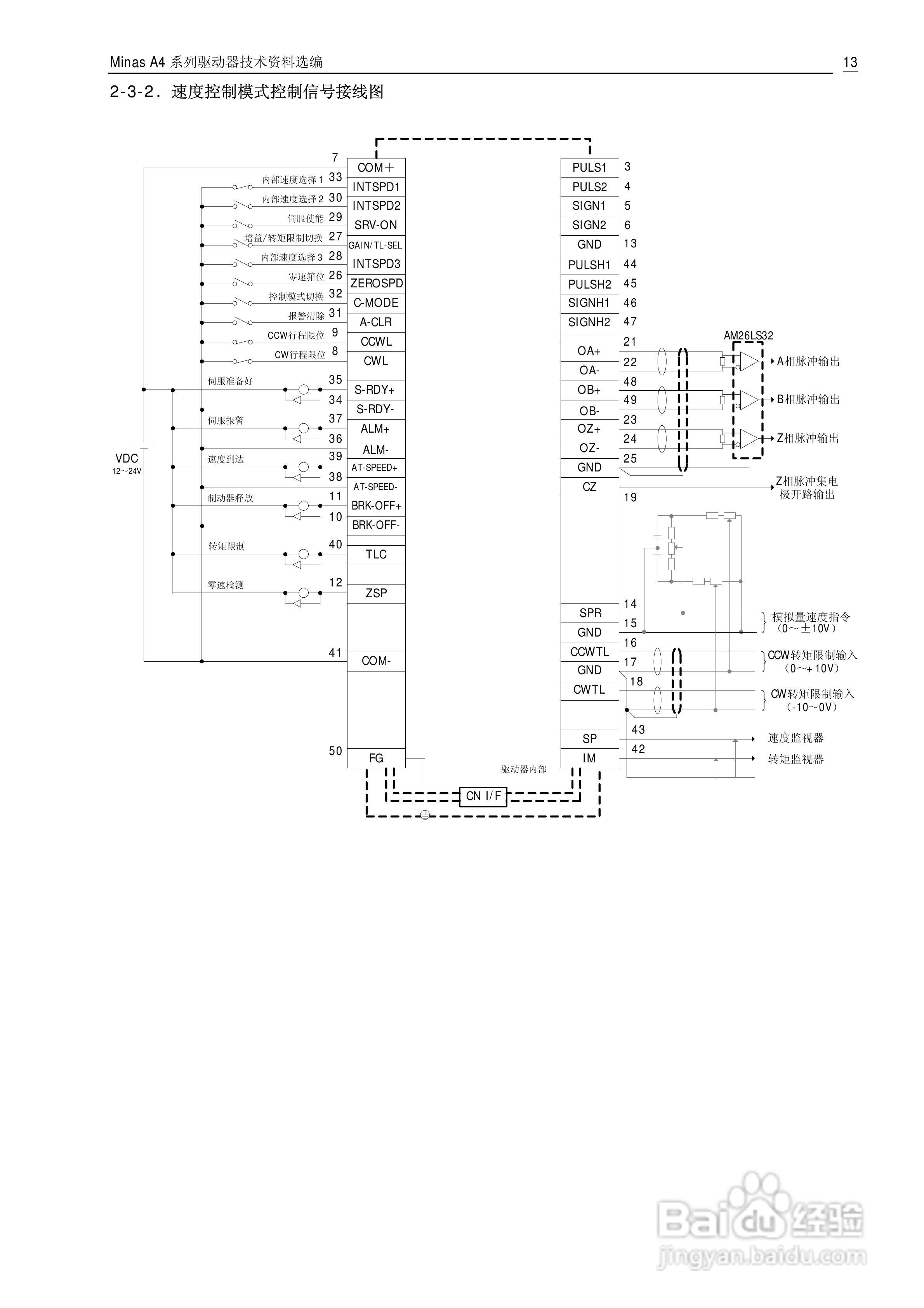
本篇为《Panasonic松下交流伺服驱动器Minas A4 Manual使用说明》,主要介绍该产品的使用方法以及常见故障解决方案。

 

Panasonic松下交流伺服驱动器Minas A4 Manual使用说明:[2]

Panasonic松下交流伺服驱动器Minas A4 Manual使用说明:[2]

Panasonic松下交流伺服驱动器Minas A4 Manual使用说明:[2]

Panasonic松下交流伺服驱动器Minas A4 Manual使用说明:[2]

Panasonic松下交流伺服驱动器Minas A4 Manual使用说明:[2]

Panasonic松下交流伺服驱动器Minas A4 Manual使用说明:[2]

Panasonic松下交流伺服驱动器Minas A4 Manual使用说明:[2]

Panasonic松下交流伺服驱动器Minas A4 Manual使用说明:[2]

Panasonic松下交流伺服驱动器Minas A4 Manual使用说明:[2]

Panasonic松下交流伺服驱动器Minas A4 Manual使用说明:[2]

(共篇)上一篇:|下一篇:
声明:本网站引用、摘录或转载内容仅供网站访问者交流或参考,不代表本站立场,如存在版权或非法内容,请联系站长删除,联系邮箱:site.kefu@qq.com。
猜你喜欢