指南生活
首页
美食营养
手工爱好
生活家居
返回
指南生活
首页
美食营养
游戏数码
手工爱好
生活家居
健康养生
运动户外
职场理财
情感交际
母婴教育
时尚美容
知识问答
生活知识
搜索
南京长盛CS9918N匝间绝缘耐压测试仪说明书:[2]
2026-03-16 19:08:44
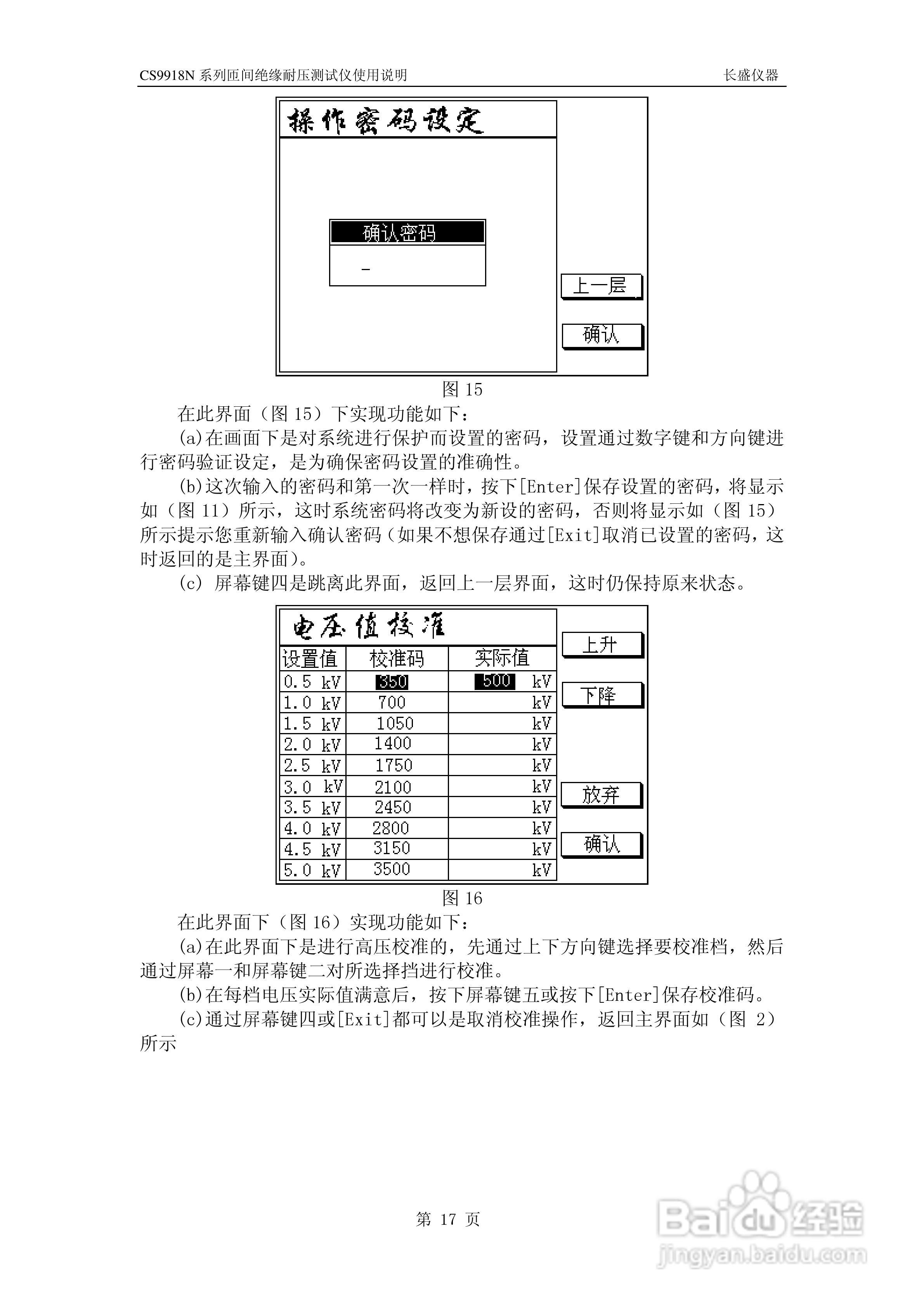
本篇为《南京长盛CS9918N匝间绝缘耐压测试仪说明书》,主要介绍该产品的使用方法以及常见故障解决方案。
(共篇)
上一篇:
|
下一篇:
声明:
本网站引用、摘录或转载内容仅供网站访问者交流或参考,不代表本站立场,如存在版权或非法内容,请联系站长删除,联系邮箱:site.kefu@qq.com。
相关推荐
第九个寡妇观看指南
阅读量:117
三星NR275E4V-X03硬盘1T分区后重启还原解决经验
阅读量:100
自动打孔机工作原理
阅读量:59
机械设备标准化
阅读量:122
FGM光纤几何参数测试仪使用说明书:[1]
阅读量:28
猜你喜欢
豆沙馅怎么做
秒表怎么看
vivo怎么样
专业技能怎么写
腰间盘膨出怎么治
胃隐隐作痛怎么回事
接到诈骗电话怎么办
怎么领取失业保险金
黑头是怎么形成的
李斯怎么死的
猜你喜欢
北京现代ix35怎么样
怎么用话费充q币
ppt模板怎么下载
星界财团声望怎么刷
暖手宝怎么排气
大蒜怎么腌制
薄饼怎么做
怎么删除电脑开机密码
体虚怎么调理
二级建造师怎么注册