指南生活
首页
美食营养
手工爱好
生活家居
返回
指南生活
首页
美食营养
游戏数码
手工爱好
生活家居
健康养生
运动户外
职场理财
情感交际
母婴教育
时尚美容
知识问答
生活知识
搜索
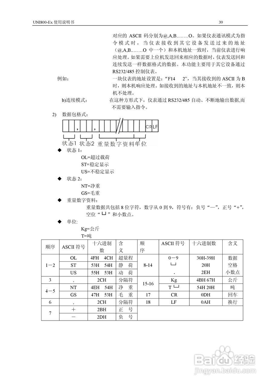
UNI800-EX称重显示器说明书:[4]
2026-01-09 21:54:55
(共篇)
上一篇:
|
下一篇:
声明:
本网站引用、摘录或转载内容仅供网站访问者交流或参考,不代表本站立场,如存在版权或非法内容,请联系站长删除,联系邮箱:site.kefu@qq.com。
相关推荐
UNI 800B定量秤控制仪使用说明书:[4]
阅读量:166
UNI 800B定量秤控制仪使用说明书:[7]
阅读量:170
UNI 800B定量秤控制仪使用说明书:[5]
阅读量:94
如何在uni网上选课
阅读量:81
uni-app视频教程
阅读量:100
猜你喜欢
wifi密码忘了怎么办
怎么把照片变小
我的世界画怎么做
三围怎么量
文件打不开怎么办
存折丢了怎么办
微信忘记密码怎么办
用工形式怎么填
胜牌机油怎么样
社保卡密码忘了怎么办
猜你喜欢
个人自传怎么写
玛丽艳护肤品怎么样
迷你世界怎么去天堂
银行卡冻结怎么解冻
麦克风怎么连接电脑
怎么刮痧
dwg文件怎么打开
网评文章怎么写
腊肉怎么做
怎么找工作比较靠谱