指南生活
首页
美食营养
手工爱好
生活家居
返回
指南生活
首页
美食营养
游戏数码
手工爱好
生活家居
健康养生
运动户外
职场理财
情感交际
母婴教育
时尚美容
知识问答
生活知识
生活百科
搜索
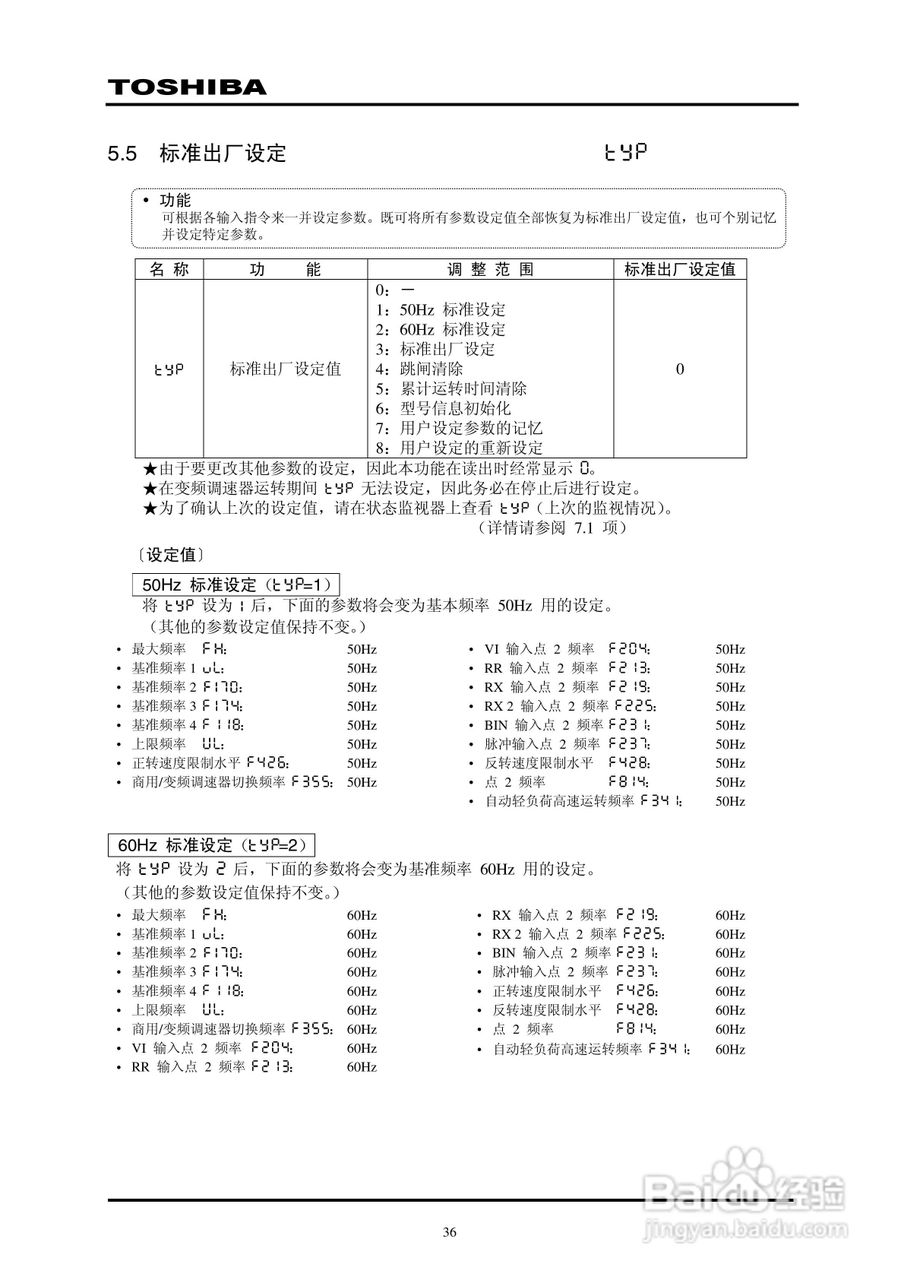
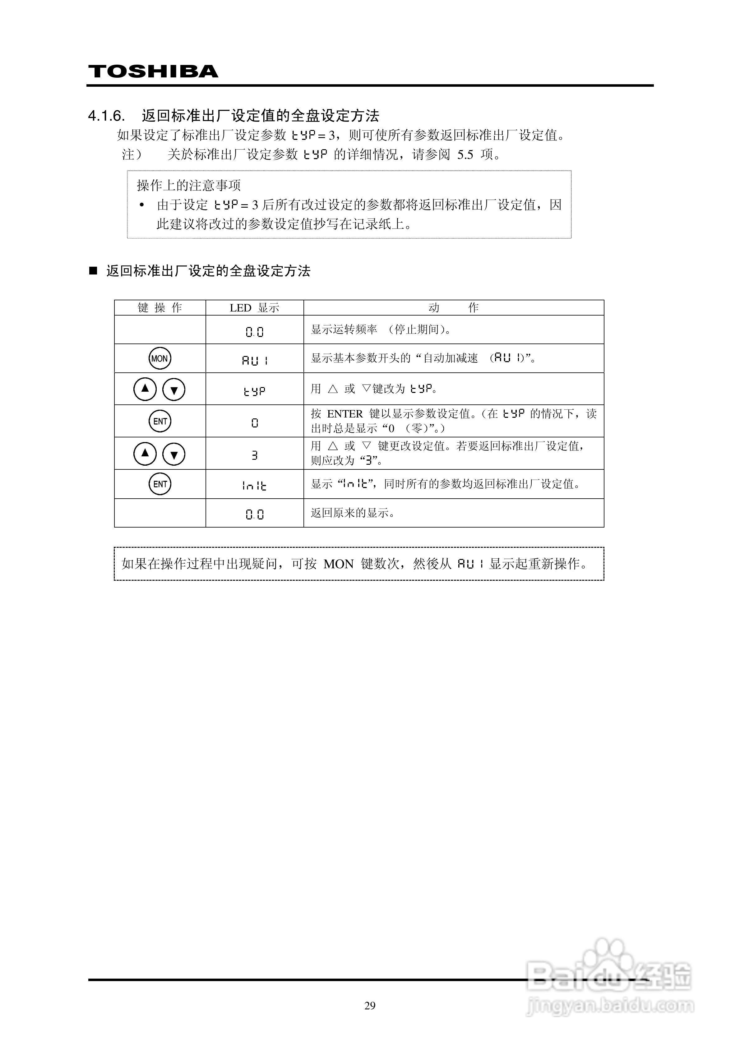
东芝VPFP-4315KP变频器中文说明书:[4]
2026-04-25 06:00:41
本篇为《东芝VPFP-4315KP变频器中文说明书》,主要介绍该产品的使用方法以及常见故障解决方案。
(共篇)
上一篇:
|
下一篇:
声明:
本网站引用、摘录或转载内容仅供网站访问者交流或参考,不代表本站立场,如存在版权或非法内容,请联系站长删除,联系邮箱:site.kefu@qq.com。
相关推荐
变频器调试接线教程
阅读量:82
变频器怎么恢复出厂设置
阅读量:138
变频器滤波器的选型
阅读量:43
久川C0315A4变频器中文说明书:[4]
阅读量:23
久川C0315A4变频器中文说明书:[1]
阅读量:101
猜你喜欢
绳结编法大全
腿部减肥方法
q币怎么充话费
香炉怎么用
眼袋怎么办
打嗝的治疗方法
嗓子疼怎么办最简单的方法
减肥好方法
琥珀的鉴定方法
全彩里番工口福利大全
猜你喜欢
番茄汤的做法大全
美的净水器怎么样
黑盒测试方法
经常肚子疼怎么回事
怎么搭配衣服
虾怎么做好吃
炒豆角的家常做法
肘子的家常做法
扁平疣的最佳去除方法
饺子皮怎么做好吃