指南生活
首页
美食营养
手工爱好
生活家居
返回
指南生活
首页
美食营养
游戏数码
手工爱好
生活家居
健康养生
运动户外
职场理财
情感交际
母婴教育
时尚美容
知识问答
生活知识
搜索
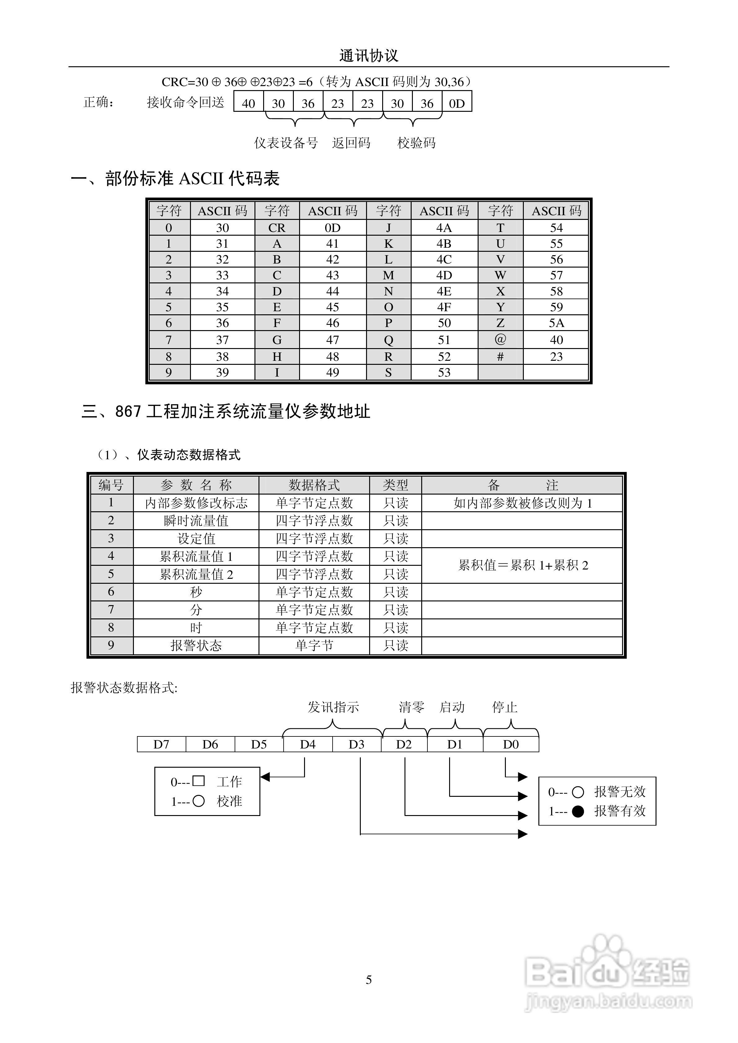
昌晖LCD867流量定量控制仪说明书:[3]
2025-12-31 22:18:00
本篇为《昌晖LCD867流量定量控制仪说明书》,主要介绍该产品的使用方法以及常见故障解决方案。
(共篇)
上一篇:
声明:
本网站引用、摘录或转载内容仅供网站访问者交流或参考,不代表本站立场,如存在版权或非法内容,请联系站长删除,联系邮箱:site.kefu@qq.com。
相关推荐
昌晖LCD867流量定量控制仪说明书:[2]
阅读量:111
昌晖LCD-M大屏幕多路仪表说明书:[3]
阅读量:36
昌晖SWP-LCD-LR流量记录仪(带防盗)说明书:[3]
阅读量:161
昌晖SWP-LCD-LR流量记录仪(带防盗)说明书:[2]
阅读量:191
昌晖SWP-LCD-LR流量记录仪(带防盗)说明书:[1]
阅读量:67
猜你喜欢
花菜怎么做
辣椒面怎么做辣椒油
怎么上youtube
严重失眠怎么调理
慢性支气管炎怎么治
天梭手表怎么调日期
鲫鱼怎么做
福建师范大学怎么样
狗吃了老鼠药怎么办
收到律师函怎么处理
猜你喜欢
乐心手环怎么调时间
山东科技大学怎么样
怎么做寿司好吃又简单
20以内加减法怎么教
四川麻将怎么打
双马尾怎么扎好看
牙疼怎么止疼
淘宝店铺怎么关闭
怎么看股票
腋下有异味怎么办