指南生活
首页
美食营养
手工爱好
生活家居
返回
指南生活
首页
美食营养
游戏数码
手工爱好
生活家居
健康养生
运动户外
职场理财
情感交际
母婴教育
时尚美容
知识问答
生活知识
搜索
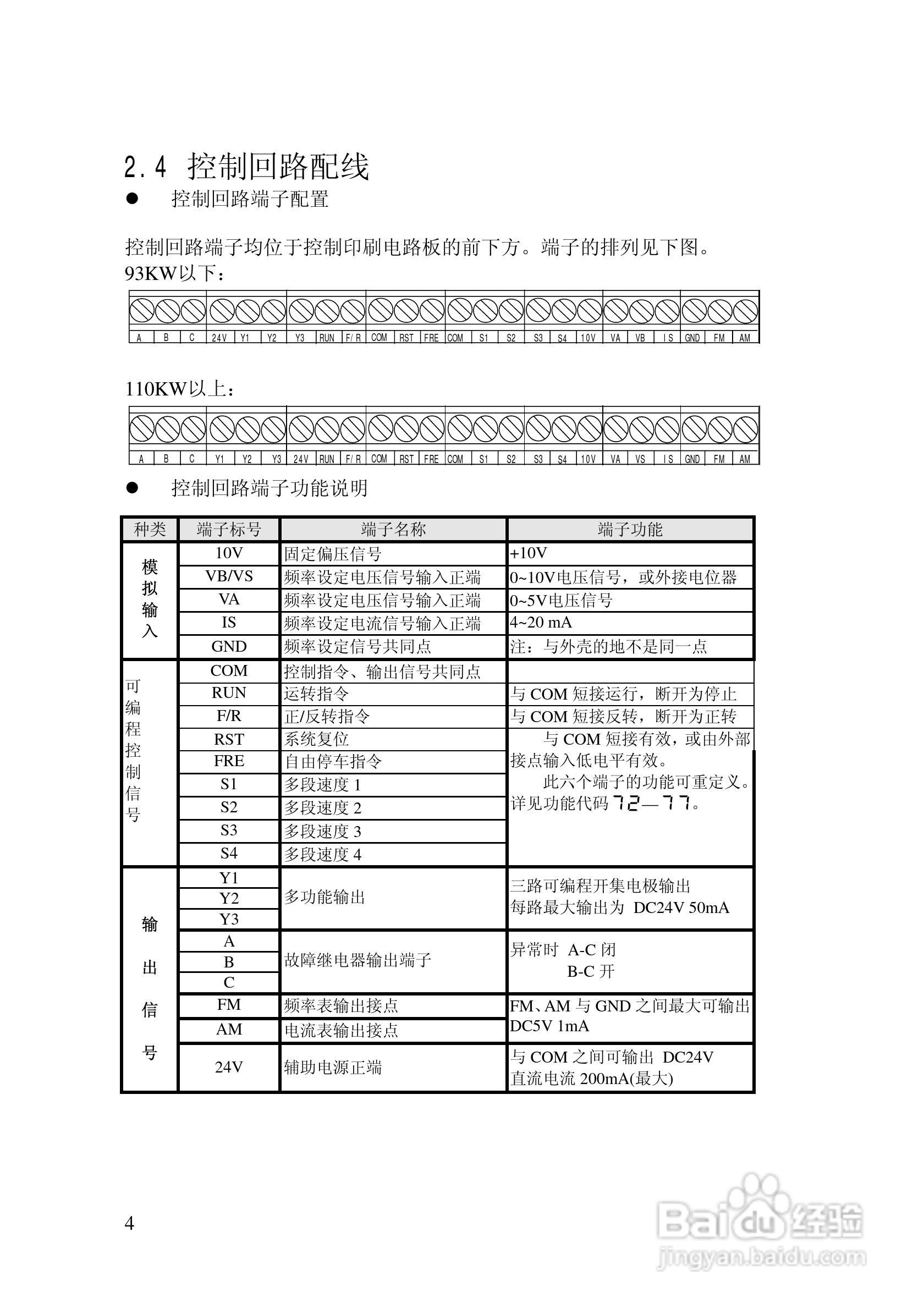
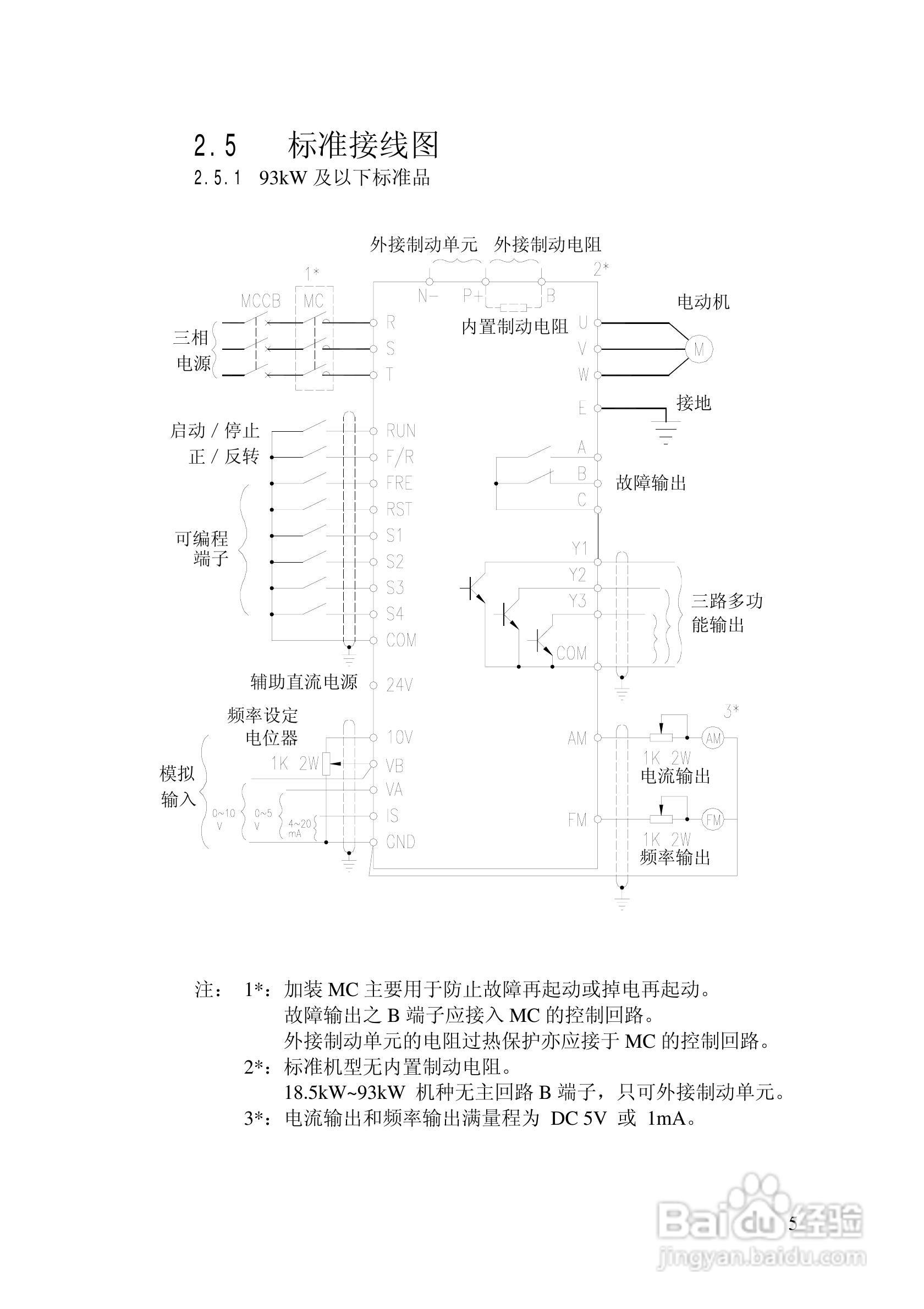
阿尔法(ALPHA)ALPHA2000-3280P变频器说明书:[1]
2025-11-20 00:02:06
本篇为《阿尔法(ALPHA)ALPHA2000-3280P变频器说明书》,主要介绍该产品的使用方法以及常见故障解决方案。
(共篇)
下一篇:
声明:
本网站引用、摘录或转载内容仅供网站访问者交流或参考,不代表本站立场,如存在版权或非法内容,请联系站长删除,联系邮箱:site.kefu@qq.com。
相关推荐
阿尔法(ALPHA)ALPHA2000-3280P变频器说明书:[6]
阅读量:175
阿尔法(ALPHA)ALPHA2000-3132Z变频器说明书:[1]
阅读量:159
阿尔法(ALPHA)ALPHA2000-3132Z变频器说明书:[3]
阅读量:180
阿尔法(ALPHA)ALPHA2000-3132Z变频器说明书:[4]
阅读量:139
阿尔法怎么打
阅读量:109
猜你喜欢
怎么截动图
治疗口臭的最佳方法
腋臭的治疗方法
怎么换ip
系鞋带的方法视频
草莓的种植方法和技术
怎么能让眼睛变大
紫包菜怎么做好吃
汽车之家2019款价大全
背上长痘痘怎么治疗
猜你喜欢
大黄花鱼的家常做法
ip怎么设置
qq文件过期怎么恢复
五味子怎么吃
酸辣汤的家常做法
朱亚文电视剧大全最新
奥特曼简笔画图片大全
羊肉汤的做法家常做法
乳腺纤维瘤的治疗方法
戒烟的最佳方法