指南生活
首页
美食营养
手工爱好
生活家居
返回
指南生活
首页
美食营养
游戏数码
手工爱好
生活家居
健康养生
运动户外
职场理财
情感交际
母婴教育
时尚美容
知识问答
生活知识
搜索
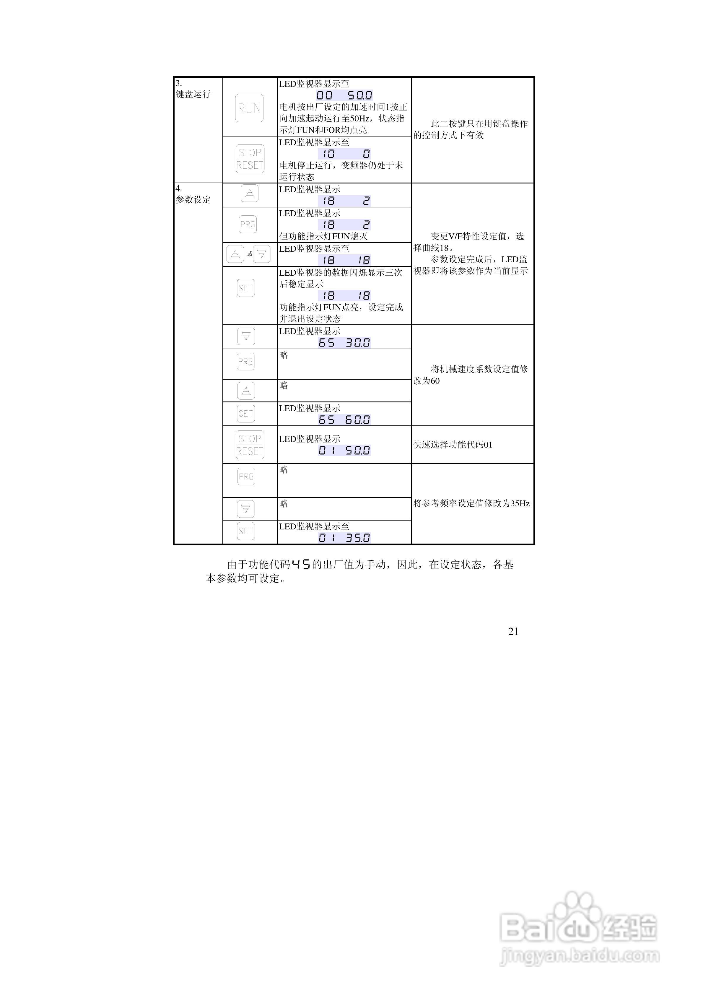
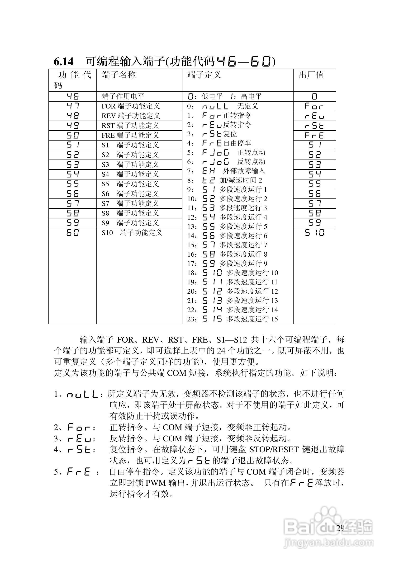
阿尔法(ALPHA)ALPHA2000-3132Z变频器说明书:[3]
2025-11-19 05:45:45
本篇为《阿尔法(ALPHA)ALPHA2000-3132Z变频器说明书》,主要介绍该产品的使用方法以及常见故障解决方案。
(共篇)
上一篇:
|
下一篇:
声明:
本网站引用、摘录或转载内容仅供网站访问者交流或参考,不代表本站立场,如存在版权或非法内容,请联系站长删除,联系邮箱:site.kefu@qq.com。
相关推荐
阿尔法(ALPHA)ALPHA2000-3132Z变频器说明书:[2]
阅读量:25
阿尔法(ALPHA)ALPHA2000-3280P变频器说明书:[4]
阅读量:187
ALPHA立体醒脑疗法
阅读量:81
阿尔法小蛋功能介绍
阅读量:175
阿尔法公司攻略
阅读量:54
猜你喜欢
篮球什么牌子好
羊水少是什么原因
8月4日是什么节日
丁二醇是什么
momo是什么意思
我再也没有那种感觉是什么歌
什么木头有香味
1978年属什么
多肽是什么
respect是什么意思
猜你喜欢
新农保是什么
ap什么意思
钙化是什么意思
esse是什么烟
所有都被一笔带过什么歌
人为什么会打哈欠
虚怀若谷什么意思
一语成谶什么意思
什么时候放假
扑朔迷离什么意思