指南生活
首页
美食营养
手工爱好
生活家居
返回
指南生活
首页
美食营养
游戏数码
手工爱好
生活家居
健康养生
运动户外
职场理财
情感交际
母婴教育
时尚美容
知识问答
生活知识
生活百科
搜索
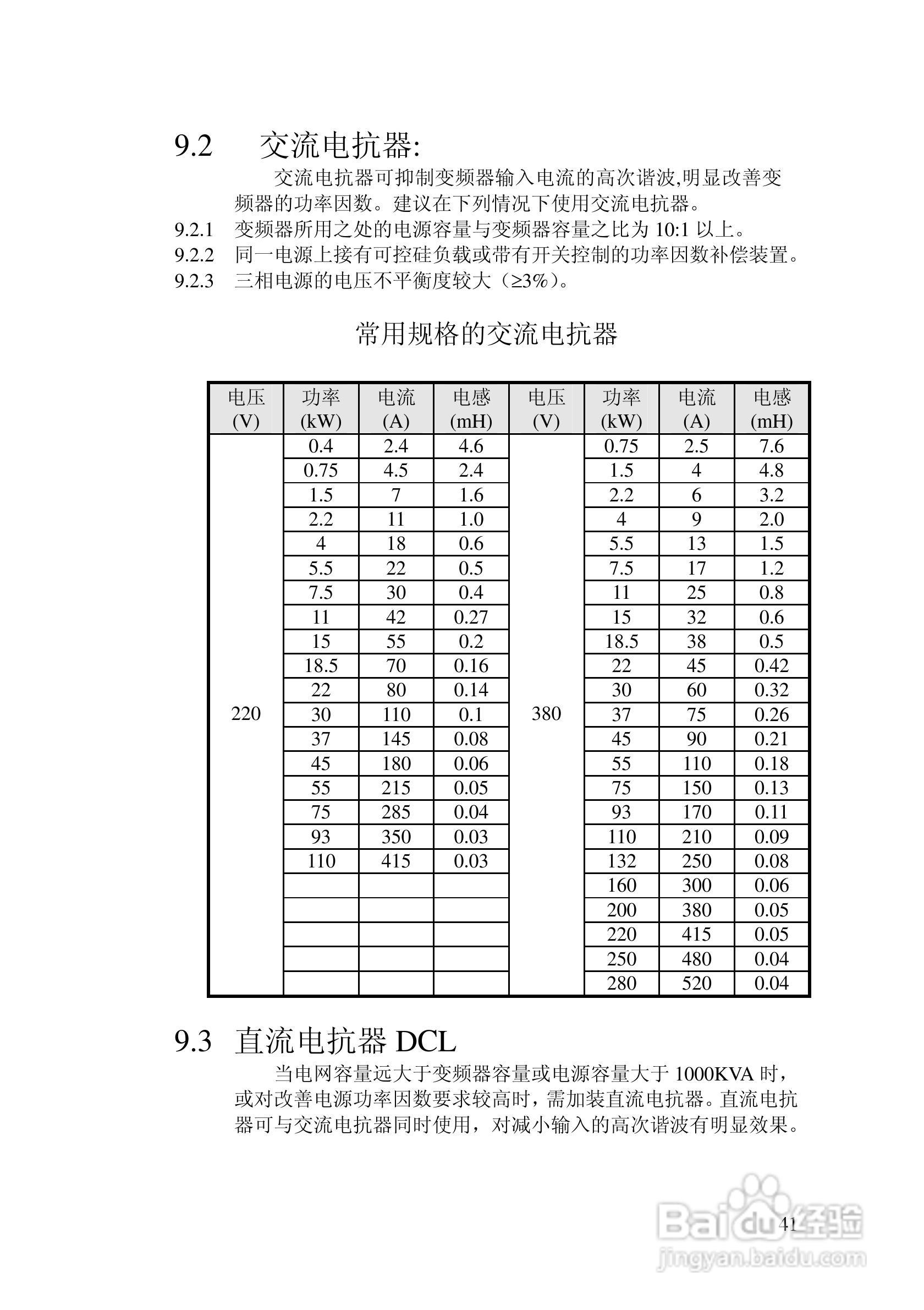
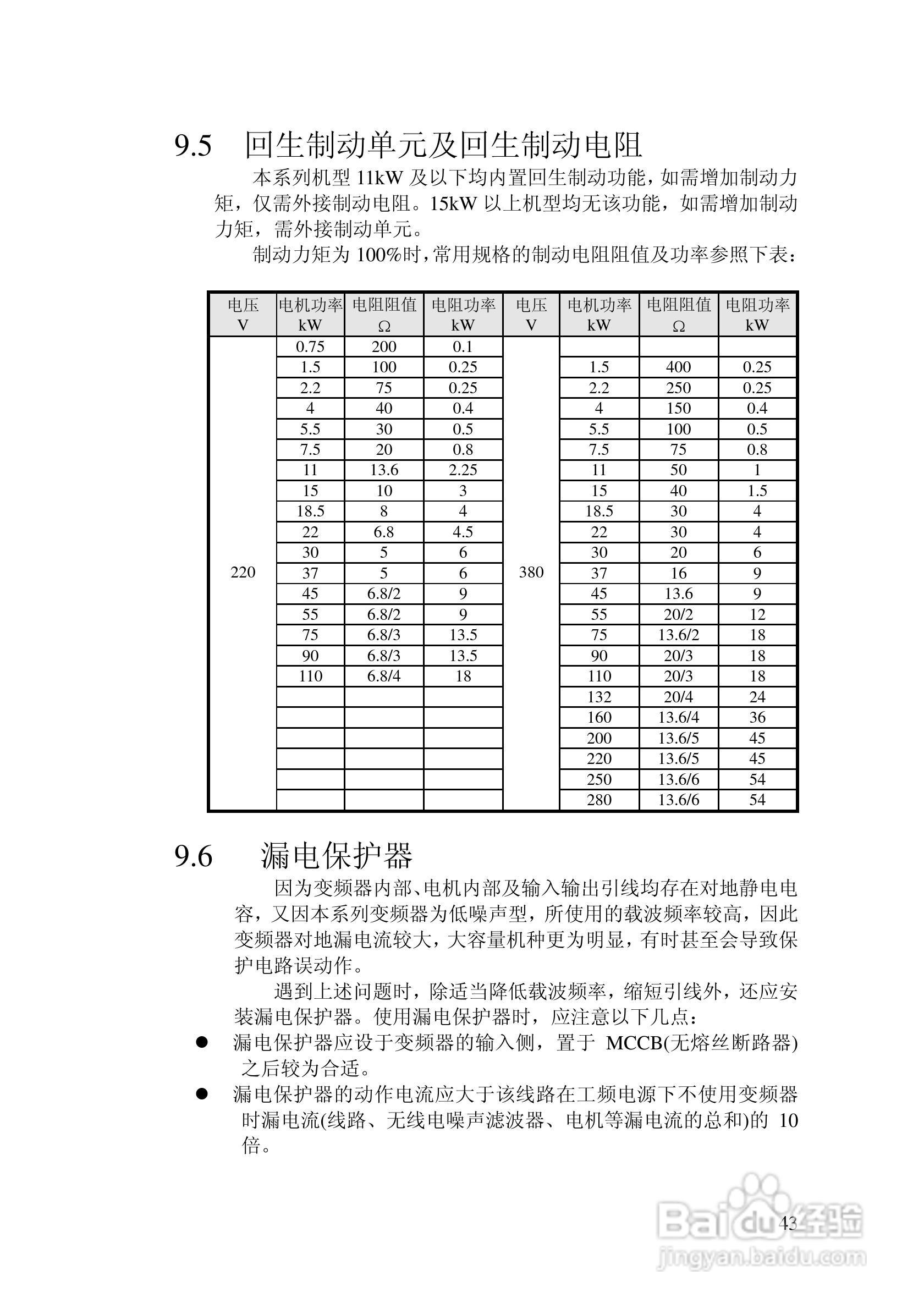
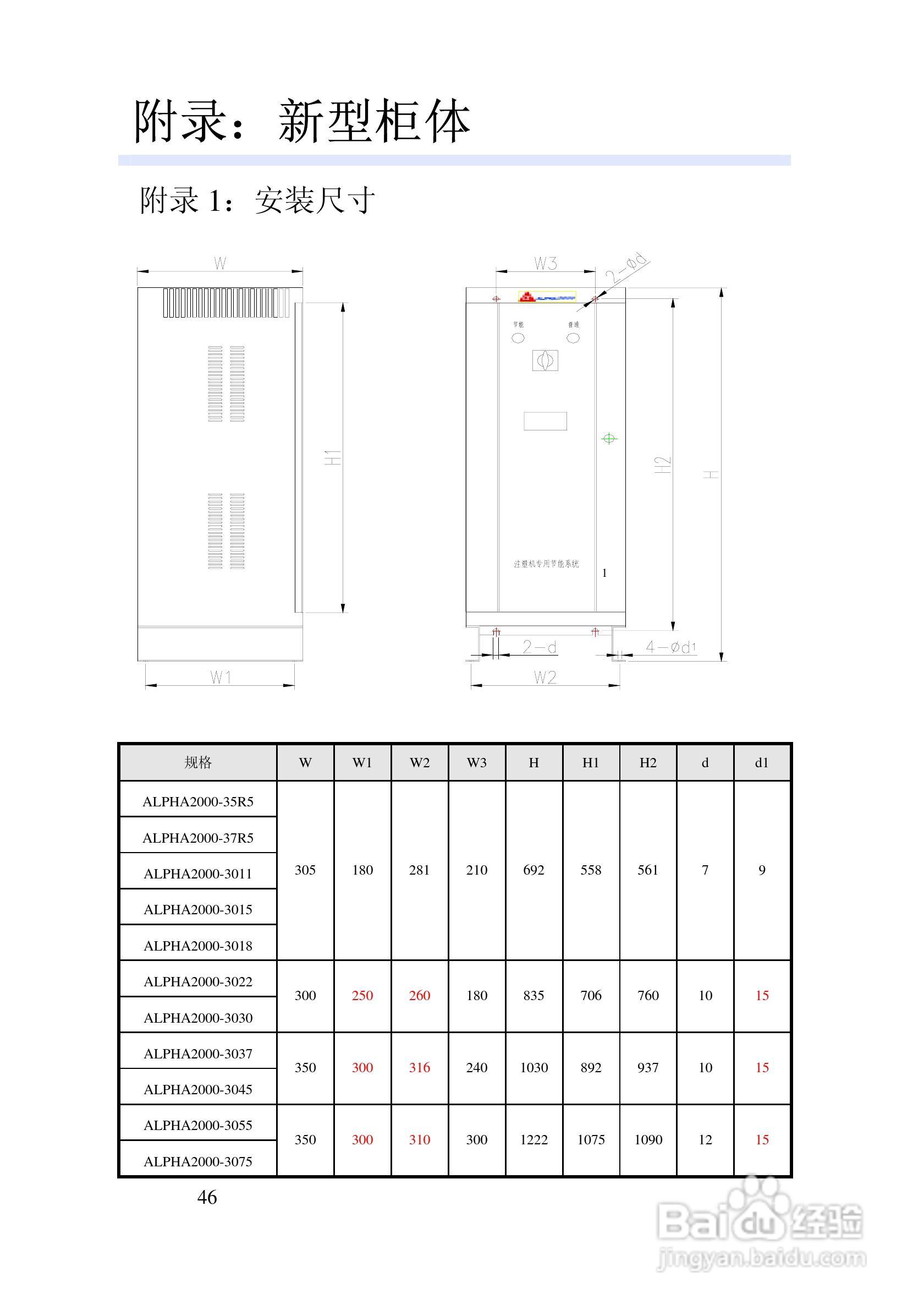
阿尔法(ALPHA)ALPHA2000-3132Z变频器说明书:[5]
2026-04-23 20:17:56
本篇为《阿尔法(ALPHA)ALPHA2000-3132Z变频器说明书》,主要介绍该产品的使用方法以及常见故障解决方案。
(共篇)
上一篇:
声明:
本网站引用、摘录或转载内容仅供网站访问者交流或参考,不代表本站立场,如存在版权或非法内容,请联系站长删除,联系邮箱:site.kefu@qq.com。
相关推荐
阿尔法(ALPHA)ALPHA2000-3132Z变频器说明书:[3]
阅读量:190
阿尔法(ALPHA)ALPHA2000-3280P变频器说明书:[5]
阅读量:147
阿尔法(ALPHA)ALPHA2000-3280P变频器说明书:[4]
阅读量:57
阿尔法(ALPHA)ALPHA2000-3280P变频器说明书:[6]
阅读量:27
阿尔法小蛋功能介绍
阅读量:72
猜你喜欢
period是什么意思
红枣什么时候吃最好
淘宝直通车是什么意思
460分理科能上什么大学
玉米什么时候传入中国
什么狗最温顺
一瞬间的近义词是什么
创业贷款需要什么条件
底背离是什么意思
领导力是什么
猜你喜欢
吃惊的近义词是什么
什么是加息
虎门大桥什么时候建成的
什么是双飞
不可理喻是什么意思
运动手表品牌排行榜
什么是第三方物流
什么是劣药
门槛石用什么石材好
动物运动会作文