指南生活
首页
美食营养
手工爱好
生活家居
返回
指南生活
首页
美食营养
游戏数码
手工爱好
生活家居
健康养生
运动户外
职场理财
情感交际
母婴教育
时尚美容
知识问答
生活知识
生活百科
搜索
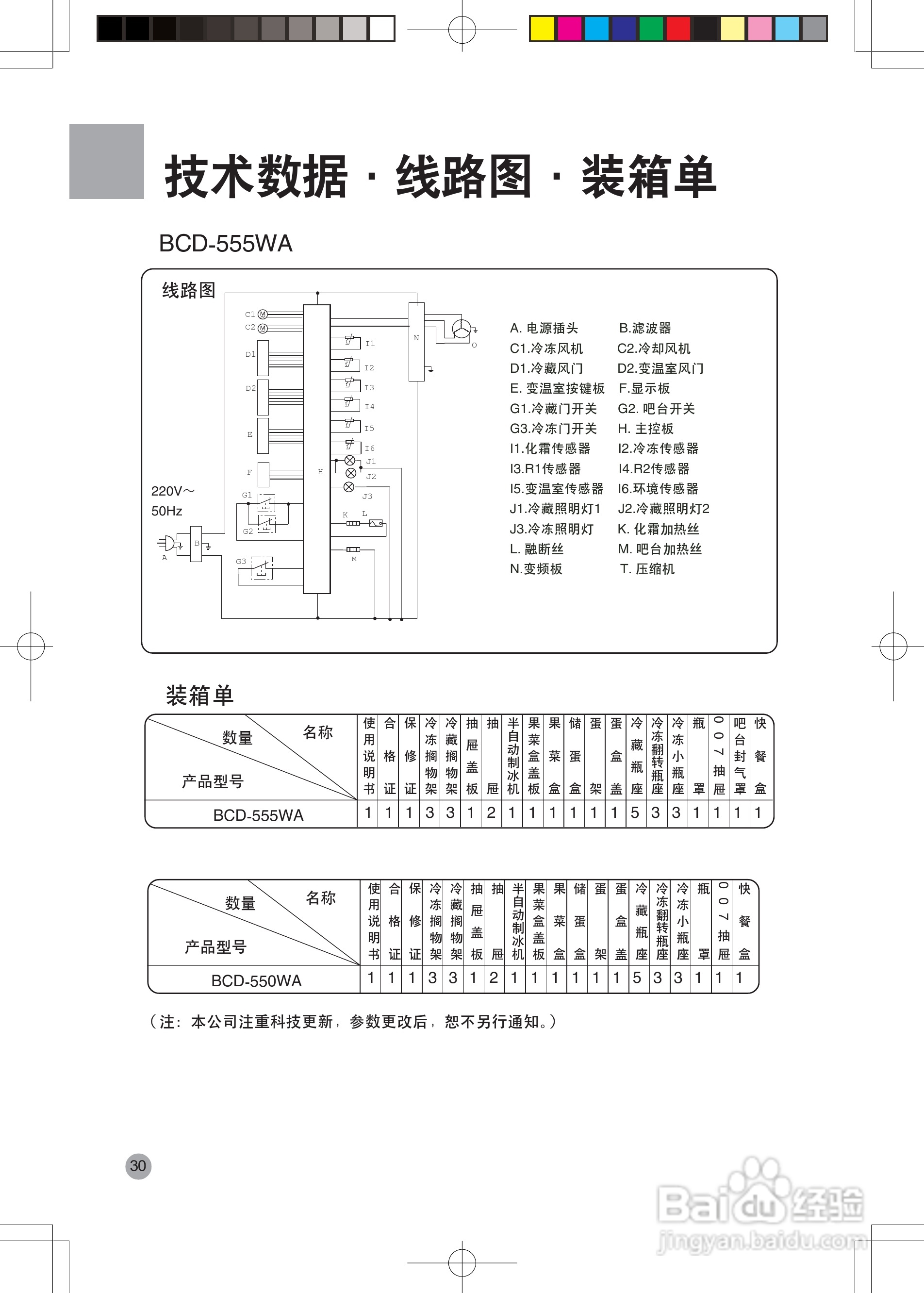
海尔冰箱BCD-550WA型说明书:[4]
2026-04-23 20:39:54
(共篇)
上一篇:
声明:
本网站引用、摘录或转载内容仅供网站访问者交流或参考,不代表本站立场,如存在版权或非法内容,请联系站长删除,联系邮箱:site.kefu@qq.com。
相关推荐
海尔冰箱BCD-550WA型说明书:[3]
阅读量:107
海尔冰箱BCD-555WA型说明书:[4]
阅读量:85
海尔冰箱BCD-556WA型说明书:[4]
阅读量:154
海尔冰箱BCD-555WA型说明书:[3]
阅读量:79
海尔冰箱BCD-555WA型说明书:[2]
阅读量:161
猜你喜欢
描写方法
脑筋急转弯大全
糖醋白菜的家常做法
眼袋重怎么办
文件夹怎么加密码
有番号怎么下载
怎么合成照片
牛蛙怎么做好吃
怎么合八字
种西瓜的方法
猜你喜欢
扁平疣治疗方法
骨膜炎最佳治疗方法
简单有效的减肥方法
基金亏损了怎么办
小儿湿疹最佳治疗方法
龅牙怎么办
怎样做鱼好吃
湖北城市建设职业技术学院怎么样
绑鱼钩的方法图解
众泰汽车质量怎么样