指南生活
首页
美食营养
手工爱好
生活家居
返回
指南生活
首页
美食营养
游戏数码
手工爱好
生活家居
健康养生
运动户外
职场理财
情感交际
母婴教育
时尚美容
知识问答
生活知识
生活百科
搜索
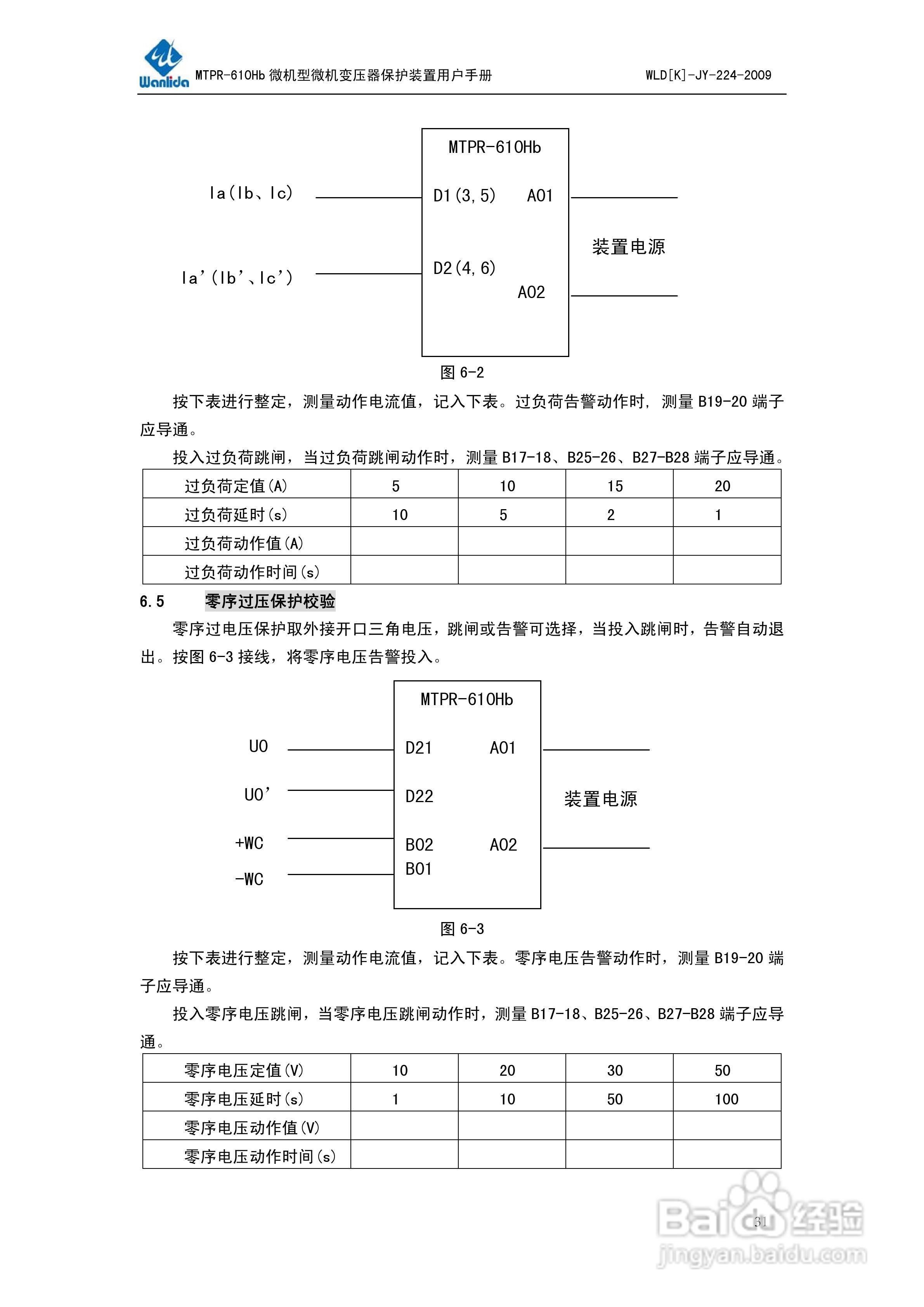
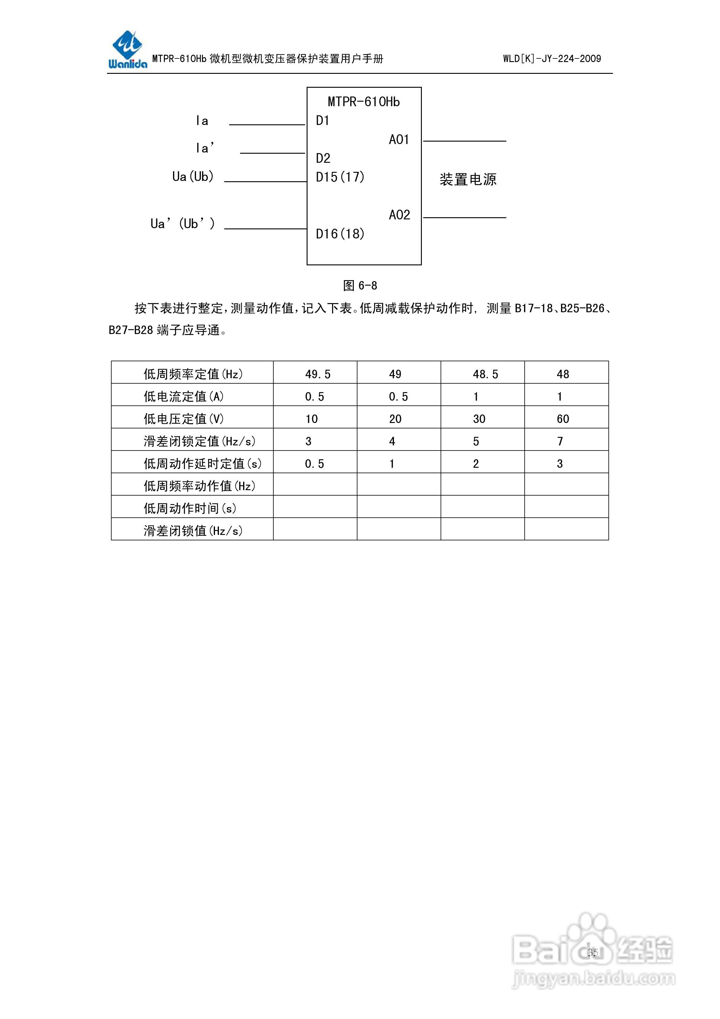
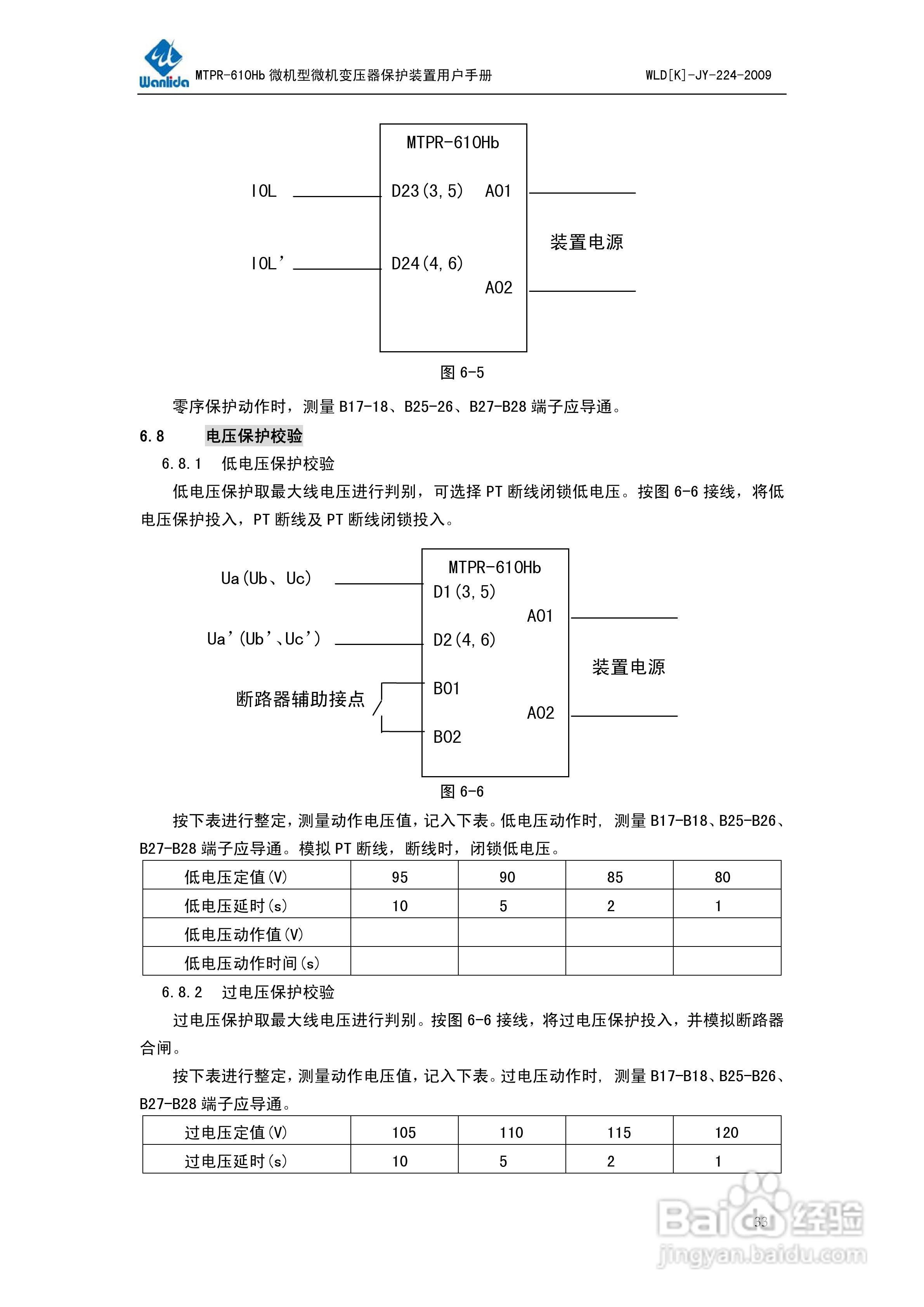
MTPR-610Hb微机型变压器保护测控装置用户手册V2.0:[4]
2026-04-25 03:42:37
本篇为《MTPR-610Hb微机型变压器保护测控装置用户手册V2.0》,主要介绍该产品的使用方法以及常见故障解决方案。
(共篇)
上一篇:
声明:
本网站引用、摘录或转载内容仅供网站访问者交流或参考,不代表本站立场,如存在版权或非法内容,请联系站长删除,联系邮箱:site.kefu@qq.com。
相关推荐
MTPR-630Hb微机型变压器差动保护装置用户手册:[2]
阅读量:61
MTPR-630Hb微机型变压器差动保护装置用户手册:[1]
阅读量:20
变压器一次二次侧电流计算公式及经验公式
阅读量:80
MTPR-630Hb微机型变压器差动保护装置用户手册:[3]
阅读量:101
MLPR-610Hb微机型线路保护测控装置用户手册:[3]
阅读量:179
猜你喜欢
什么歌什么舞
大校是什么级别
上海迪士尼什么时候恢复开放
党的三大法宝是什么
宿命是什么意思
什么是抗生素
5月30日是什么星座
miumiu是什么牌子
什么东西越洗越脏
精子是什么
猜你喜欢
lan是什么意思
i是什么意思
什么是面积
什么是pdf格式
高考提前批是什么意思
什么是电子商务
asap是什么意思
窗口期是什么意思
bl是什么
三个土念什么