指南生活
首页
美食营养
手工爱好
生活家居
返回
指南生活
首页
美食营养
游戏数码
手工爱好
生活家居
健康养生
运动户外
职场理财
情感交际
母婴教育
时尚美容
知识问答
生活知识
搜索
RCS-974A(AG)型变压器非电量及辅助保护装置使用说明书:[3]
2025-12-10 07:54:23
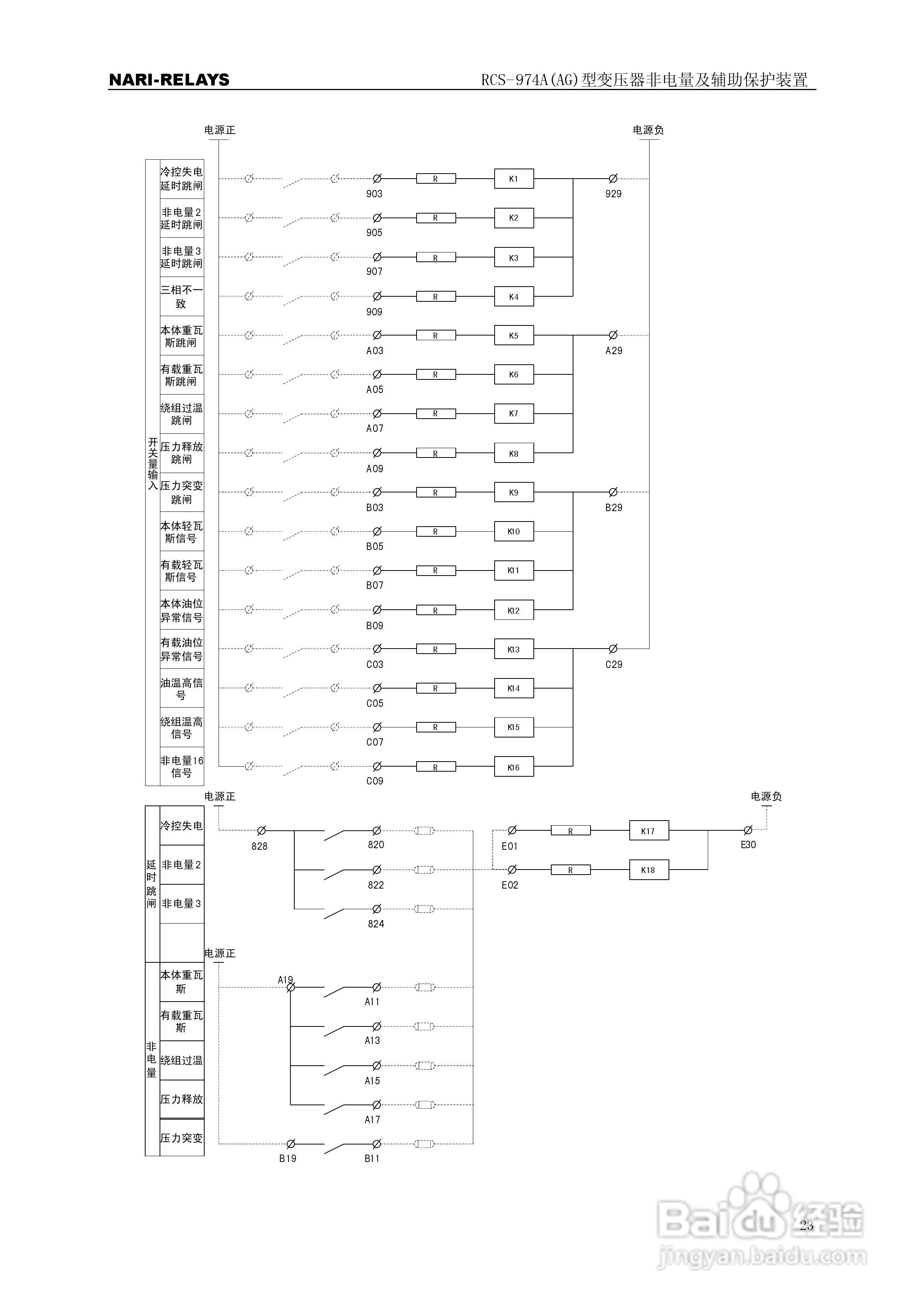
本篇为《RCS-974A(AG)型变压器非电量及辅助保护装置使用说明书》,主要介绍该产品的使用方法以及常见故障解决方案。
(共篇)
上一篇:
|
下一篇:
声明:
本网站引用、摘录或转载内容仅供网站访问者交流或参考,不代表本站立场,如存在版权或非法内容,请联系站长删除,联系邮箱:site.kefu@qq.com。
相关推荐
RCS-974A(AG)型变压器非电量及辅助保护装置使用说明书:[4]
阅读量:69
变压器一次二次侧电流计算公式及经验公式
阅读量:194
RCS-974A(AG)型变压器非电量及辅助保护装置使用说明书:[5]
阅读量:117
RCS-974A(AG)型变压器非电量及辅助保护装置使用说明书:[6]
阅读量:136
RCS-974A(AG)型变压器非电量及辅助保护装置使用说明书:[2]
阅读量:183
猜你喜欢
pc是什么的缩写
gct是什么意思
老鼠讨厌什么味道
强基计划是什么意思
玉屏风散的作用
野生灵芝的功效与作用
mine是什么意思
镶牙用什么材料好
state是什么意思
女孩子学什么技术好
猜你喜欢
我找到了什么作文
6万左右买什么车好
fps是什么意思
so what什么意思
水落石出的意思
云南白药粉的作用
胡萝卜和什么相克
冰片的作用
百岁山广告什么意思
随遇而安的意思是什么