指南生活
首页
美食营养
手工爱好
生活家居
返回
指南生活
首页
美食营养
游戏数码
手工爱好
生活家居
健康养生
运动户外
职场理财
情感交际
母婴教育
时尚美容
知识问答
生活知识
搜索
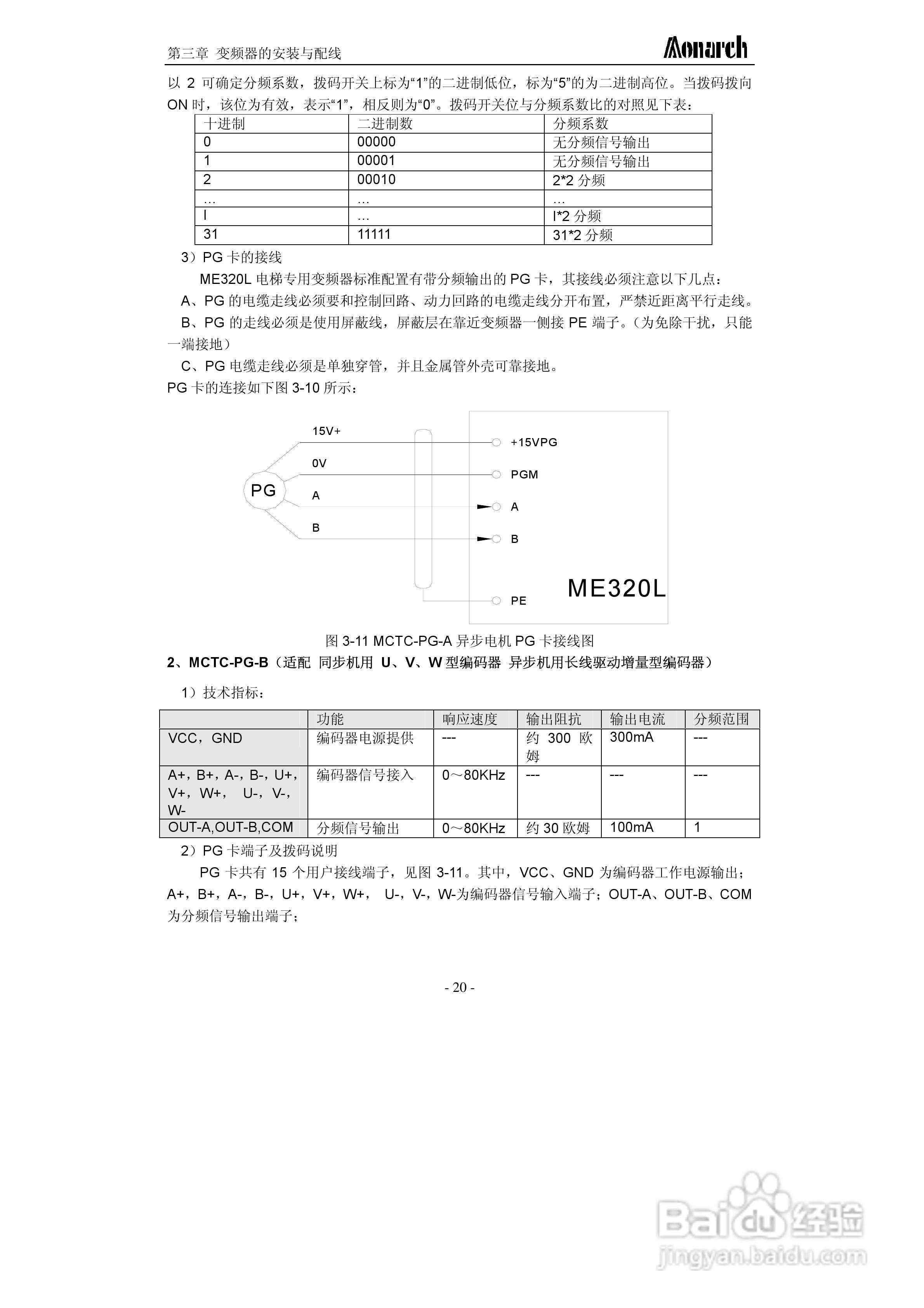
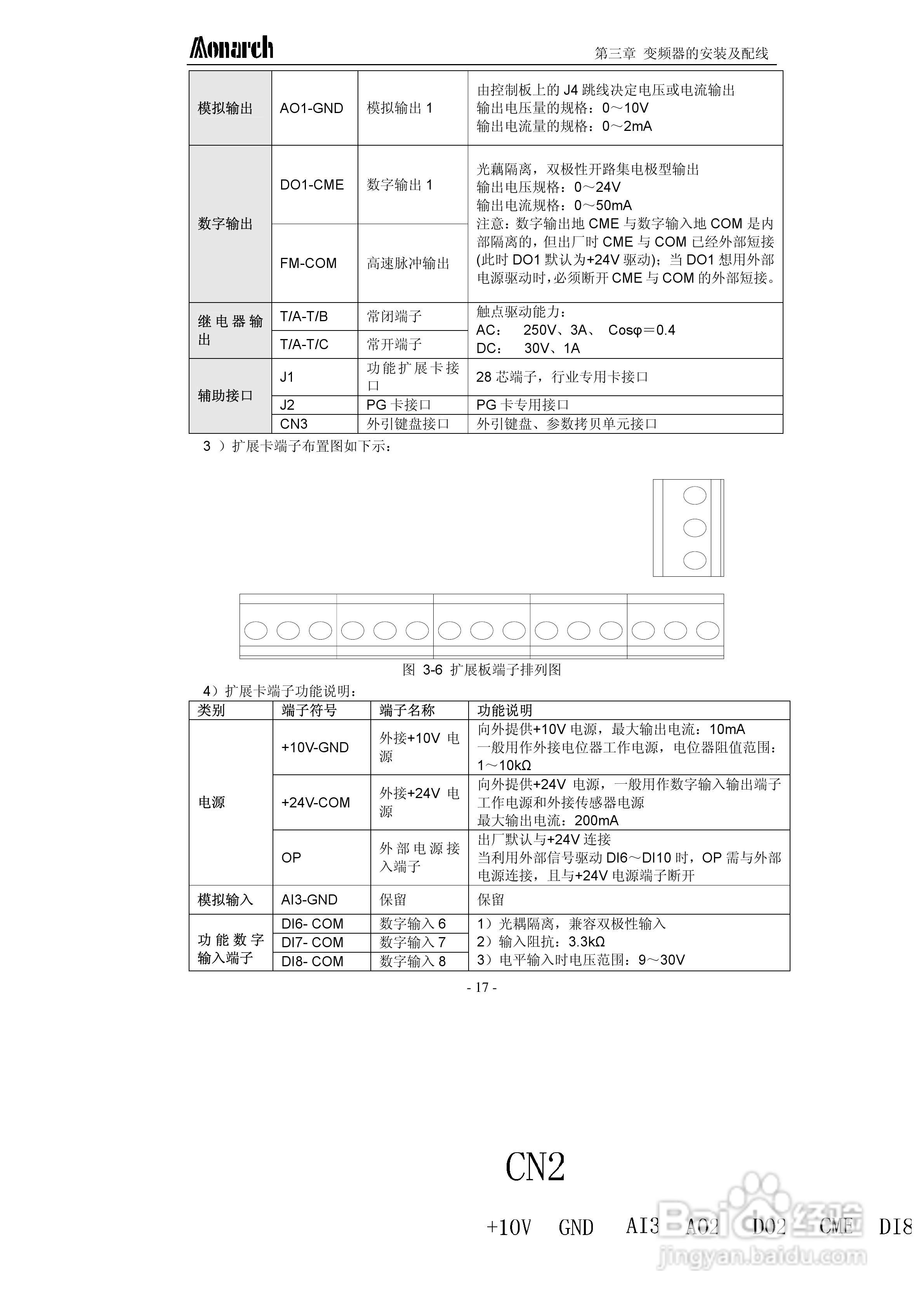
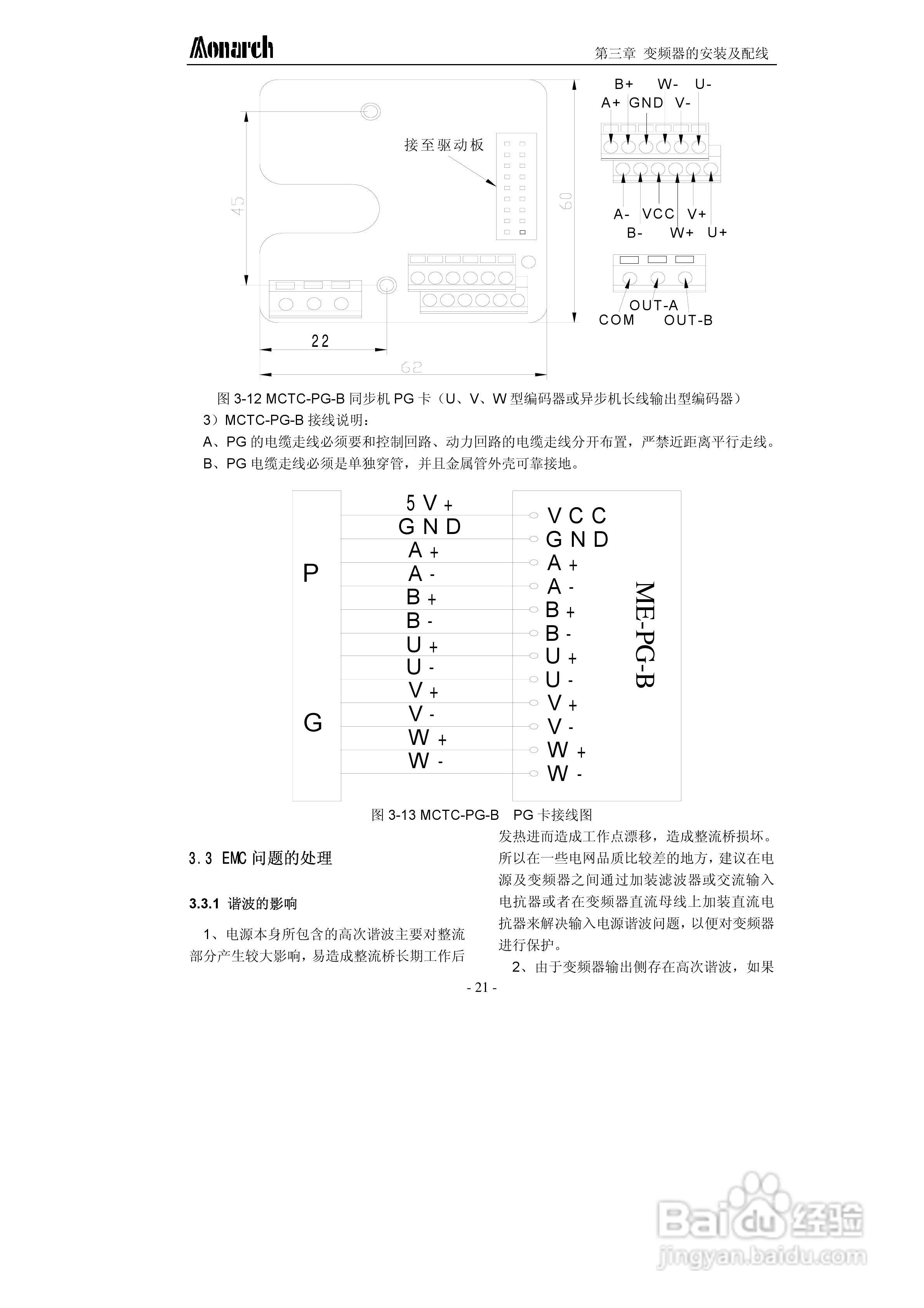
汇川ME320L-4045电梯专用变频器用户手册:[3]
2026-02-24 22:03:45
本篇为《汇川ME320L-4045电梯专用变频器用户手册》,主要介绍该产品的使用方法以及常见故障解决方案。
(共篇)
上一篇:
|
下一篇:
声明:
本网站引用、摘录或转载内容仅供网站访问者交流或参考,不代表本站立场,如存在版权或非法内容,请联系站长删除,联系邮箱:site.kefu@qq.com。
相关推荐
汇川ME320L-4045电梯专用变频器用户手册:[4]
阅读量:56
海浦蒙特HD5L-4T045电梯专用驱动控制器用户手册:[12]
阅读量:56
海浦蒙特HD5L-4T045电梯专用驱动控制器用户手册:[1]
阅读量:183
海浦蒙特HD5L-4T045电梯专用驱动控制器用户手册:[13]
阅读量:126
海浦蒙特HD5L-4T045电梯专用驱动控制器用户手册:[8]
阅读量:57
猜你喜欢
天涯是什么意思
沃尔沃亚太是什么意思
farmer什么意思
七月开什么花
怀孕初期应该注意什么
mcn是什么意思
咱也不知道咱也不敢问是什么梗
乡里别长沙话什么意思
iwc是什么牌子
describe是什么意思
猜你喜欢
老虎头是什么牌子
欣赏的反义词是什么
什么可以去痘印
绿壳蛋鸡养殖前景
酸萝卜的腌制方法
朋友生日送什么礼物好
打篮球有什么好处
路亚竿什么牌子好
春天是什么样的
维生素e抹脸能去斑吗