指南生活
首页
美食营养
手工爱好
生活家居
返回
指南生活
首页
美食营养
游戏数码
手工爱好
生活家居
健康养生
运动户外
职场理财
情感交际
母婴教育
时尚美容
知识问答
生活知识
生活百科
搜索
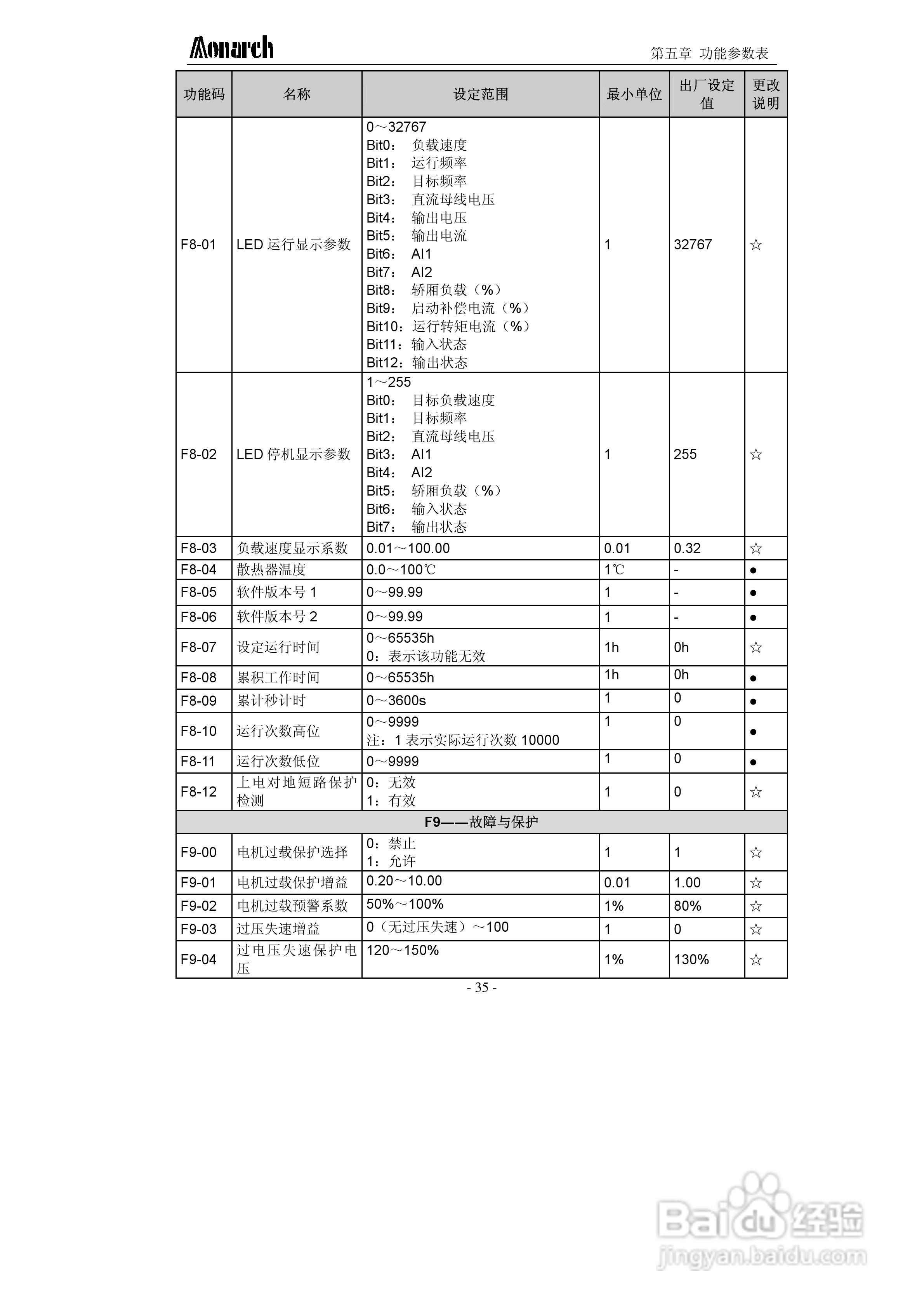
汇川ME320L-4045电梯专用变频器用户手册:[4]
2026-04-16 04:13:45
本篇为《汇川ME320L-4045电梯专用变频器用户手册》,主要介绍该产品的使用方法以及常见故障解决方案。
(共篇)
上一篇:
|
下一篇:
声明:
本网站引用、摘录或转载内容仅供网站访问者交流或参考,不代表本站立场,如存在版权或非法内容,请联系站长删除,联系邮箱:site.kefu@qq.com。
相关推荐
汇川ME320L-4045电梯专用变频器用户手册:[1]
阅读量:94
海浦蒙特HD5L-4T045电梯专用驱动控制器用户手册:[12]
阅读量:103
海浦蒙特HD5L-4T045电梯专用驱动控制器用户手册:[1]
阅读量:67
海浦蒙特HD5L-4T045电梯专用驱动控制器用户手册:[13]
阅读量:67
海浦蒙特HD5L-4T045电梯专用驱动控制器用户手册:[8]
阅读量:158
猜你喜欢
黄大仙精选免费资料大全
辣椒酱的家常做法
糖醋白菜的家常做法
周公解梦大全查询免费
哮喘的治疗方法
铜钱草的养殖方法和注意事项
白果的保存方法
七叶莲的养殖方法
三角形符号怎么打
鳊鱼怎么做好吃
猜你喜欢
周公解梦大全
扁桃体炎怎么办
增肥方法
balloon怎么读音
世界观和方法论
亲吻视频大全
怎么兼职赚钱
白菜的做法大全家常
胡子怎么留
咸鸭蛋的腌制方法