指南生活
首页
美食营养
手工爱好
生活家居
返回
指南生活
首页
美食营养
游戏数码
手工爱好
生活家居
健康养生
运动户外
职场理财
情感交际
母婴教育
时尚美容
知识问答
生活知识
生活百科
搜索
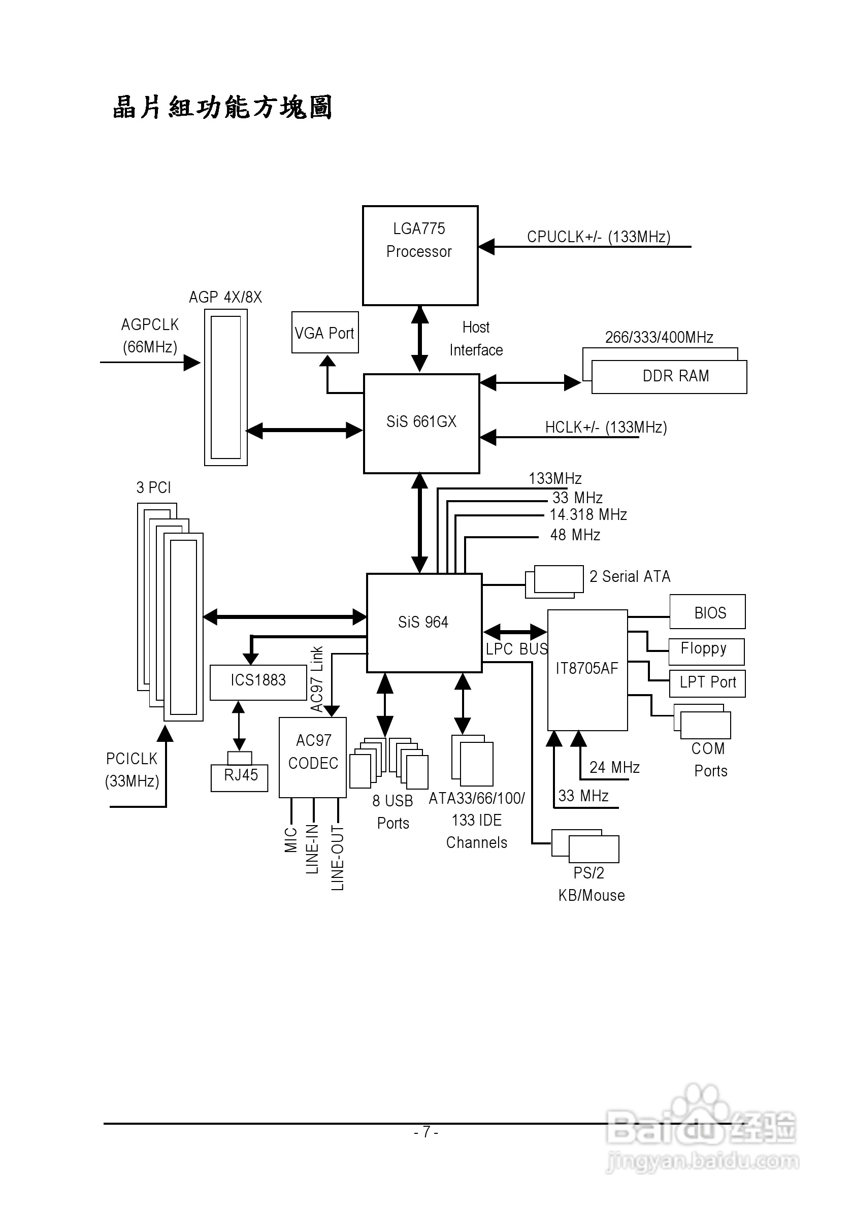
技嘉GA-8S661GXM-775型主板说明书:[1]
2026-05-02 15:28:37
本篇为《技嘉GA-8S661GXM-775型主板说明书》,主要介绍该产品的使用方法以及常见故障解决方案。
(共篇)
下一篇:
声明:
本网站引用、摘录或转载内容仅供网站访问者交流或参考,不代表本站立场,如存在版权或非法内容,请联系站长删除,联系邮箱:site.kefu@qq.com。
相关推荐
技嘉GA-8S661GXM-775 (Rev 1.x)型主板说明书:[1]
阅读量:32
技嘉GA-8S661GXM-775 (Rev 1.x)型主板说明书:[7]
阅读量:160
技嘉GA-8S661GXM-775 (Rev 2.0)型主板说明书:[7]
阅读量:130
技嘉主板bios升级教程
阅读量:107
技嘉主板如何设置内存频率
阅读量:70
猜你喜欢
坐月子便秘怎么办
枇杷膏怎么做
金戈效果怎么样
地线怎么接
肾结晶是怎么回事
暖气不热怎么办
宝宝受凉呕吐怎么办
中度宫颈糜烂怎么治疗
微信怎么发视频
林肯怎么样
猜你喜欢
怎么变瘦
脸上有斑怎么办
右膝盖疼是怎么回事
怎么去除口臭
眼睛怕光是怎么回事
艾滋病是怎么产生的
牙齿松动疼痛怎么办
cad怎么算面积
手机发烫了怎么解决
小米手机怎么连接电脑