指南生活
首页
美食营养
手工爱好
生活家居
返回
指南生活
首页
美食营养
游戏数码
手工爱好
生活家居
健康养生
运动户外
职场理财
情感交际
母婴教育
时尚美容
知识问答
生活知识
搜索
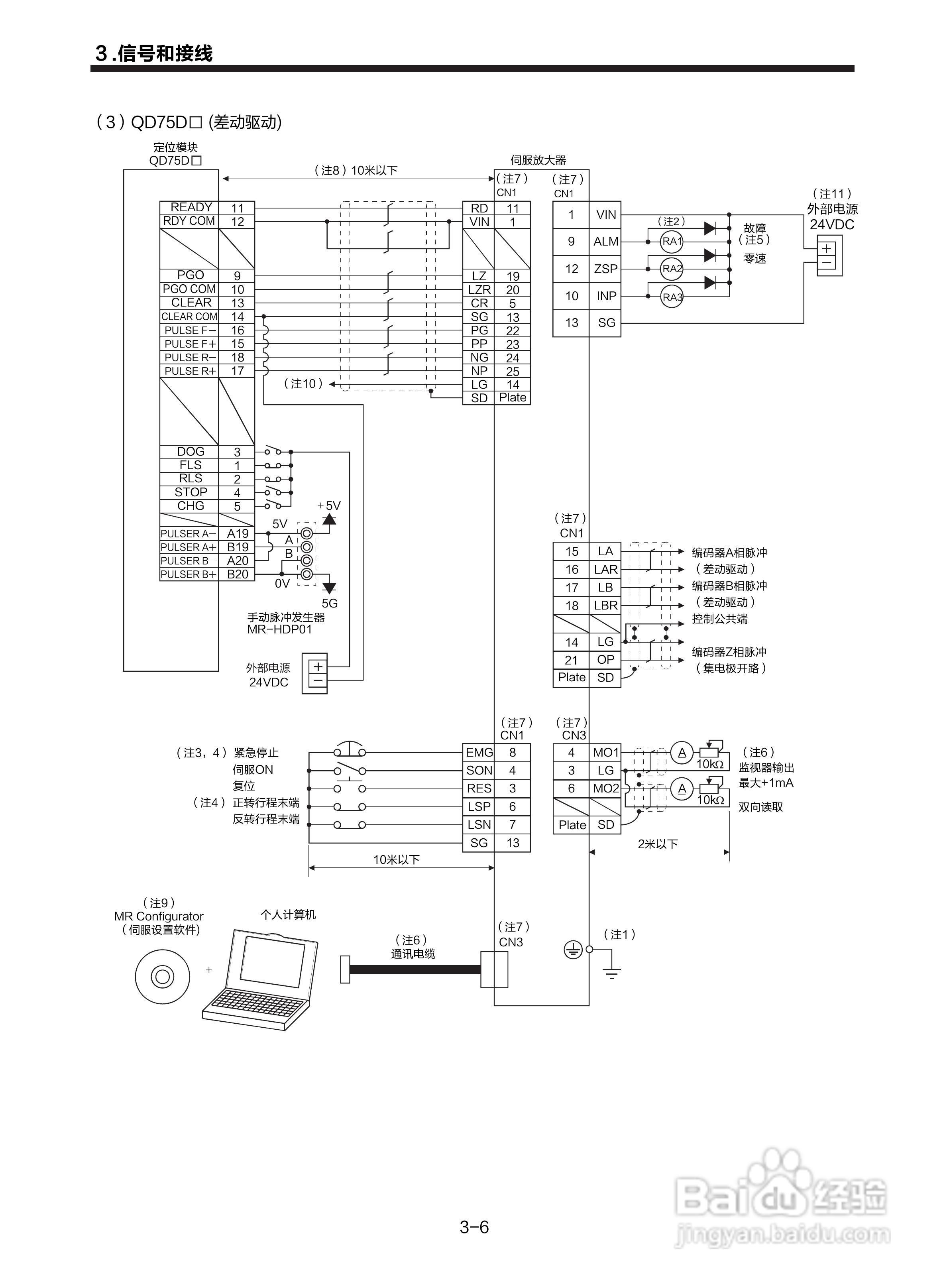
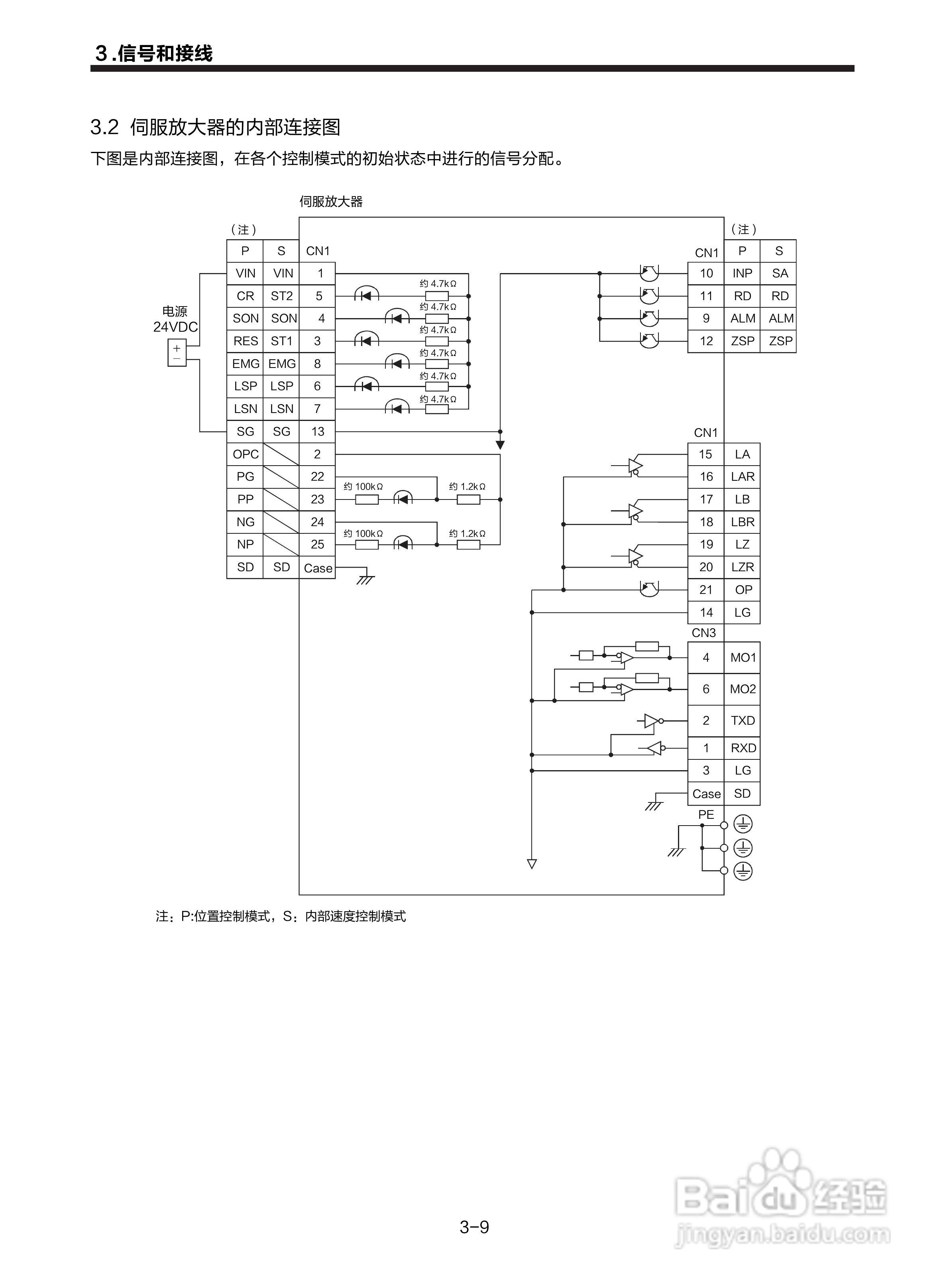
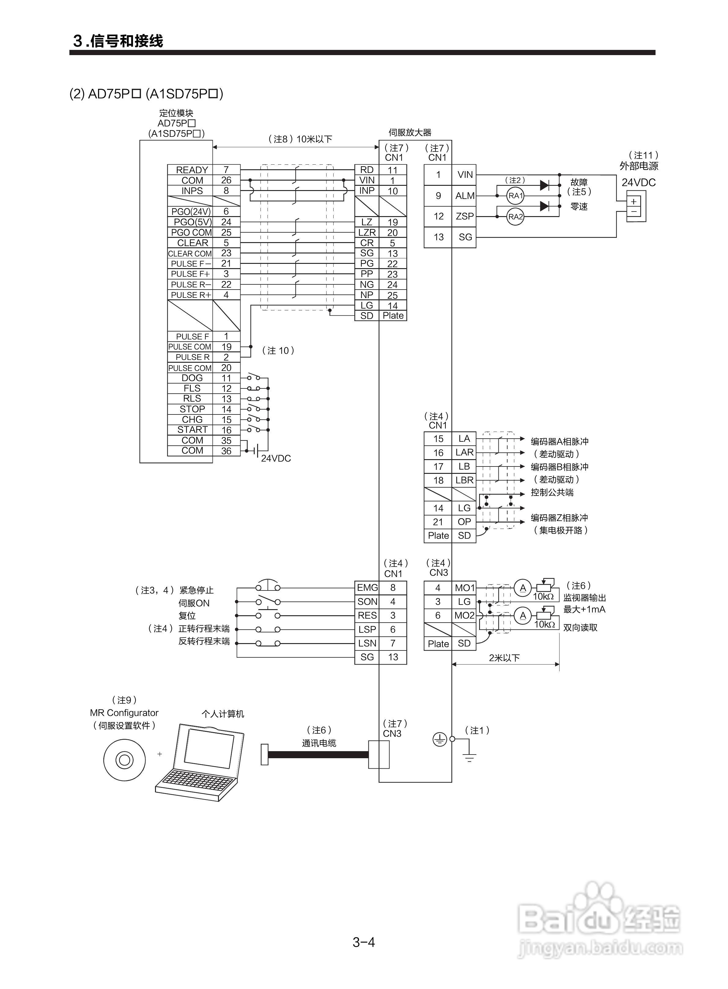
三菱 MR-E-□A-KH003 MR-E-□AG-KH003通用交流伺服接:[4]
2026-02-26 20:33:25
本篇为《三菱 MR-E-□A-KH003 MR-E-□AG-KH003通用交流伺服接》,主要介绍该产品的使用方法以及常见故障解决方案。
(共篇)
上一篇:
|
下一篇:
声明:
本网站引用、摘录或转载内容仅供网站访问者交流或参考,不代表本站立场,如存在版权或非法内容,请联系站长删除,联系邮箱:site.kefu@qq.com。
相关推荐
三菱 MR-E-□A-KH003 MR-E-□AG-KH003通用交流伺服接:[16]
阅读量:86
三菱 MR-E-□A-KH003 MR-E-□AG-KH003通用交流伺服接:[20]
阅读量:121
三菱plc红绿灯设计
阅读量:103
三菱 MR-E-□A-KH003 MR-E-□AG-KH003通用交流伺服接:[22]
阅读量:146
三菱 MR-E-□A-KH003 MR-E-□AG-KH003通用交流伺服接:[25]
阅读量:142
猜你喜欢
生理盐水怎么配
咽喉炎怎么治疗
前列腺炎怎么引起的
鱼线怎么绑在鱼竿上
张艺谋为什么不娶巩俐
轮胎型号怎么看
骉怎么读
肺积水是怎么引起的
花呗怎么还款
麻婆豆腐的做法大全
猜你喜欢
泰拉瑞亚骷髅王怎么打
油爆大虾的家常做法
勺子用英语怎么说
湿气重怎么调理
凉面条的做法
wifi连接上不能上网怎么办
西葫芦怎么做好吃
孟晚舟为什么不姓任
拉肚子拉水怎么办
怎么确认自己患仰郁症