指南生活
首页
美食营养
手工爱好
生活家居
返回
指南生活
首页
美食营养
游戏数码
手工爱好
生活家居
健康养生
运动户外
职场理财
情感交际
母婴教育
时尚美容
知识问答
生活知识
生活百科
搜索
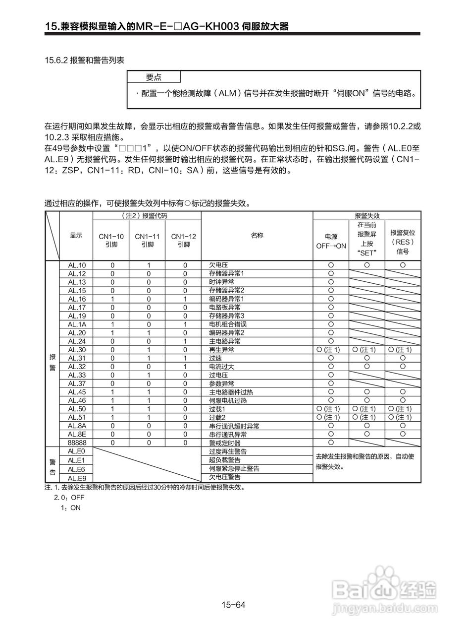
三菱 MR-E-□A-KH003 MR-E-□AG-KH003通用交流伺服接:[33]
2026-04-03 10:18:10
本篇为《三菱 MR-E-□A-KH003 MR-E-□AG-KH003通用交流伺服接》,主要介绍该产品的使用方法以及常见故障解决方案。
(共篇)
上一篇:
声明:
本网站引用、摘录或转载内容仅供网站访问者交流或参考,不代表本站立场,如存在版权或非法内容,请联系站长删除,联系邮箱:site.kefu@qq.com。
相关推荐
三菱 MR-E-□A-KH003 MR-E-□AG-KH003通用交流伺服接:[30]
阅读量:28
三菱 MR-E-□A-KH003 MR-E-□AG-KH003通用交流伺服接:[17]
阅读量:45
三菱plc红绿灯设计
阅读量:193
三菱 MR-E-□A-KH003 MR-E-□AG-KH003通用交流伺服接:[22]
阅读量:87
三菱 MR-E-□A-KH003 MR-E-□AG-KH003通用交流伺服接:[28]
阅读量:145
猜你喜欢
感觉是什么
dictionary是什么意思
balloon什么意思
最高法院院长是什么级别
次世代是什么意思
opera什么意思
维生素c什么时候吃好
五四运动精神
财产公证需要什么手续
jojo是什么意思
猜你喜欢
什么是十进制计数法
junk是什么意思
什么牌子洗面奶好用
冗长是什么意思
北瓜是什么
房子什么朝向最好
什么是命
两后生是什么意思
益生菌什么牌子好
齐白石最擅长画什么