指南生活
首页
美食营养
手工爱好
生活家居
返回
指南生活
首页
美食营养
游戏数码
手工爱好
生活家居
健康养生
运动户外
职场理财
情感交际
母婴教育
时尚美容
知识问答
生活知识
生活百科
搜索
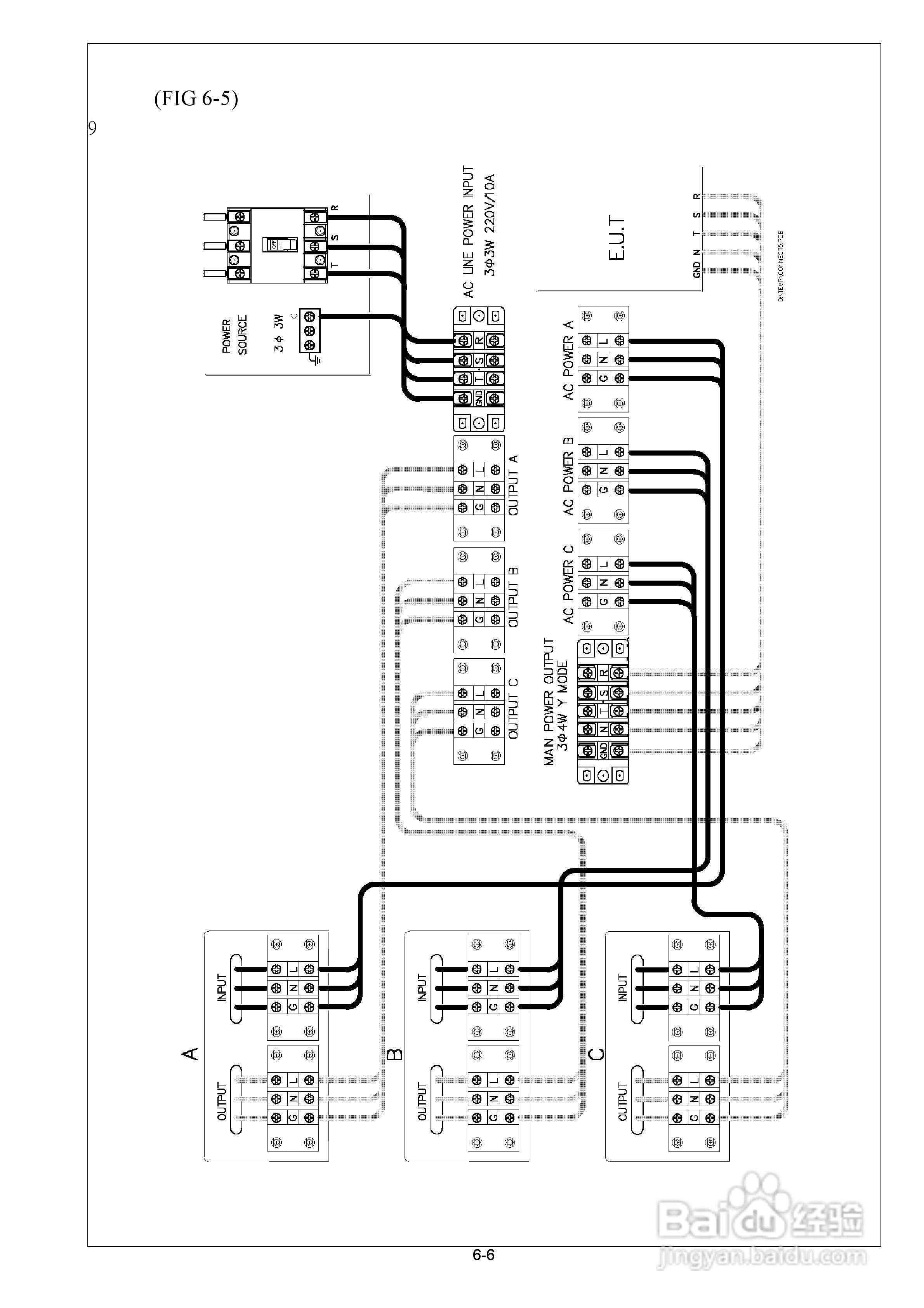
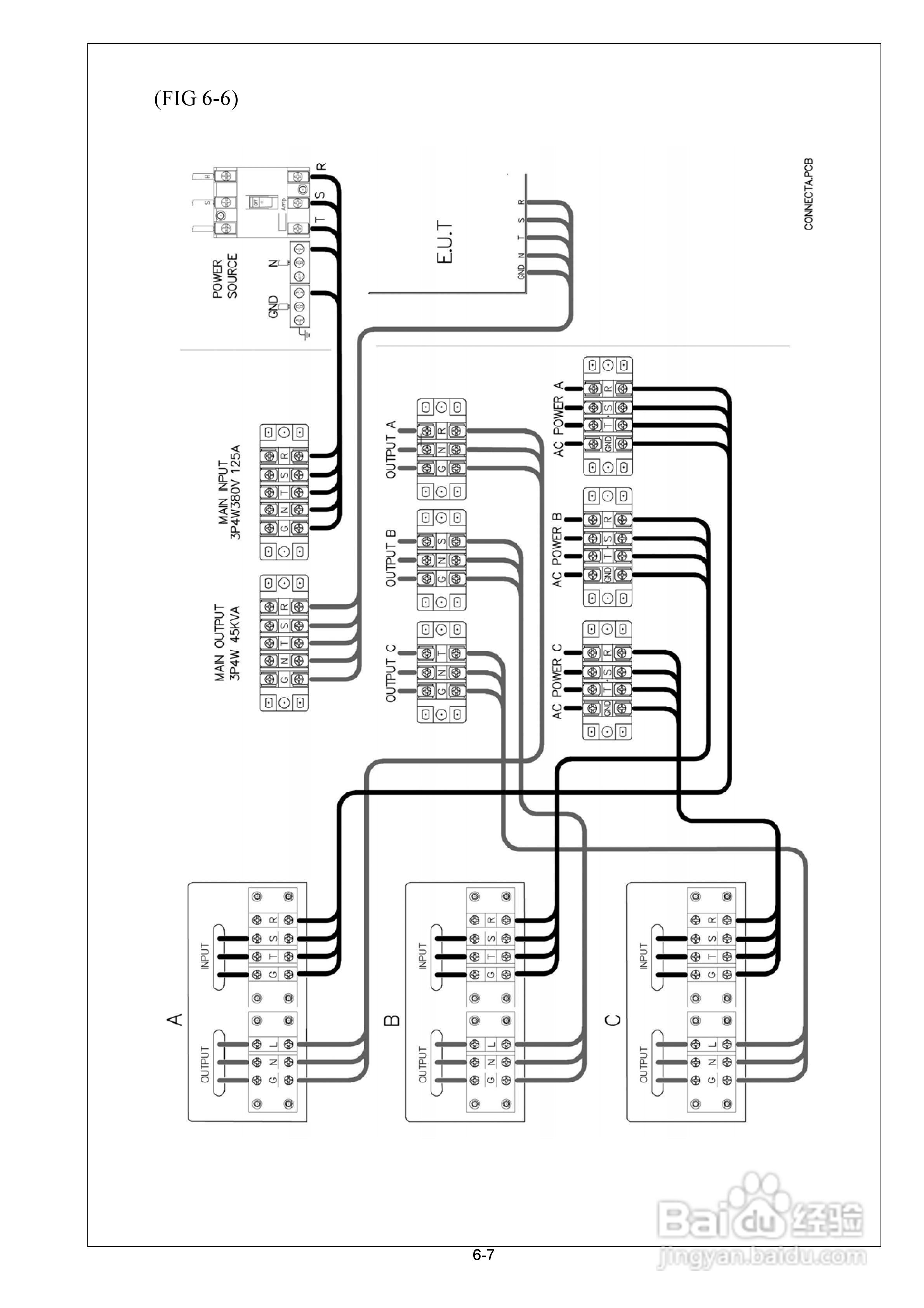
CF 系列三相控制器操作手册:[2]
2026-05-21 20:10:46
本篇为《CF 系列三相控制器操作手册》,主要介绍该产品的使用方法以及常见故障解决方案。
(共篇)
上一篇:
声明:
本网站引用、摘录或转载内容仅供网站访问者交流或参考,不代表本站立场,如存在版权或非法内容,请联系站长删除,联系邮箱:site.kefu@qq.com。
相关推荐
Pcon PCON-C/CG/CF 控制器定位型使用说明书:[4]
阅读量:135
Pcon PCON-C/CG/CF 控制器定位型使用说明书:[19]
阅读量:140
Pcon PCON-C/CG/CF 控制器定位型使用说明书:[10]
阅读量:122
控制器暂停功能的实现步骤
阅读量:123
Pcon PCON-C/CG/CF 控制器定位型使用说明书:[5]
阅读量:49
猜你喜欢
头晕出虚汗怎么回事
狐狸毛领怎么洗
家常红烧肉的做法
承重墙怎么看
开心消消乐攻略
红烧鱼的家常做法
普陀山自助游攻略
快手怎么录长视频
晚上吃什么减肥
海尔电热水器怎么样
猜你喜欢
减肥晚餐吃什么水果
空之轨迹fc攻略
老年人腿疼怎么办
西樵山攻略
红烧素鸡
黄河水利职业技术学院怎么样
胡莱三国攻略
同性性行为怎么做
床虫怎么消灭
中医针灸减肥