指南生活
首页
美食营养
手工爱好
生活家居
返回
指南生活
首页
美食营养
游戏数码
手工爱好
生活家居
健康养生
运动户外
职场理财
情感交际
母婴教育
时尚美容
知识问答
生活知识
搜索
欧瑞传动EC2000-0150T3变频器使用说明书:[2]
2025-12-17 03:20:28
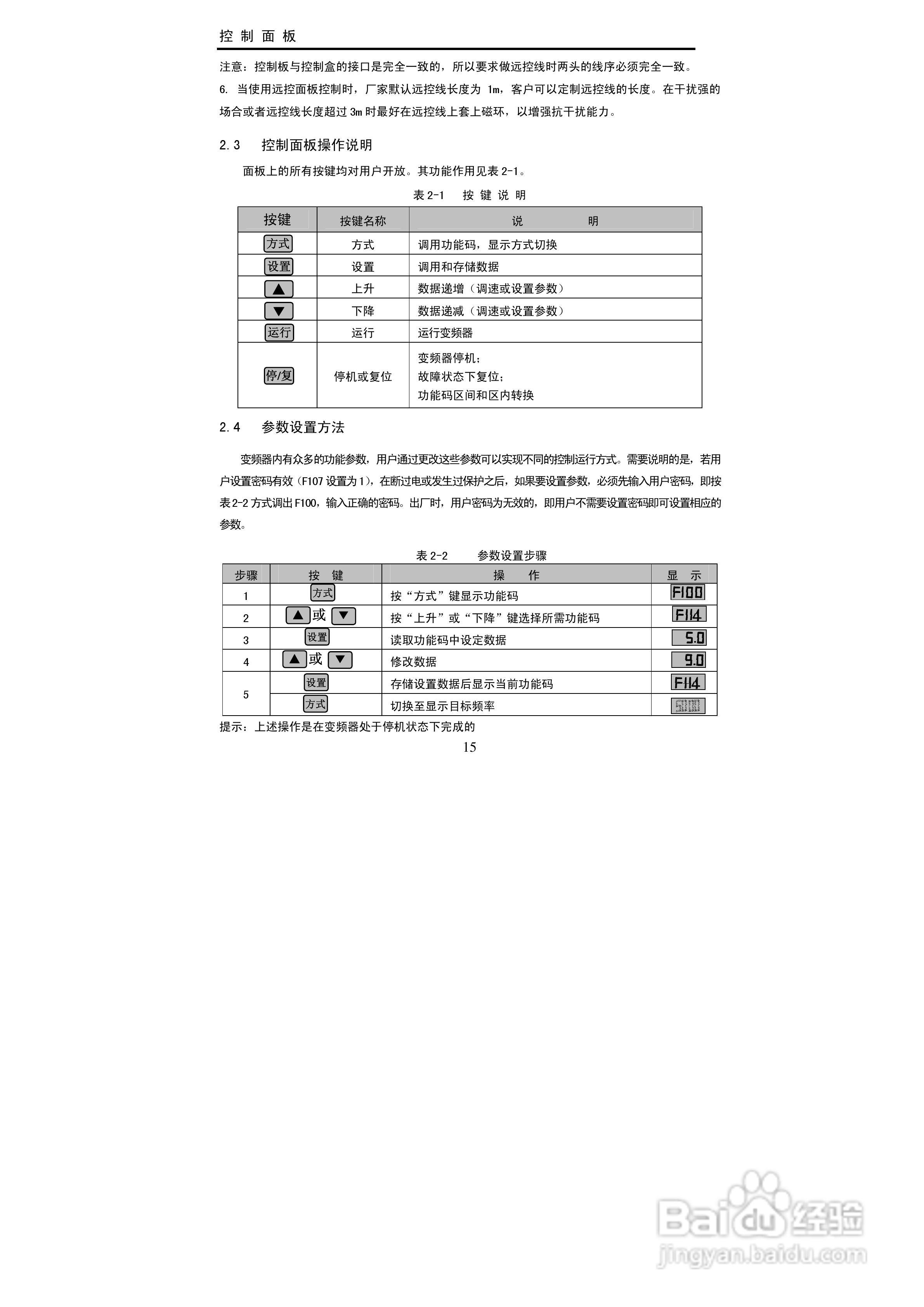
本篇为《欧瑞传动EC2000-0150T3变频器使用说明书》,主要介绍该产品的使用方法以及常见故障解决方案。
(共篇)
上一篇:
|
下一篇:
声明:
本网站引用、摘录或转载内容仅供网站访问者交流或参考,不代表本站立场,如存在版权或非法内容,请联系站长删除,联系邮箱:site.kefu@qq.com。
相关推荐
欧瑞传动EC2000-0150T3变频器使用说明书:[10]
阅读量:125
欧瑞传动EPS2000-2500T3C变频器使用说明书:[3]
阅读量:158
欧瑞QC2000-4500T3变频器使用说明书:[2]
阅读量:183
欧瑞传动XS1000-0300T3变频器使用说明书:[2]
阅读量:196
使用说明书封面怎么做
阅读量:112
猜你喜欢
come是什么意思
250是什么意思
求嗣是什么意思
11月16日是什么星座
他项权证是什么意思
swag是什么意思
while是什么意思
期货是什么
焦距是什么意思
蝉联是什么意思
猜你喜欢
什么是白带
单纯是什么意思
ws是什么意思
无症状感染者是什么意思
曼巴精神是什么意思
小马过河告诉我们什么道理
鹅蛋脸适合什么刘海
现汇是什么意思
额头窄适合什么发型
valentine s day是什么意思