指南生活
首页
美食营养
手工爱好
生活家居
返回
指南生活
首页
美食营养
游戏数码
手工爱好
生活家居
健康养生
运动户外
职场理财
情感交际
母婴教育
时尚美容
知识问答
生活知识
搜索
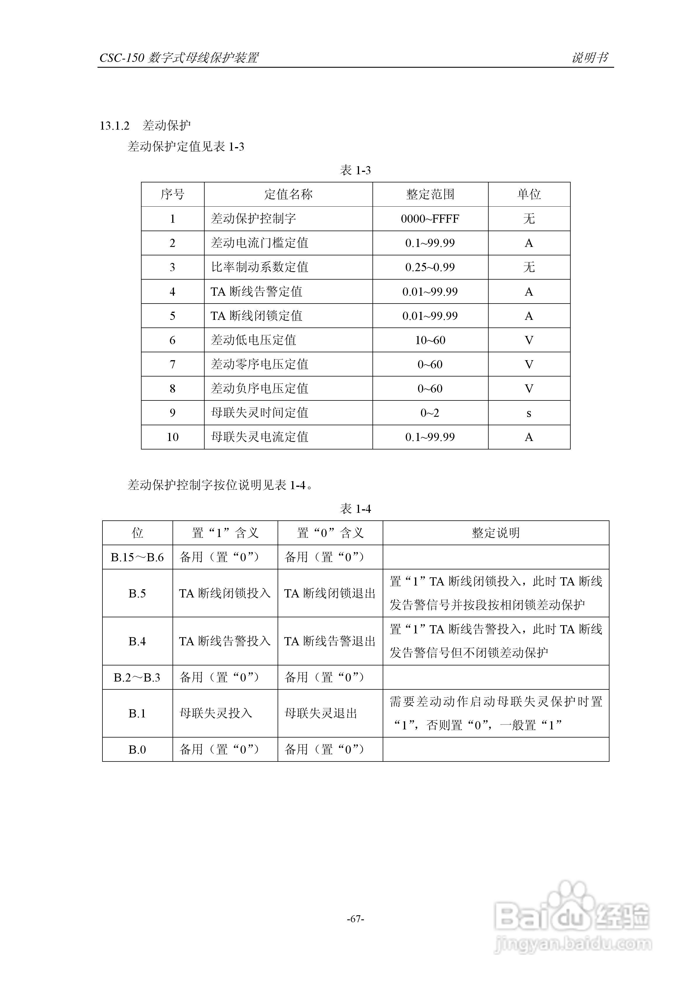
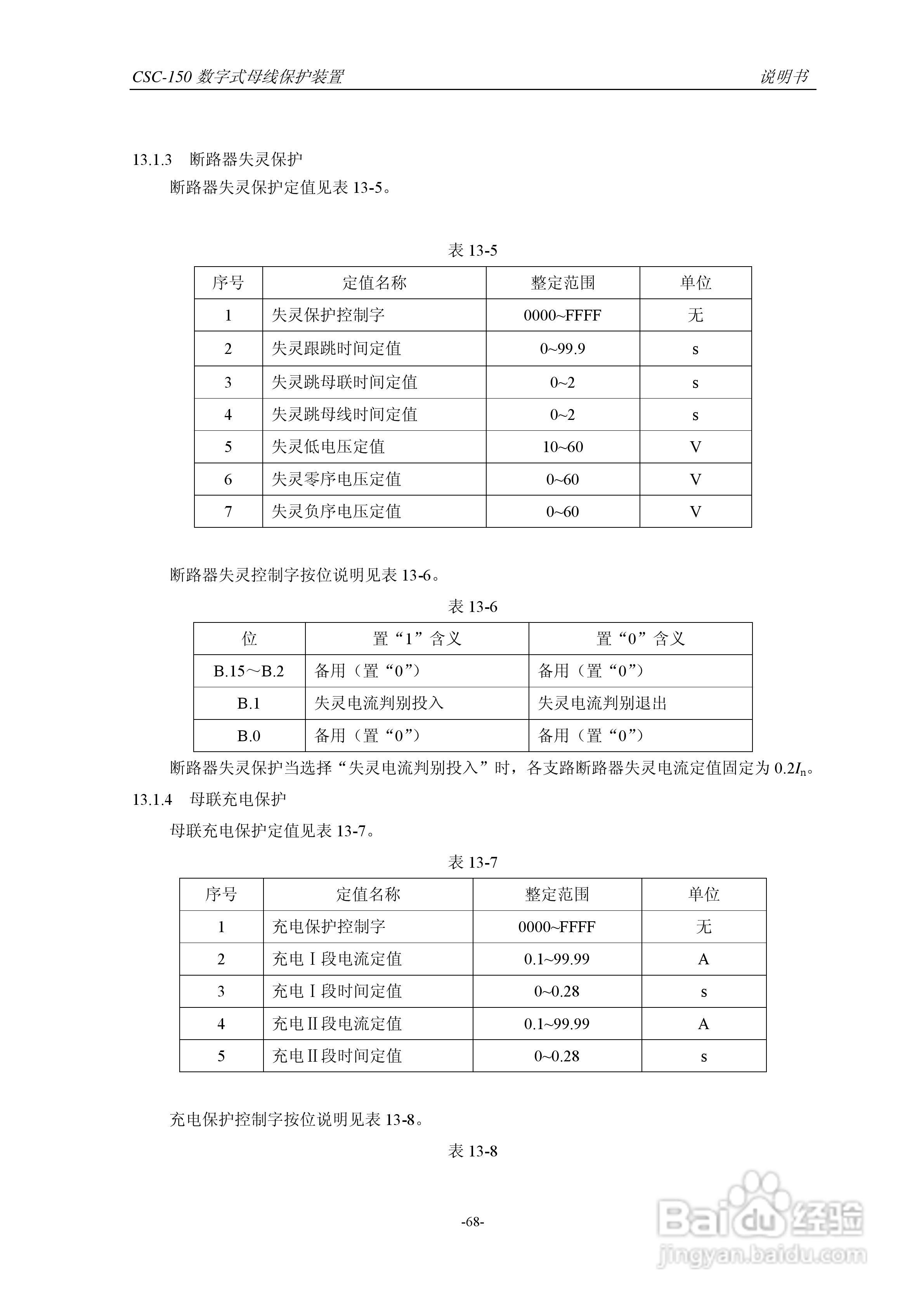
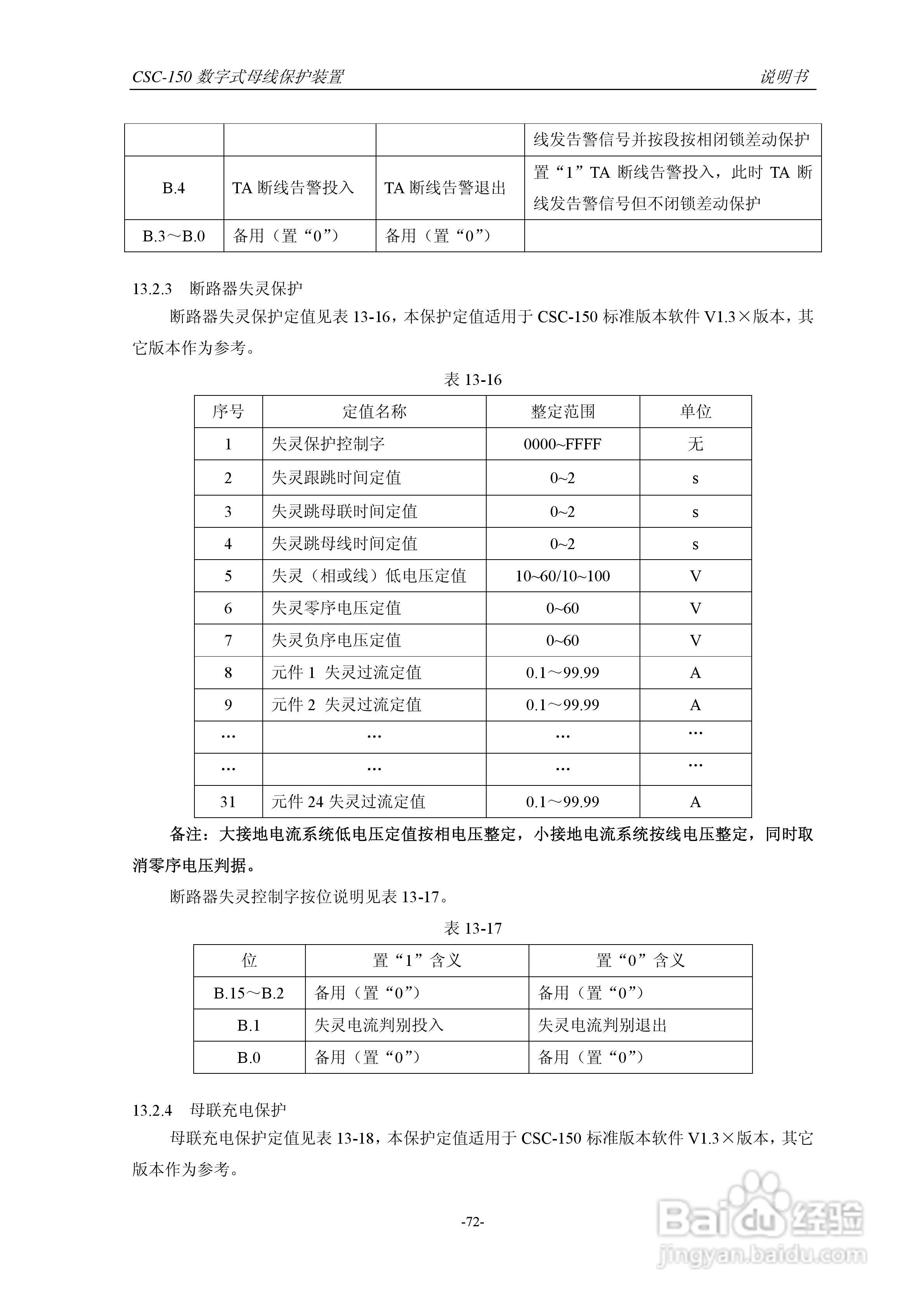
四方CSC-150数字式母线保护装置说明书:[8]
2025-12-06 17:47:54
本篇为《四方CSC-150数字式母线保护装置说明书》,主要介绍该产品的使用方法以及常见故障解决方案。
(共篇)
上一篇:
|
下一篇:
声明:
本网站引用、摘录或转载内容仅供网站访问者交流或参考,不代表本站立场,如存在版权或非法内容,请联系站长删除,联系邮箱:site.kefu@qq.com。
相关推荐
四方CSC-150数字式母线保护装置说明书:[9]
阅读量:166
四方CSC-150数字式母线保护装置说明书:[4]
阅读量:193
四方CSC-163T数字式线路保护装置说明书:[8]
阅读量:85
四方CSC-163T数字式线路保护装置说明书:[9]
阅读量:38
母线搭接方式
阅读量:139
猜你喜欢
砼是什么意思
人防车位是什么意思
什么的雨
潜水是什么意思
ta是什么意思
10月1日是什么星座
什么的树木
普罗米修斯是什么神
路由器什么牌子好
委婉是什么意思
猜你喜欢
排骨炖什么好吃又有营养
榻榻米是什么
抖m是什么意思
5月27日是什么星座
什么是上升星座
bob是什么意思
什么的柳条
7月4日是什么星座
小腹胀痛是什么原因
车辆损失险是什么意思