指南生活
首页
美食营养
手工爱好
生活家居
返回
指南生活
首页
美食营养
游戏数码
手工爱好
生活家居
健康养生
运动户外
职场理财
情感交际
母婴教育
时尚美容
知识问答
生活知识
生活百科
搜索
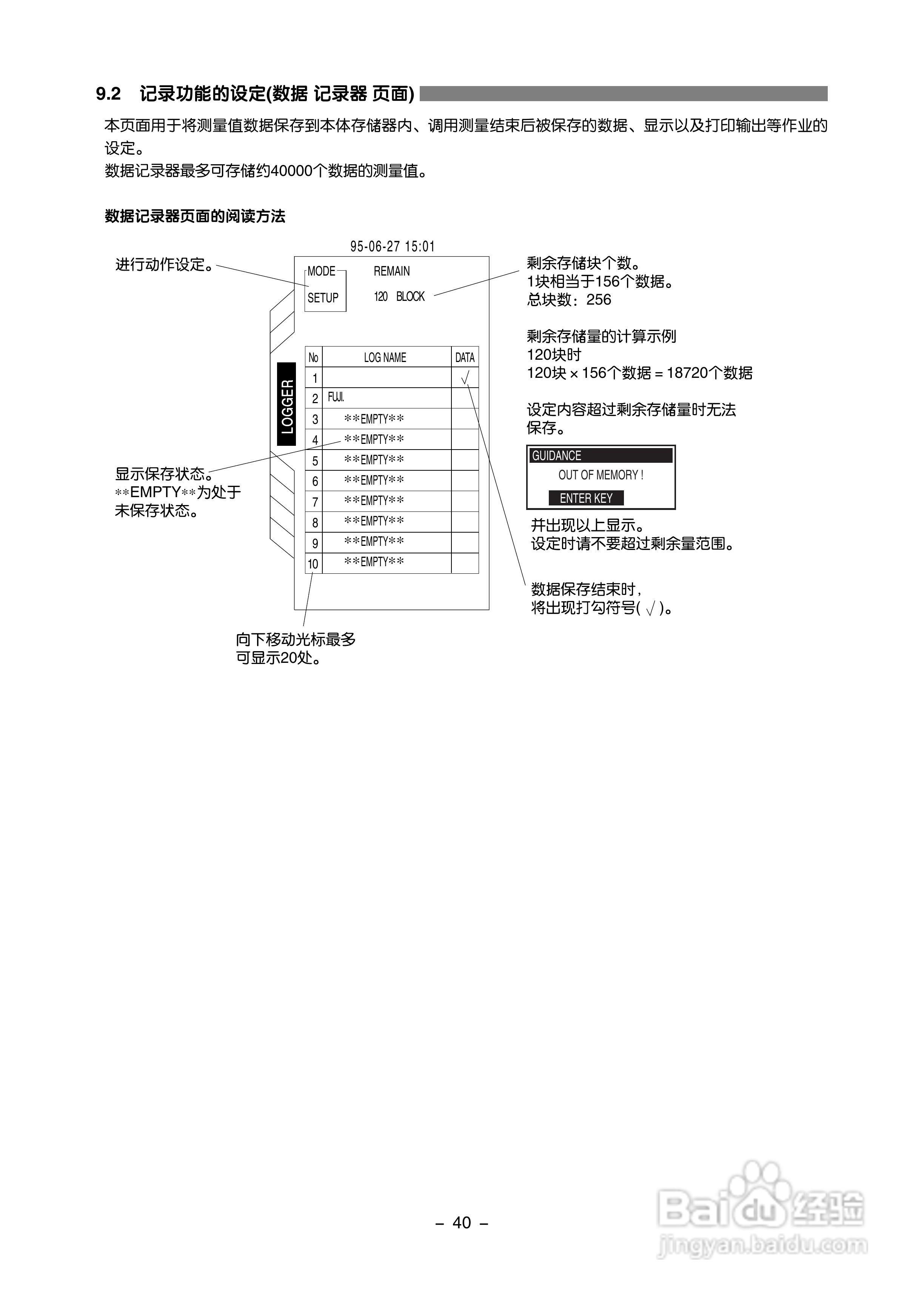
富士电机FLD-1便携式超声波流量计说明书:[5]
2026-04-19 03:31:06
本篇为《富士电机FLD-1便携式超声波流量计说明书》,主要介绍该产品的使用方法以及常见故障解决方案。
(共篇)
上一篇:
|
下一篇:
声明:
本网站引用、摘录或转载内容仅供网站访问者交流或参考,不代表本站立场,如存在版权或非法内容,请联系站长删除,联系邮箱:site.kefu@qq.com。
相关推荐
富士电机FLD-1便携式超声波流量计说明书:[1]
阅读量:116
富士电机FLD-1便携式超声波流量计说明书:[3]
阅读量:20
超声波流量计使用方法
阅读量:38
富士电机FLD-1便携式超声波流量计说明书:[2]
阅读量:112
富士电机FLD-1便携式超声波流量计说明书:[8]
阅读量:99
猜你喜欢
石象湖什么时候去最好
身体湿气重什么症状
北京后海有什么好玩的
祝新婚快乐的祝福语
天津验车需要带什么
18度的天气穿什么
轩辕传奇什么职业厉害
ap隔离什么意思
风马牛不相及的意思
银行股涨意味着什么
猜你喜欢
得陇望蜀的意思
椭圆机什么牌子好
周末愉快祝福语
立夏是什么意思
什么笔记本玩游戏最好
做淘宝美工要学什么
primary是什么意思
变速车什么牌子的好
伏天从什么时候开始
厂庆祝福语