HTGZ-H全自动互感器校验装置的测试接线图
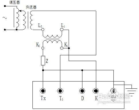
1、电流互感器校电流互感器接线

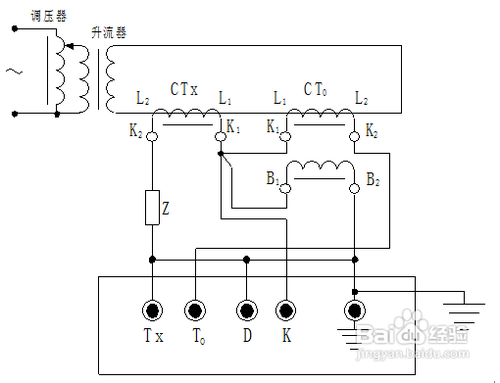
2、电流互感器自校接线

3、双级电流互感器校电流互感器

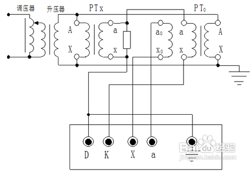
4、电压互感器校电压互感器接线

5、双级电压互感器校电压互感器

6、电压互感器自校接线

7、电压互感器校电压互感器接线图(高电位端测量接线方法)

8、测量阻抗
注意:测量阻抗时务必等调压器回零后再变换负载值.否则将危及仪器及设备安全

9、测量导纳

声明:本网站引用、摘录或转载内容仅供网站访问者交流或参考,不代表本站立场,如存在版权或非法内容,请联系站长删除,联系邮箱:site.kefu@qq.com。
阅读量:126
阅读量:148
阅读量:158
阅读量:155
阅读量:170