指南生活
首页
美食营养
手工爱好
生活家居
返回
指南生活
首页
美食营养
游戏数码
手工爱好
生活家居
健康养生
运动户外
职场理财
情感交际
母婴教育
时尚美容
知识问答
生活知识
搜索
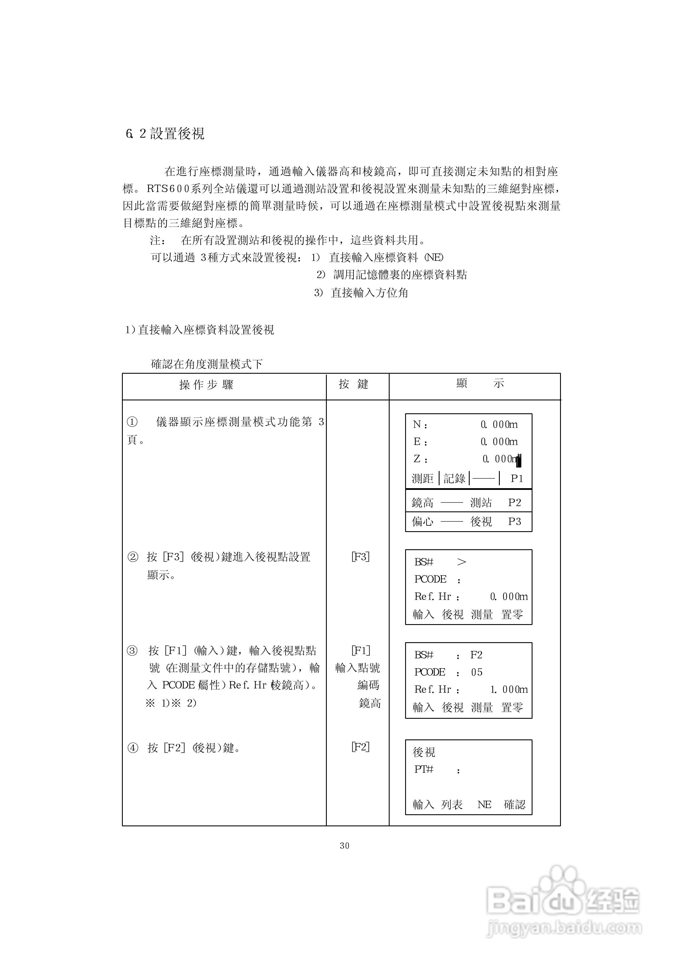
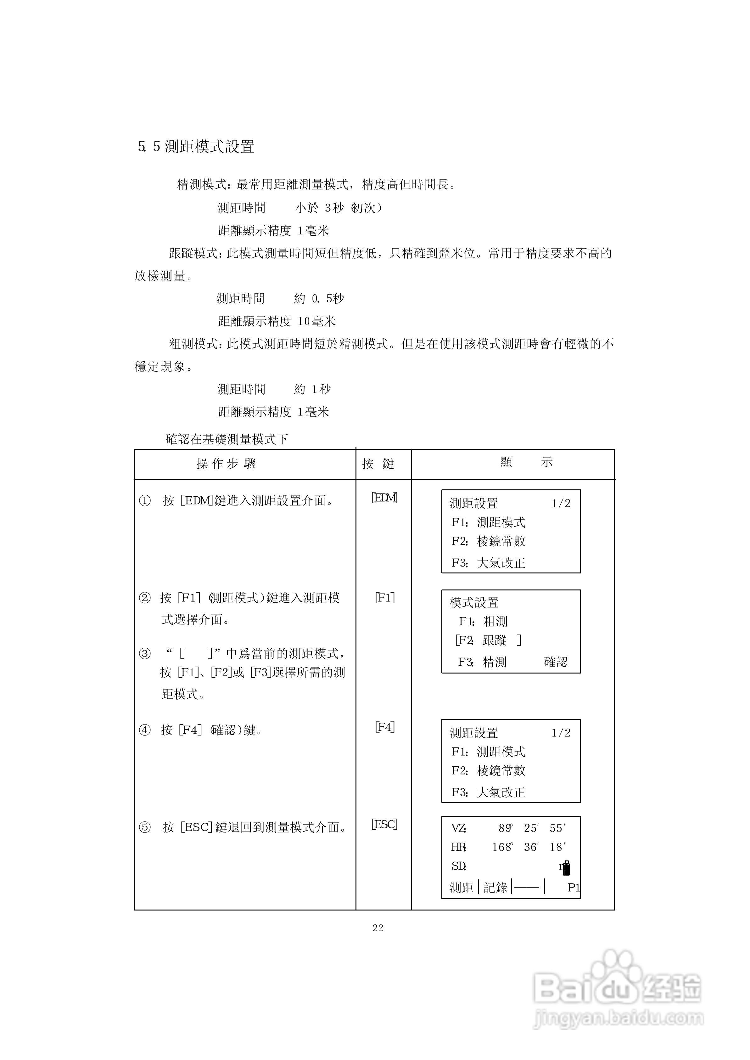
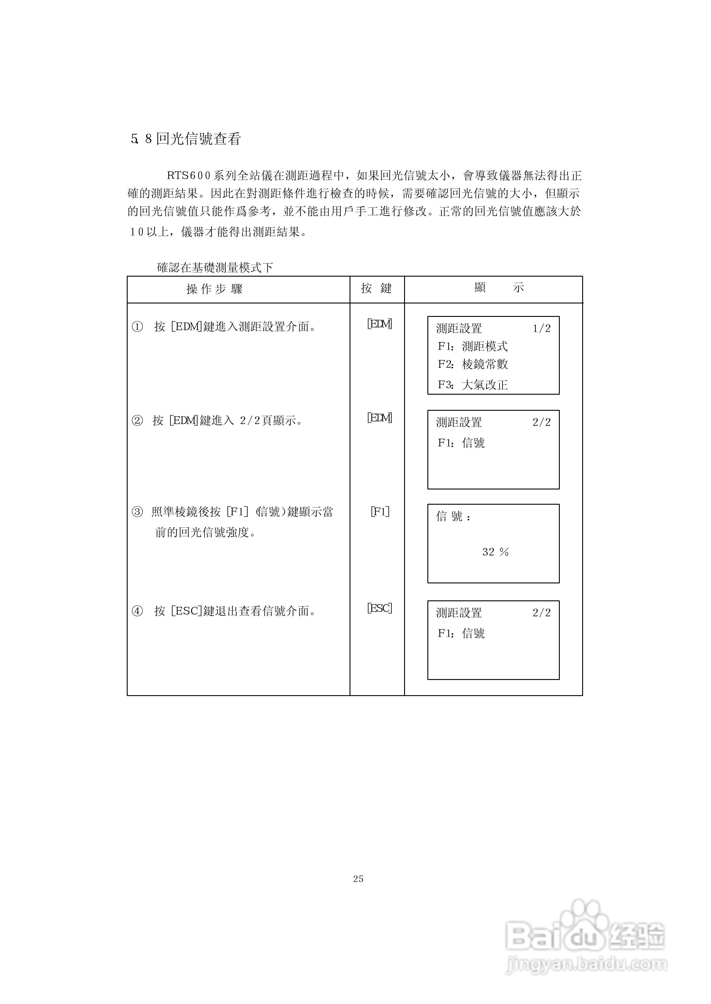
上煇RTS-630全站仪说明书:[4]
2026-01-03 17:07:39
本篇为《上煇RTS-630全站仪说明书》,主要介绍该产品的使用方法以及常见故障解决方案。
(共篇)
上一篇:
|
下一篇:
声明:
本网站引用、摘录或转载内容仅供网站访问者交流或参考,不代表本站立场,如存在版权或非法内容,请联系站长删除,联系邮箱:site.kefu@qq.com。
相关推荐
上煇RTS-630全站仪说明书:[14]
阅读量:75
上煇RTS-630全站仪说明书:[12]
阅读量:182
全站仪使用方法
阅读量:195
全站仪的操作技巧
阅读量:25
全站仪导线测量的方法
阅读量:138
猜你喜欢
萝莉是什么意思
盐水洗脸有什么好处
颈椎钙化是什么意思
rpm是什么意思
怀孕什么不能吃
什么是微课
according是什么意思
十万个为什么的作者
什么然自若
布鲁氏菌病是什么病
猜你喜欢
both是什么意思
simple是什么意思
万劫不复是什么意思
凌迟是什么意思
坏账准备属于什么科目
什么是分解质因数
什么是融资租赁
什么是色相
我的理想是什么
分销商是什么意思