指南生活
首页
美食营养
手工爱好
生活家居
返回
指南生活
首页
美食营养
游戏数码
手工爱好
生活家居
健康养生
运动户外
职场理财
情感交际
母婴教育
时尚美容
知识问答
生活知识
生活百科
搜索
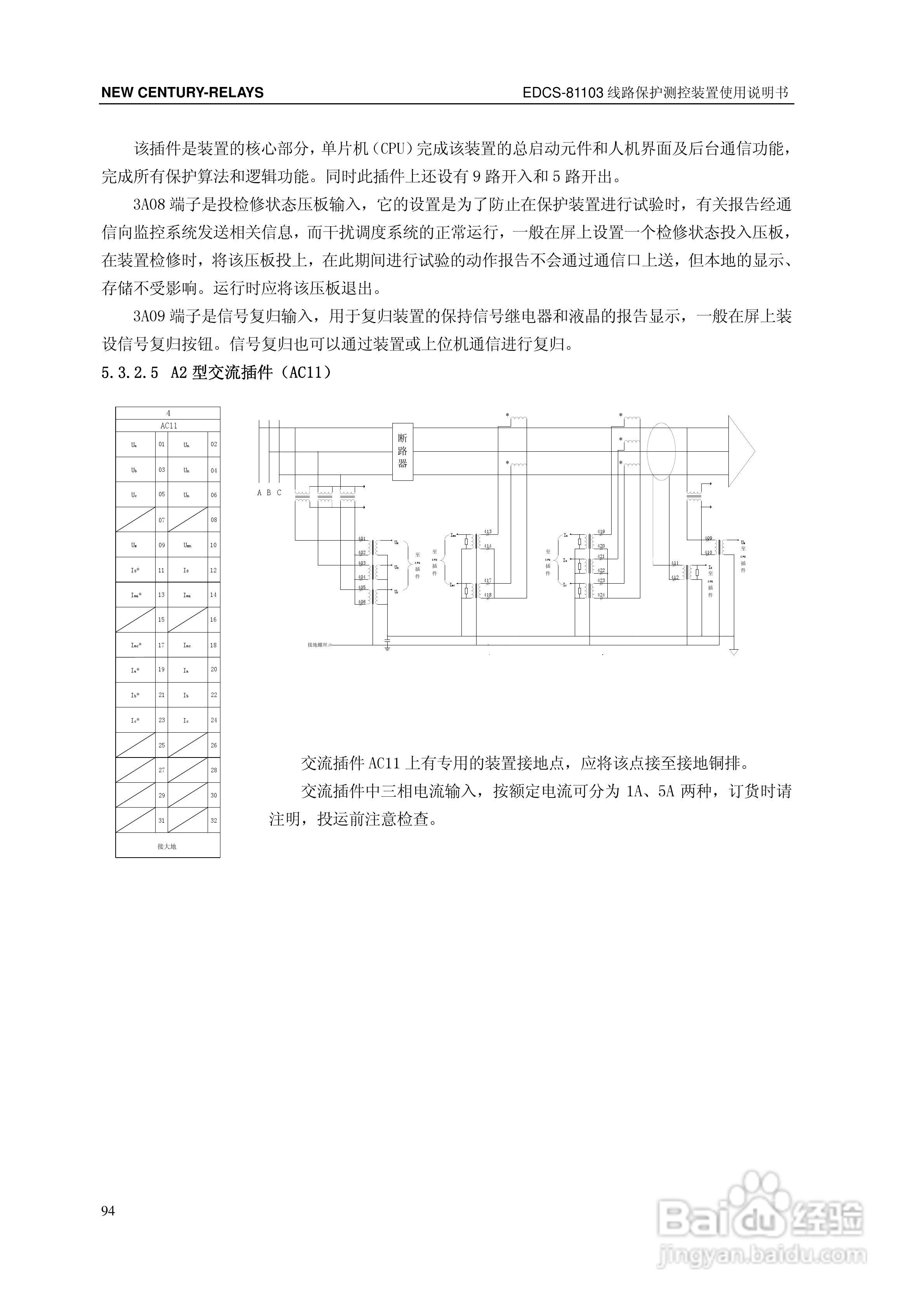
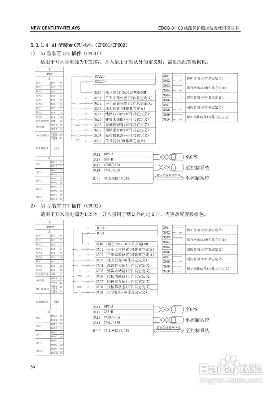
新世纪EDCS-81103线路保护测控装置说明书:[10]
2026-04-09 12:17:27
本篇为《新世纪EDCS-81103线路保护测控装置说明书》,主要介绍该产品的使用方法以及常见故障解决方案。
(共篇)
上一篇:
|
下一篇:
声明:
本网站引用、摘录或转载内容仅供网站访问者交流或参考,不代表本站立场,如存在版权或非法内容,请联系站长删除,联系邮箱:site.kefu@qq.com。
相关推荐
新世纪EDCS-81103线路保护测控装置说明书:[11]
阅读量:170
新世纪EDCS-81103线路保护测控装置说明书:[3]
阅读量:139
新世纪福音战士ol回收系统介绍
阅读量:71
新世纪EDCS-81103线路保护测控装置说明书:[5]
阅读量:63
新世纪EDCS-81103线路保护测控装置说明书:[6]
阅读量:99
猜你喜欢
毫无顾忌的意思
财产保全是什么意思
什么是田园诗
滑档是什么意思
lf是什么意思
身份证号码的数字代表什么
什么牌子的净水器最好
横膈膜的作用
谷芽的功效与作用
晖的意思
猜你喜欢
共襄盛举是什么意思
eve是什么意思
六级成绩什么时候公布
萦绕的意思
咖啡色搭配什么颜色
山核桃的功效与作用
丰富多彩的意思
lab是什么意思
柠檬片的作用
不自量力的意思