指南生活
首页
美食营养
手工爱好
生活家居
返回
指南生活
首页
美食营养
游戏数码
手工爱好
生活家居
健康养生
运动户外
职场理财
情感交际
母婴教育
时尚美容
知识问答
生活知识
搜索
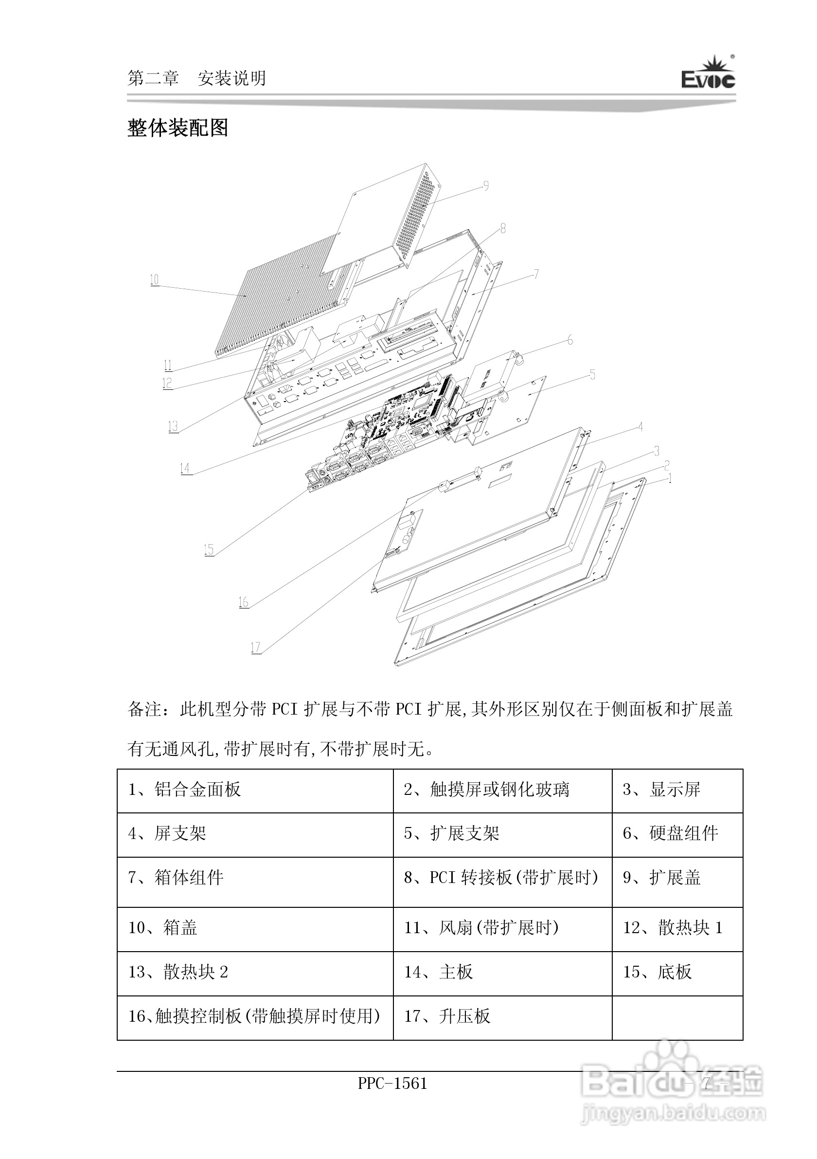
研祥PPC-1561工业平板电脑说明书:[2]
2025-12-10 01:25:23
本篇为《研祥PPC-1561工业平板电脑说明书》,主要介绍该产品的使用方法以及常见故障解决方案。
(共篇)
上一篇:
|
下一篇:
声明:
本网站引用、摘录或转载内容仅供网站访问者交流或参考,不代表本站立场,如存在版权或非法内容,请联系站长删除,联系邮箱:site.kefu@qq.com。
相关推荐
研祥PPC-1561工业平板电脑说明书:[1]
阅读量:49
研祥PPC-1005工业平板电脑说明书:[2]
阅读量:156
研祥PPC-1261工业平板电脑说明书:[2]
阅读量:71
研祥PPC-1005工业平板电脑说明书:[3]
阅读量:172
研祥PPC-1261工业平板电脑说明书:[3]
阅读量:30
猜你喜欢
什么香水好闻又持久
醋的作用与功效
运动会100米广播稿
木瓜籽的功效与作用
明矾的作用
江西有什么好玩的地方
物是人非事事休什么意思
送男友什么礼物好
藕节的功效与作用
围棋入门知识
猜你喜欢
钻石知识
胶原蛋白的功效与作用
科普小知识
beer什么意思
有趣的运动会作文
金沙石的功效与作用
什么昵称好听
知识青年上山下乡
侵犯知识产权
什么是可再生资源