指南生活
首页
美食营养
手工爱好
生活家居
返回
指南生活
首页
美食营养
游戏数码
手工爱好
生活家居
健康养生
运动户外
职场理财
情感交际
母婴教育
时尚美容
知识问答
生活知识
生活百科
搜索
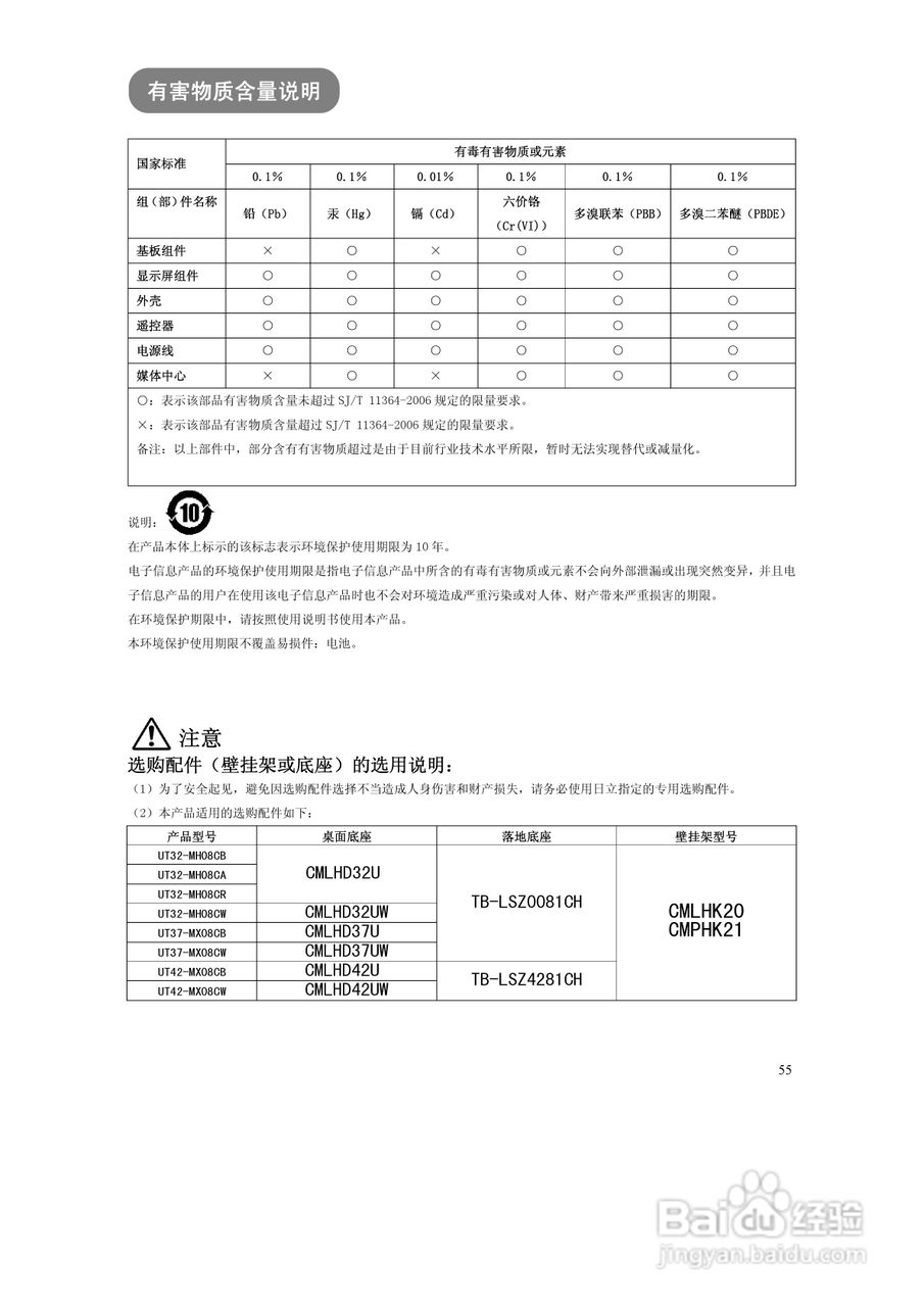
日立液晶彩色电视机UT32-MH08CB/CR/CW/CA型使用说明书:[6]
2026-04-22 14:13:42
(共篇)
上一篇:
声明:
本网站引用、摘录或转载内容仅供网站访问者交流或参考,不代表本站立场,如存在版权或非法内容,请联系站长删除,联系邮箱:site.kefu@qq.com。
相关推荐
日立液晶彩色电视机UT32-MH08CB/CR/CW/CA型使用说明书:[4]
阅读量:96
日立液晶彩色电视机UT32-MH08CB/CR/CW/CA型使用说明书:[5]
阅读量:78
日立液晶彩色电视机UT32-MH08CB/CR/CW/CA型使用说明书:[2]
阅读量:122
日立液晶彩色电视机UT32-MH08CB/CR/CW/CA型使用说明书:[1]
阅读量:59
日立液晶彩色电视机UT32-MH08CB/CR/CW/CA型使用说明书:[3]
阅读量:75
猜你喜欢
什么洗衣机性价比高
pose是什么意思
games是什么意思
小米手环支持什么手机
ons是什么意思
祝福卡
4岁宝宝学什么
羿的意思
有什么好看的美国电影
良药苦口利于病忠言逆耳利于行的意思
猜你喜欢
钓竿什么牌子好
逶迤是什么意思
朋友祝福语
视野的意思
摧枯拉朽是什么意思
气功师用什么武器
钓鱼执法是什么意思
处暑的意思
稀世珍宝的意思
脑残粉是什么意思