指南生活
首页
美食营养
手工爱好
生活家居
返回
指南生活
首页
美食营养
游戏数码
手工爱好
生活家居
健康养生
运动户外
职场理财
情感交际
母婴教育
时尚美容
知识问答
生活知识
搜索
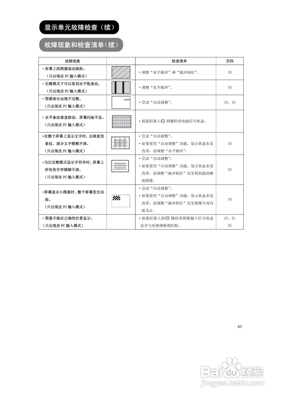
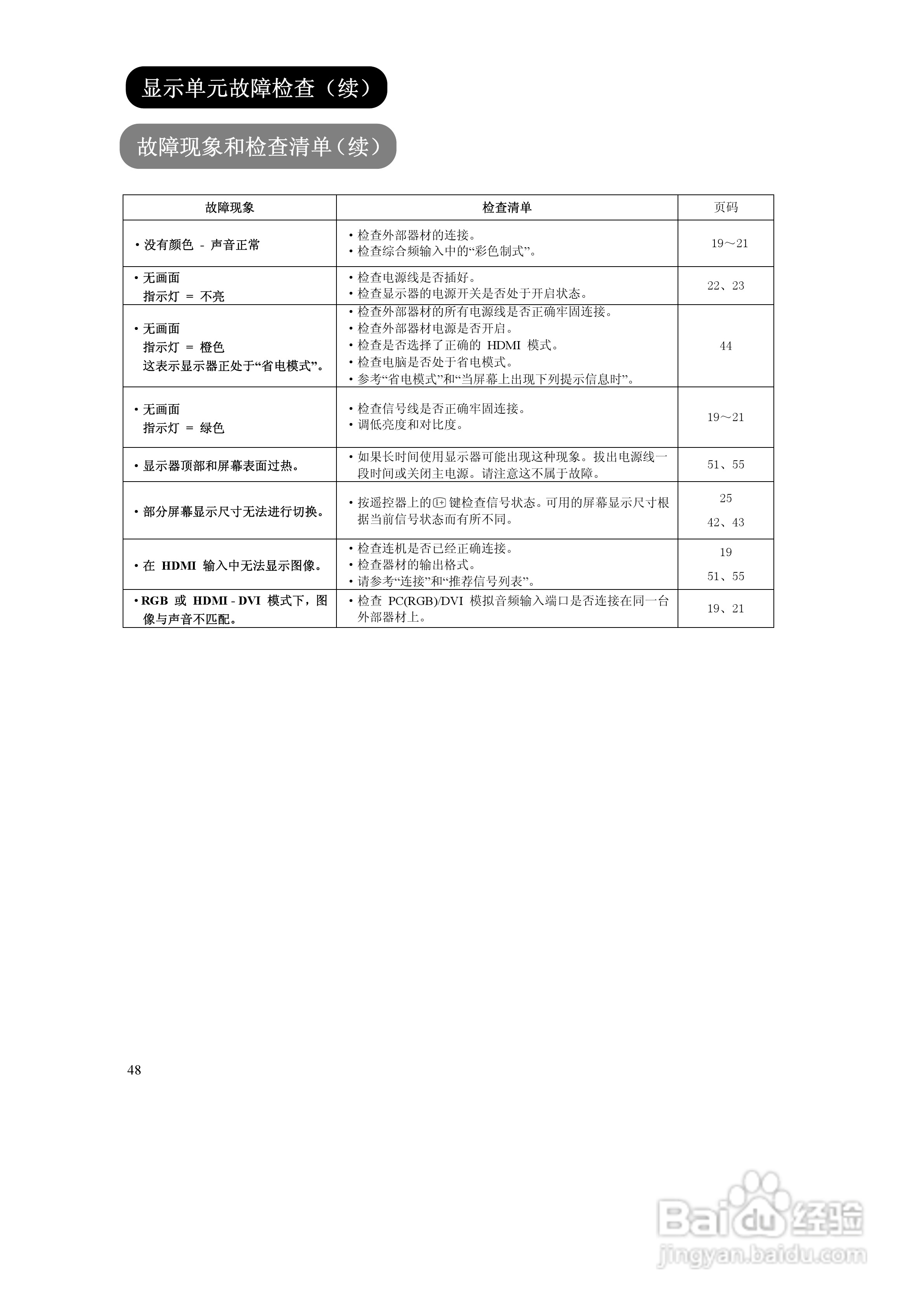
日立液晶彩色电视机UT32-MH08CB/CR/CW/CA型使用说明书:[5]
2025-11-27 23:25:16
(共篇)
上一篇:
|
下一篇:
声明:
本网站引用、摘录或转载内容仅供网站访问者交流或参考,不代表本站立场,如存在版权或非法内容,请联系站长删除,联系邮箱:site.kefu@qq.com。
相关推荐
洛阳里外,一个废弃工厂改造的艺术园区
阅读量:161
暴风影音播放器怎么去掉下载完成后显示提示窗口
阅读量:180
dota2斧王天赋该如何选择?
阅读量:149
脸上长色斑如何消除?这些祛斑细节你要知道!
阅读量:147
数控馒头机怎么样?数控馒头机该怎么选择?
阅读量:112
猜你喜欢
打呼噜怎么回事
九酷音乐网歌曲大全
手机壁纸图片大全
西安石油大学怎么样
雪佛兰开拓者怎么样
周深个人资料简介
青菜的做法大全家常
汽车装饰用品大全
win7亮度怎么调
面食的做法大全家常
猜你喜欢
黑鱼的做法大全
画架怎么安装
张亚东简介
猴子图片大全
线条画图片大全
脸上汗毛重怎么办
五音不全怎么学唱歌
海底两万里简介
房子平面图怎么画
手机无法开机怎么办