指南生活
首页
美食营养
手工爱好
生活家居
返回
指南生活
首页
美食营养
游戏数码
手工爱好
生活家居
健康养生
运动户外
职场理财
情感交际
母婴教育
时尚美容
知识问答
生活知识
生活百科
搜索
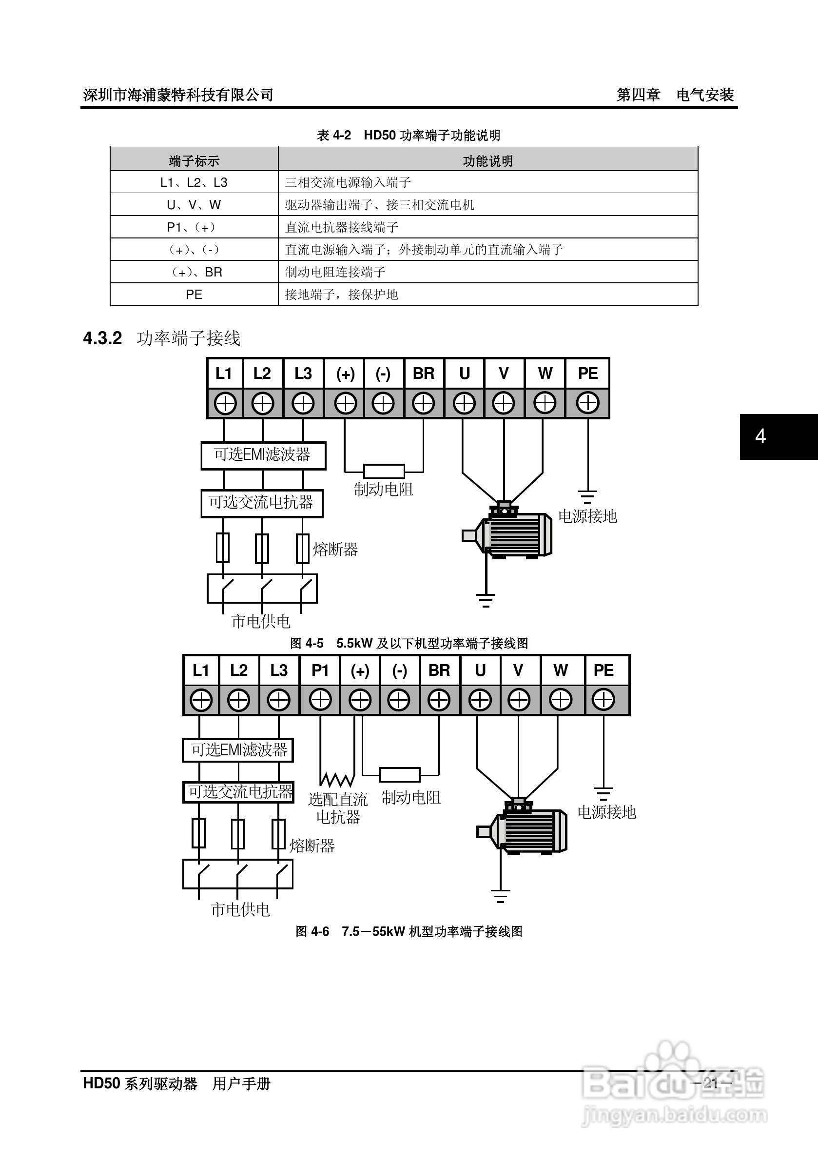
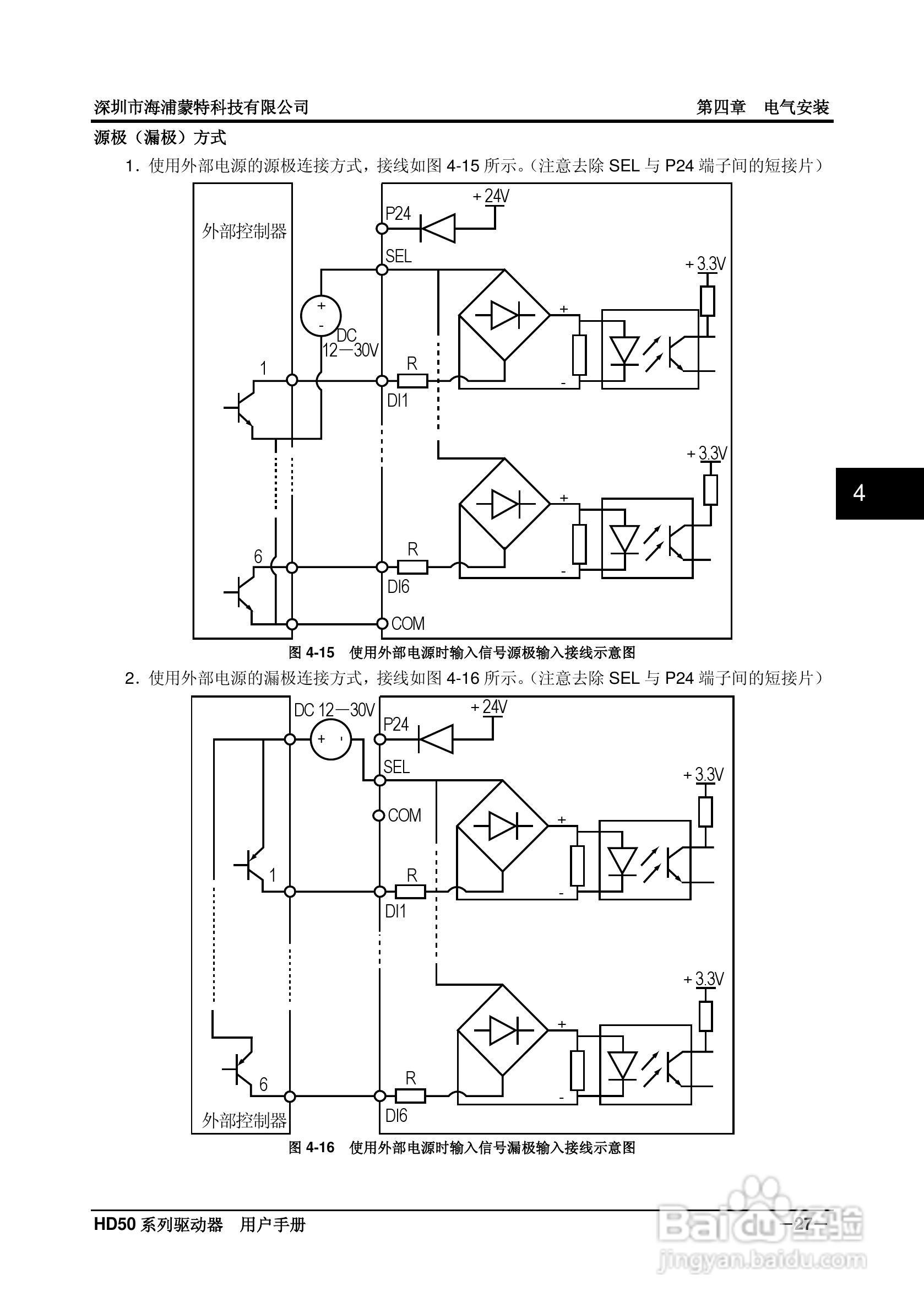
海浦蒙特HD50-6T400G高性能矢量控制驱动器用户手册:[4]
2026-03-24 10:47:50
本篇为《海浦蒙特HD50-6T400G高性能矢量控制驱动器用户手册》,主要介绍该产品的使用方法以及常见故障解决方案。
(共篇)
上一篇:
|
下一篇:
声明:
本网站引用、摘录或转载内容仅供网站访问者交流或参考,不代表本站立场,如存在版权或非法内容,请联系站长删除,联系邮箱:site.kefu@qq.com。
相关推荐
海浦蒙特HD50-6T400G高性能矢量控制驱动器用户手册:[17]
阅读量:156
海浦蒙特HD50-6T400G高性能矢量控制驱动器用户手册:[13]
阅读量:72
高性能流媒体解决方案公司
阅读量:164
高性能枪式植筋胶
阅读量:191
高性能耐腐蚀磁力泵的优缺点分析
阅读量:99
猜你喜欢
车厘子的功效与作用
中国体操运动员
防地震安全知识
五脏六腑指什么
成人高考什么时候
车前草的功效与作用及食用方法
护膝的作用
桑寄生的功效与作用
景物描写的作用
大s和小s什么关系
猜你喜欢
用盐水洗脸有什么好处
什么是虚荣心
苦丁茶的作用与功效
生理盐水的作用
参苓白术丸的功效与作用
什么牌子的冰柜好
代代花的功效与作用
stranger什么意思
什么是减数
什么是水床