指南生活
首页
美食营养
手工爱好
生活家居
返回
指南生活
首页
美食营养
游戏数码
手工爱好
生活家居
健康养生
运动户外
职场理财
情感交际
母婴教育
时尚美容
知识问答
生活知识
搜索
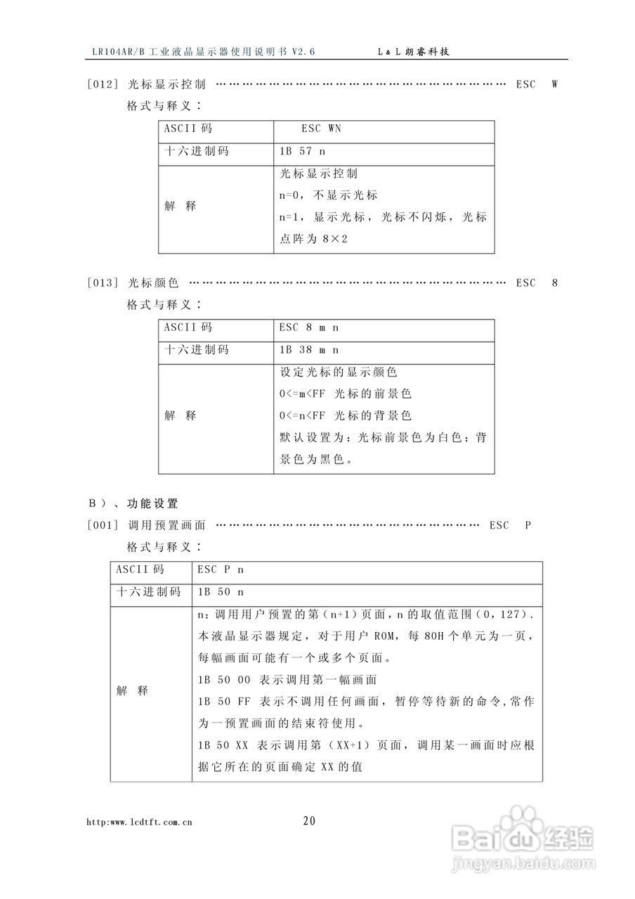
朗瑞LR104AR/B系列彩色工业液晶显示器使用说明书:[3]
2025-12-26 16:11:21
(共篇)
上一篇:
|
下一篇:
声明:
本网站引用、摘录或转载内容仅供网站访问者交流或参考,不代表本站立场,如存在版权或非法内容,请联系站长删除,联系邮箱:site.kefu@qq.com。
相关推荐
朗瑞LR104AR/B系列彩色工业液晶显示器使用说明书:[4]
阅读量:116
LR070AR/C型彩色工业液晶显示器使用说明书:[3]
阅读量:148
LR070AR/C型彩色工业液晶显示器使用说明书:[6]
阅读量:123
LR070AR/C型彩色工业液晶显示器使用说明书:[5]
阅读量:105
液晶显示器的屏幕擦拭从原理到技巧
阅读量:48
猜你喜欢
紫砂壶适合泡什么茶
url是什么
语重心长是什么意思
脚跟痛是什么原因
earth是什么意思
两个水念什么
出线是什么意思
eland是什么牌子
不屑一顾是什么意思
ojt是什么意思
猜你喜欢
颈椎病有什么症状
朋克是什么意思
黄疸是什么病
兵马俑是什么
sea是什么意思
noise是什么意思
岁寒三友是什么
白带多用什么药
时光荏苒是什么意思
牙板数敲珠一串牙板是什么