指南生活
首页
美食营养
手工爱好
生活家居
返回
指南生活
首页
美食营养
游戏数码
手工爱好
生活家居
健康养生
运动户外
职场理财
情感交际
母婴教育
时尚美容
知识问答
生活知识
生活百科
搜索
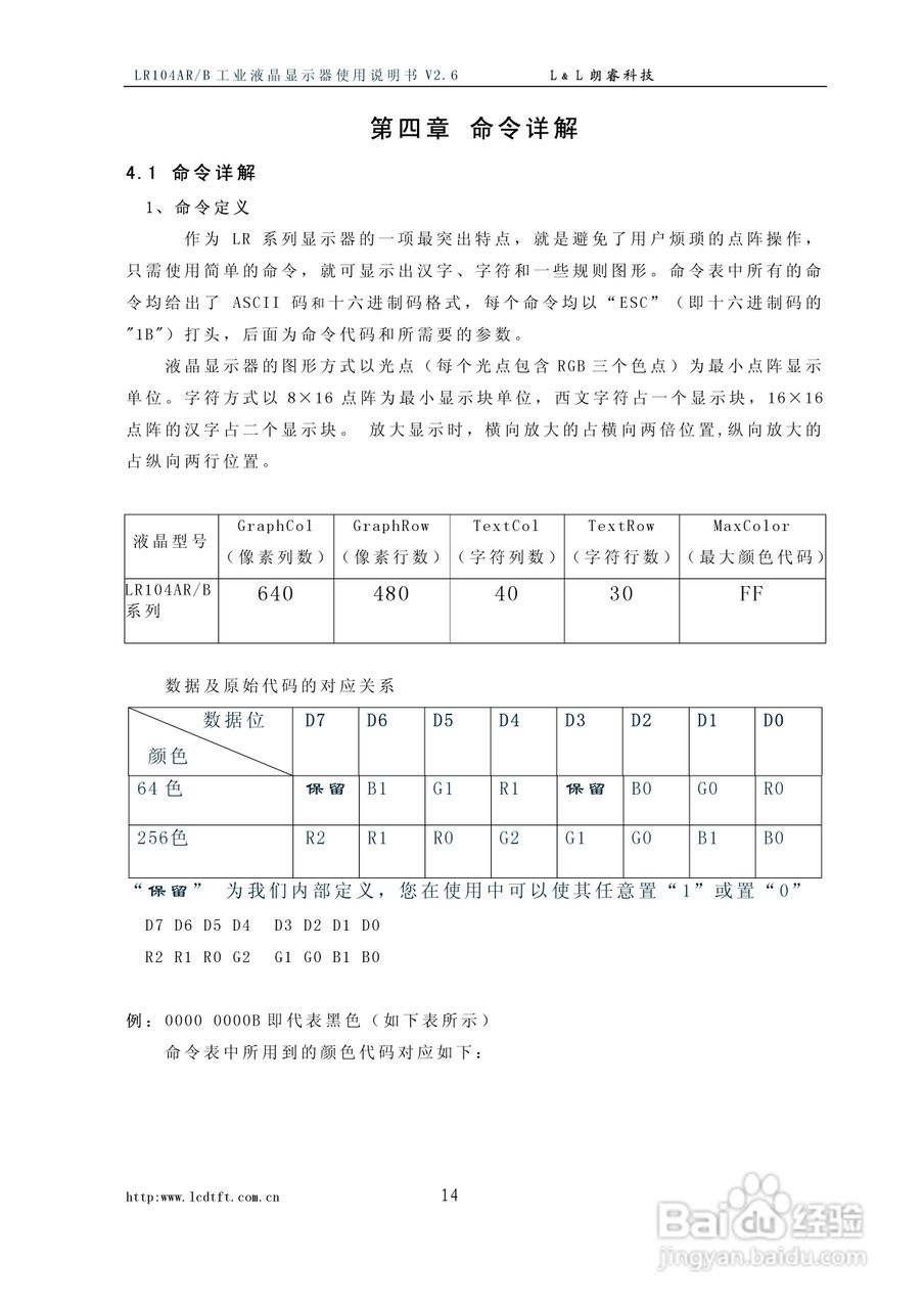
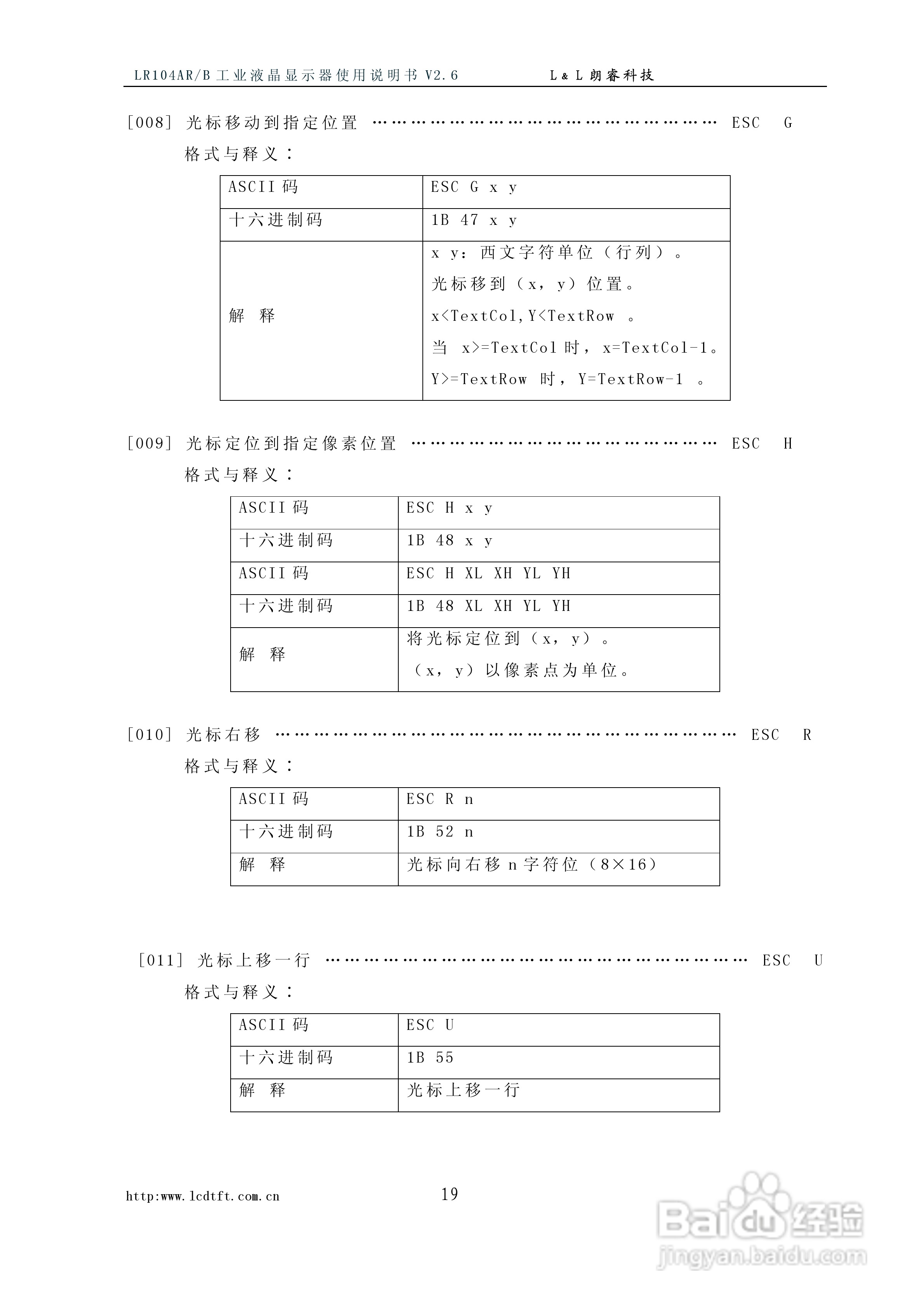
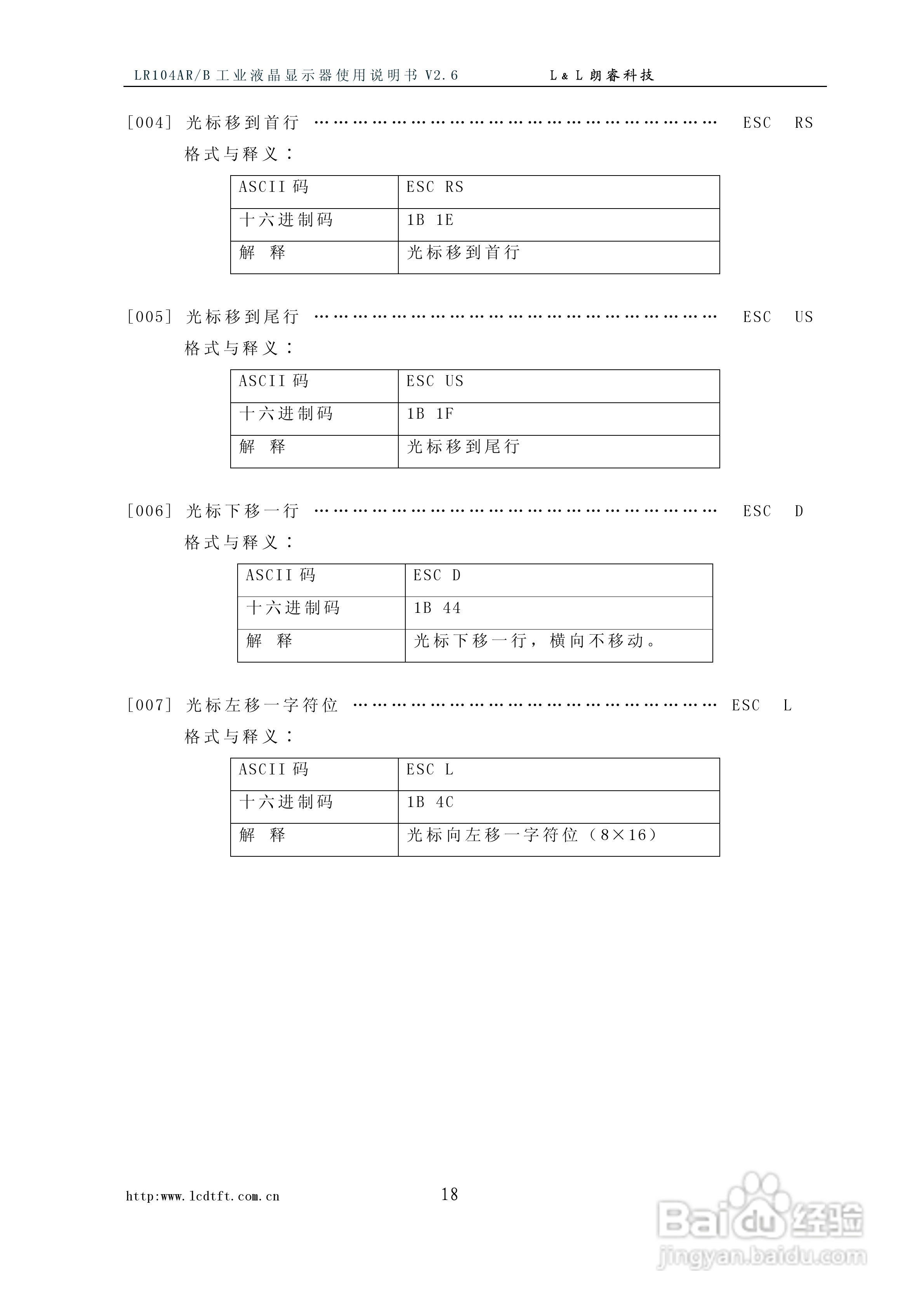
朗瑞LR104AR/B系列彩色工业液晶显示器使用说明书:[2]
2026-03-25 04:12:13
(共篇)
上一篇:
|
下一篇:
声明:
本网站引用、摘录或转载内容仅供网站访问者交流或参考,不代表本站立场,如存在版权或非法内容,请联系站长删除,联系邮箱:site.kefu@qq.com。
相关推荐
朗瑞LR104AR/B系列彩色工业液晶显示器使用说明书:[3]
阅读量:88
LR070AR/C型彩色工业液晶显示器使用说明书:[2]
阅读量:173
LR070AR/C型彩色工业液晶显示器使用说明书:[6]
阅读量:192
朗睿LR064VR/B系列彩色液晶显示器使用说明书:[2]
阅读量:54
液晶显示器的屏幕擦拭从原理到技巧
阅读量:82
猜你喜欢
ctf是什么意思
热水器买什么牌子好
不翼而飞的意思
孕育的意思
精气神是什么意思
爱乐维吃到什么时候
什么是网络信息安全
风流倜傥的意思
卫生间用什么瓷砖
2333是什么意思
猜你喜欢
tea是什么意思
柏拉图式的爱情是什么意思
哑然失笑的意思
神奇的意思
什么是工厂模式
三人成虎的意思
真谛的意思
博爱是什么意思
墙绘用什么颜料
断片是什么意思