指南生活
首页
美食营养
手工爱好
生活家居
返回
指南生活
首页
美食营养
游戏数码
手工爱好
生活家居
健康养生
运动户外
职场理财
情感交际
母婴教育
时尚美容
知识问答
生活知识
搜索
HSV-18D交流伺服驱动器使用说明书V1.2:[5]
2025-12-09 06:52:56
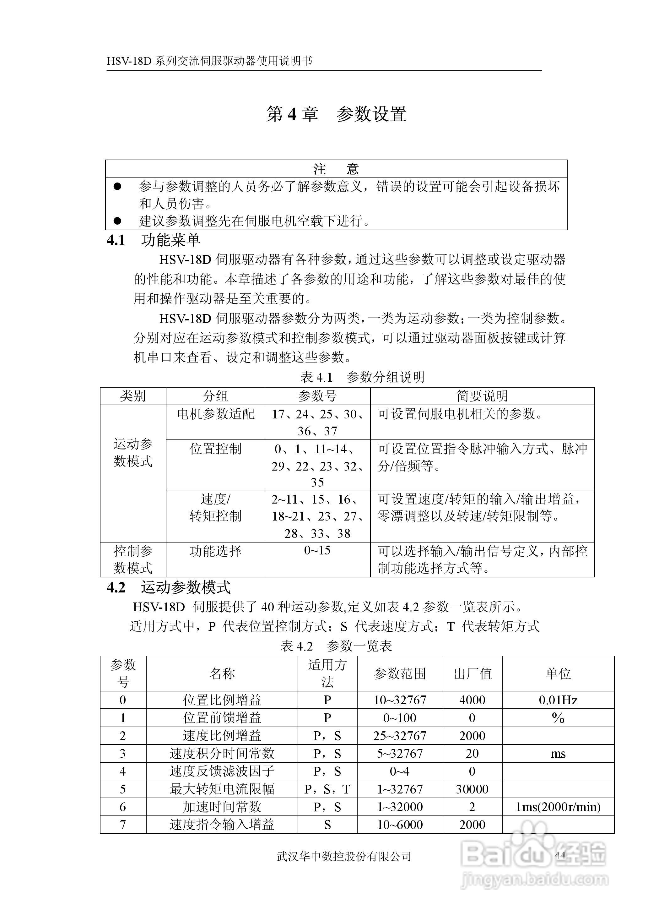
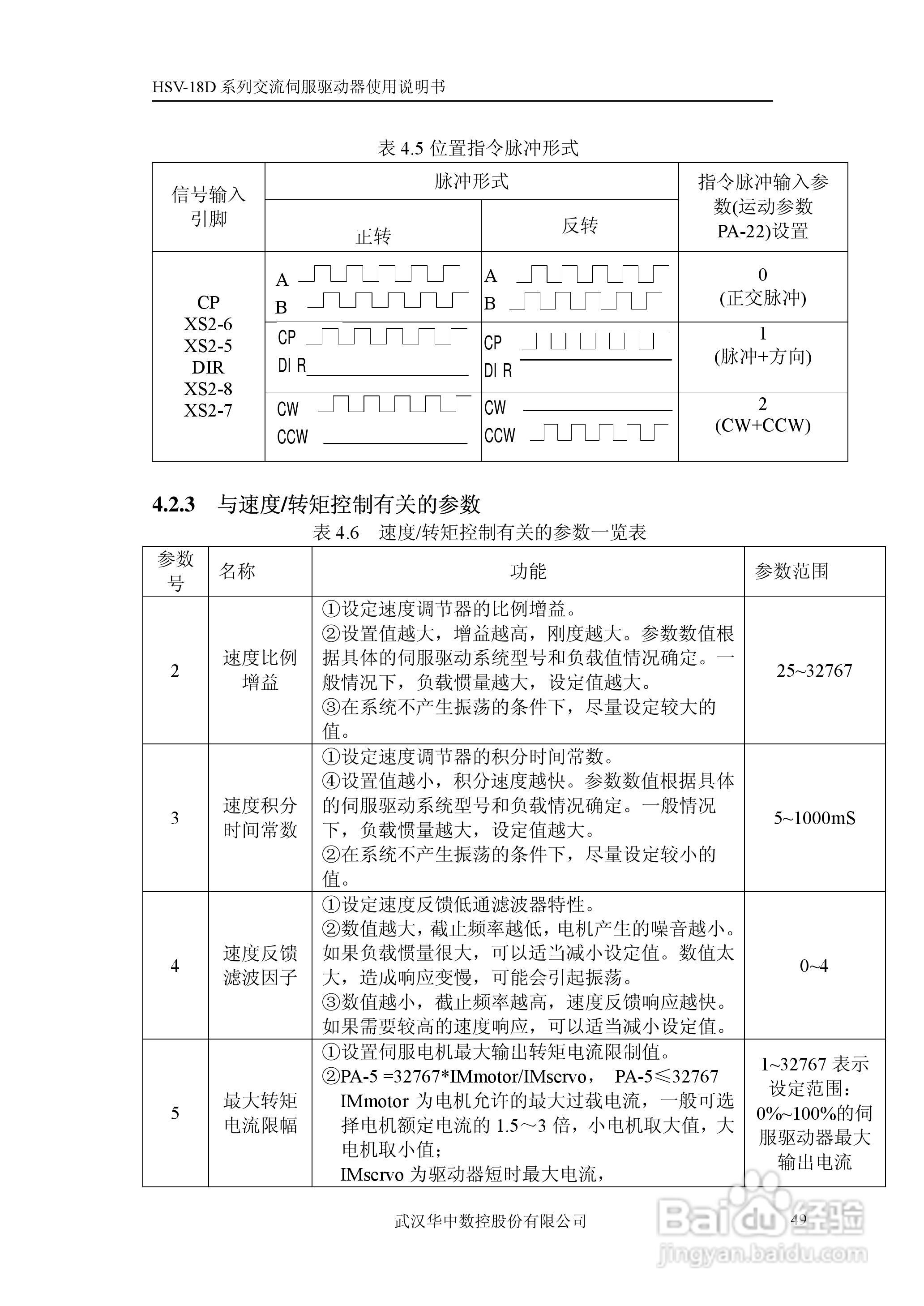
本篇为《HSV-18D交流伺服驱动器使用说明书V1.2》,主要介绍该产品的使用方法以及常见故障解决方案。
(共篇)
上一篇:
|
下一篇:
声明:
本网站引用、摘录或转载内容仅供网站访问者交流或参考,不代表本站立场,如存在版权或非法内容,请联系站长删除,联系邮箱:site.kefu@qq.com。
相关推荐
HSV-18D交流伺服驱动器使用说明书V1.2:[3]
阅读量:89
HSV-18D交流伺服驱动器使用说明书V1.2:[2]
阅读量:164
HSV-18D交流伺服驱动器使用说明书V1.2:[1]
阅读量:176
HSV-18D交流伺服驱动器使用说明书V1.2:[6]
阅读量:43
HSV-18D交流伺服驱动器使用说明书V1.2:[4]
阅读量:179
猜你喜欢
手机投屏到电视上怎么操作
糖醋里脊的家常做法
韭菜的做法大全
戚风蛋糕做法
东北乱炖的家常做法
香辣肉丝的做法
炒年糕的家常做法
刀豆的做法
酸菜鱼的做法家常做法
菜谱家常菜做法大全
猜你喜欢
酱肘子的家常做法
腋窝下有疙瘩怎么回事
和平精英怎么改性别
虾仁的做法大全家常
华为手机怎么录屏
水果披萨的做法
全家福的做法
红烧带鱼的做法视频
梼杌怎么读
拿铁咖啡的做法