指南生活
首页
美食营养
手工爱好
生活家居
返回
指南生活
首页
美食营养
游戏数码
手工爱好
生活家居
健康养生
运动户外
职场理财
情感交际
母婴教育
时尚美容
知识问答
生活知识
生活百科
搜索
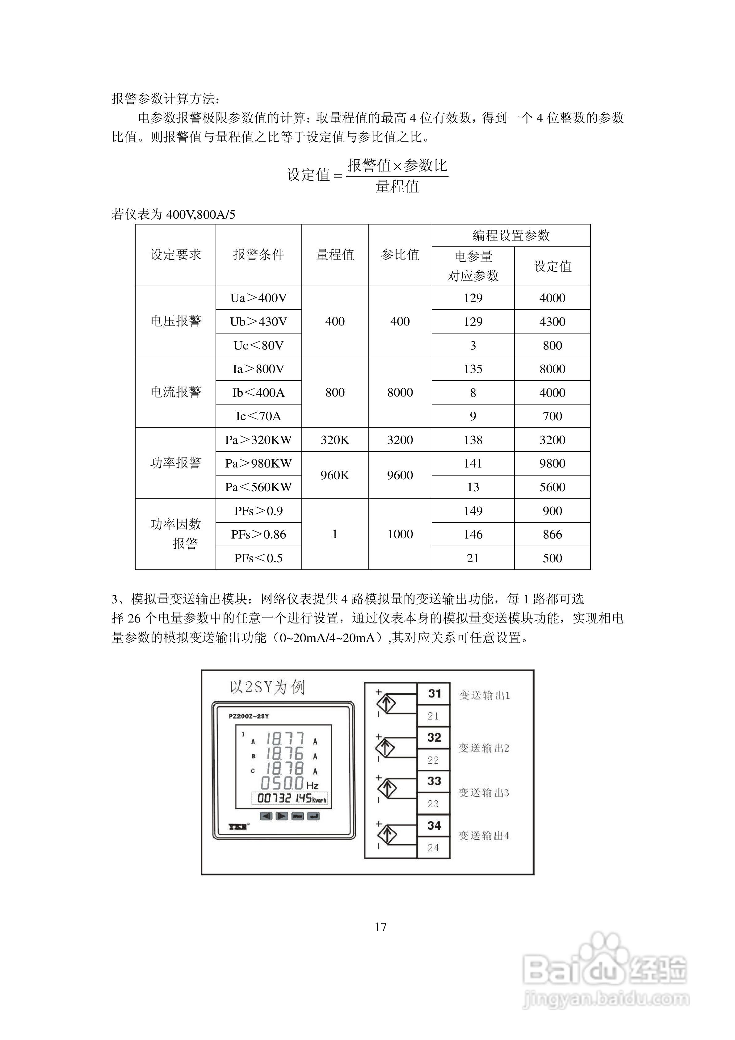
PZ200Z-SY 系列多功能网络电力仪表(液晶版)使用手册:[2]
2026-05-06 10:14:53
本篇为《PZ200Z-SY 系列多功能网络电力仪表(液晶版)使用手册》,主要介绍该产品的使用方法以及常见故障解决方案。
(共篇)
上一篇:
|
下一篇:
声明:
本网站引用、摘录或转载内容仅供网站访问者交流或参考,不代表本站立场,如存在版权或非法内容,请联系站长删除,联系邮箱:site.kefu@qq.com。
相关推荐
PZ200Z-SY 系列多功能网络电力仪表(液晶版)使用手册:[1]
阅读量:46
PZ200Z-9S4多功能网络电力仪表使用说明书:[3]
阅读量:64
SY之预防法(如何戒欲)
阅读量:177
SY5824,SY5824PDF下载,SY5824与M8914对比
阅读量:89
PZ200Z-SY 系列多功能网络电力仪表(液晶版)使用手册:[3]
阅读量:21
猜你喜欢
清晰的近义词是什么
gg什么意思
什么的拼音
ptc是什么
安宫牛黄丸什么时候吃
业务员是做什么的
我的快乐会回来的是什么歌
什么的水花
本初子午线是什么的分界线
舍利子是什么
猜你喜欢
至死不渝是什么意思
母亲节是什么时候几月几日
9月17日是什么星座
7月1日是什么节日
征集志愿是什么意思
左眼皮跳是什么原因
暂停服务是什么意思
卡介苗什么时候打
2003年是什么年
消防证有什么用