指南生活
首页
美食营养
手工爱好
生活家居
返回
指南生活
首页
美食营养
游戏数码
手工爱好
生活家居
健康养生
运动户外
职场理财
情感交际
母婴教育
时尚美容
知识问答
生活知识
搜索
PZ200Z-SY 系列多功能网络电力仪表(液晶版)使用手册:[1]
2025-12-09 13:40:02
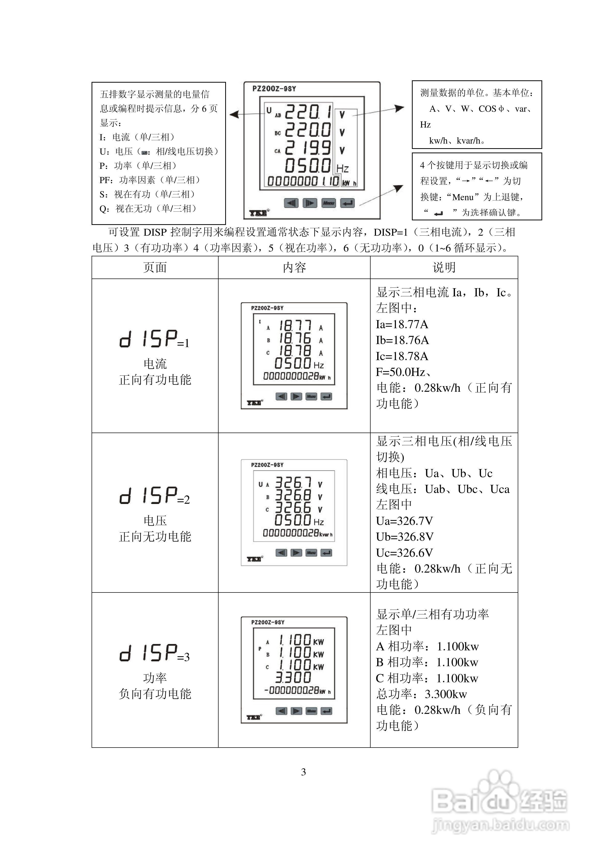
本篇为《PZ200Z-SY 系列多功能网络电力仪表(液晶版)使用手册》,主要介绍该产品的使用方法以及常见故障解决方案。
(共篇)
下一篇:
声明:
本网站引用、摘录或转载内容仅供网站访问者交流或参考,不代表本站立场,如存在版权或非法内容,请联系站长删除,联系邮箱:site.kefu@qq.com。
相关推荐
PZ200Z-SY 系列多功能网络电力仪表(液晶版)使用手册:[2]
阅读量:193
PZ200Z-9S4多功能网络电力仪表使用说明书:[3]
阅读量:67
SY之预防法(如何戒欲)
阅读量:177
SY5824,SY5824PDF下载,SY5824与M8914对比
阅读量:99
PZ200Z-SY 系列多功能网络电力仪表(液晶版)使用手册:[3]
阅读量:132
猜你喜欢
default什么意思
ie浏览器是什么
php是什么意思
66年属什么生肖
离婚的主要起因是什么
嘴唇干裂什么原因
苤蓝咸菜的腌制方法
偷天换日是什么意思
什么是日食
lcd是什么
猜你喜欢
boots是什么意思
胖人适合什么发型
鬼画符是什么意思
make love什么意思
pv值是什么意思
第一次进去什么感觉
4月30日是什么日子
function是什么意思
riot是什么意思
正道的光是什么梗