指南生活
首页
美食营养
手工爱好
生活家居
返回
指南生活
首页
美食营养
游戏数码
手工爱好
生活家居
健康养生
运动户外
职场理财
情感交际
母婴教育
时尚美容
知识问答
生活知识
生活百科
搜索
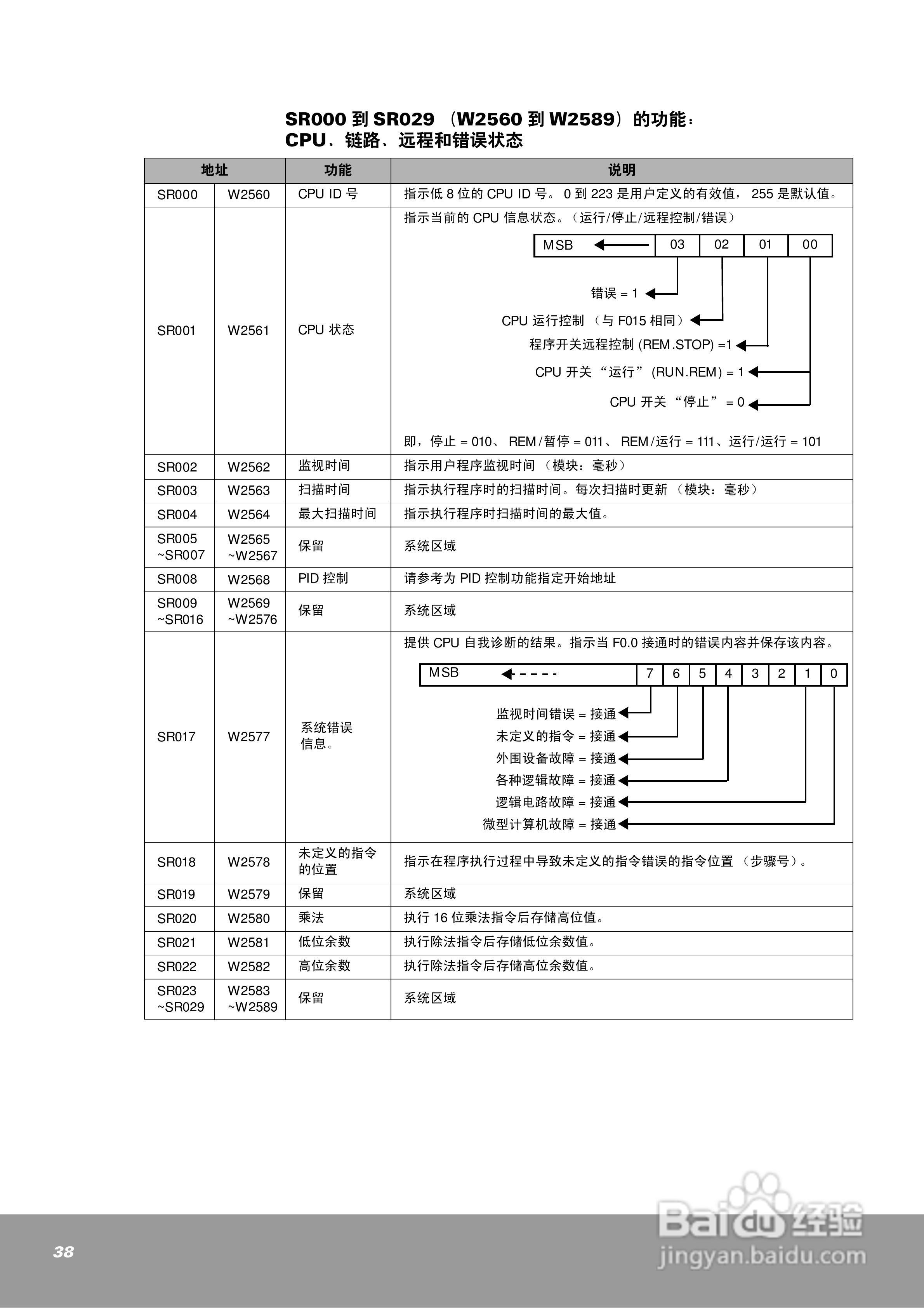
OEMax NX7系列控制器用户手册:[4]
2026-04-04 20:59:08
本篇为《OEMax NX7系列控制器用户手册》,主要介绍该产品的使用方法以及常见故障解决方案。
(共篇)
上一篇:
|
下一篇:
声明:
本网站引用、摘录或转载内容仅供网站访问者交流或参考,不代表本站立场,如存在版权或非法内容,请联系站长删除,联系邮箱:site.kefu@qq.com。
相关推荐
OEMax NX7系列控制器用户手册:[7]
阅读量:31
OEMax NX7系列控制器用户手册:[2]
阅读量:196
控制器暂停功能的实现步骤
阅读量:59
OEMax NX7系列控制器用户手册:[6]
阅读量:173
OEMax NX7系列控制器用户手册:[3]
阅读量:48
猜你喜欢
店铺开业祝福语
自由行是什么意思
brake是什么意思
止于至善的意思
在主里祝福你
什么样的显卡好
虚拟光驱有什么用
secret是什么意思
拨冗的意思
basic是什么意思
猜你喜欢
蓝颜知己的意思
天蝎座男生和什么座最配
帽子戏法是什么意思
什么面膜祛痘效果好
额定功率是什么意思
游戏鼠标什么牌子好
无欲则刚的意思
宁波有什么好玩的景点
服从调剂是什么意思
温奶器什么牌子好