指南生活
首页
美食营养
手工爱好
生活家居
返回
指南生活
首页
美食营养
游戏数码
手工爱好
生活家居
健康养生
运动户外
职场理财
情感交际
母婴教育
时尚美容
知识问答
生活知识
搜索
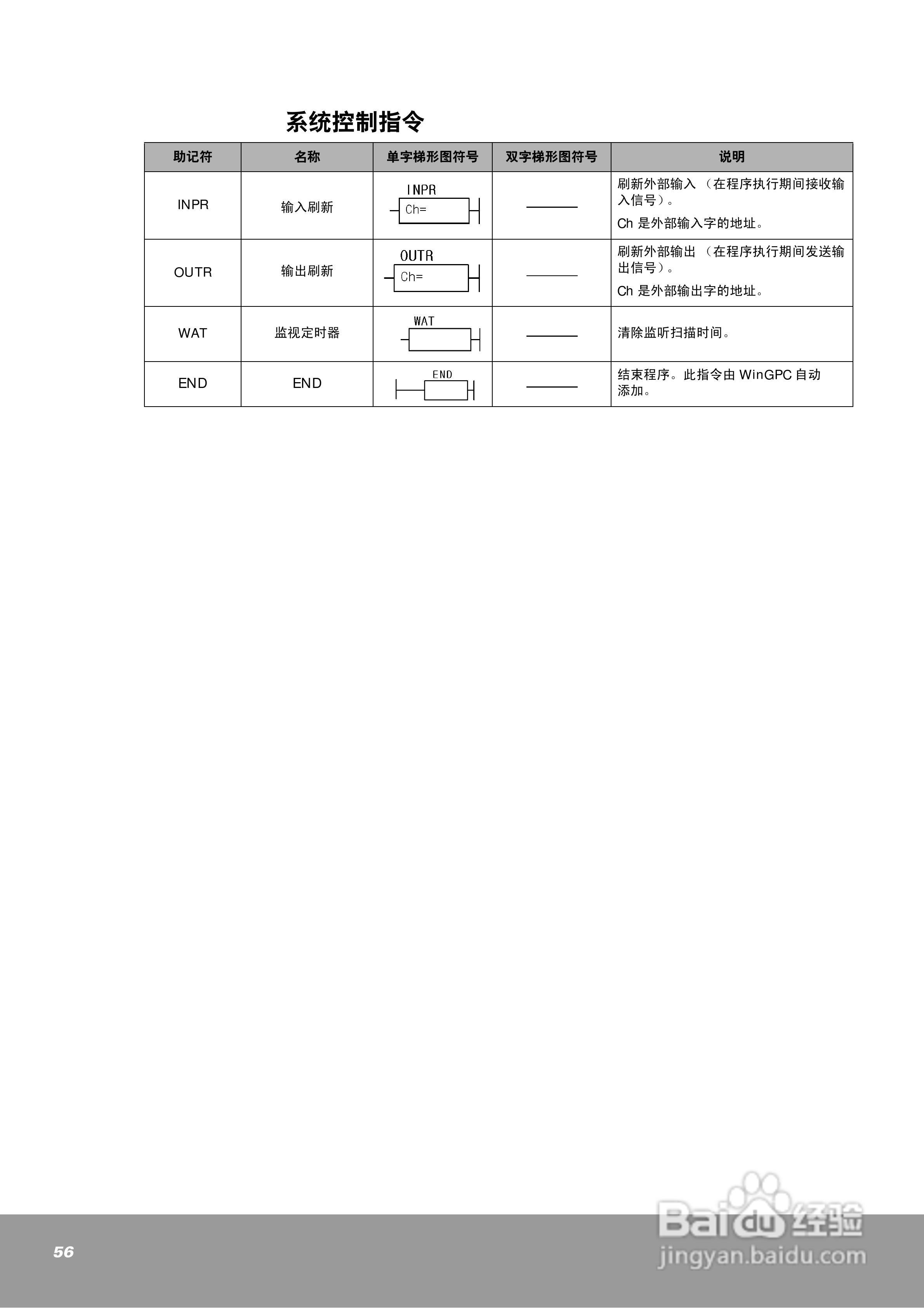
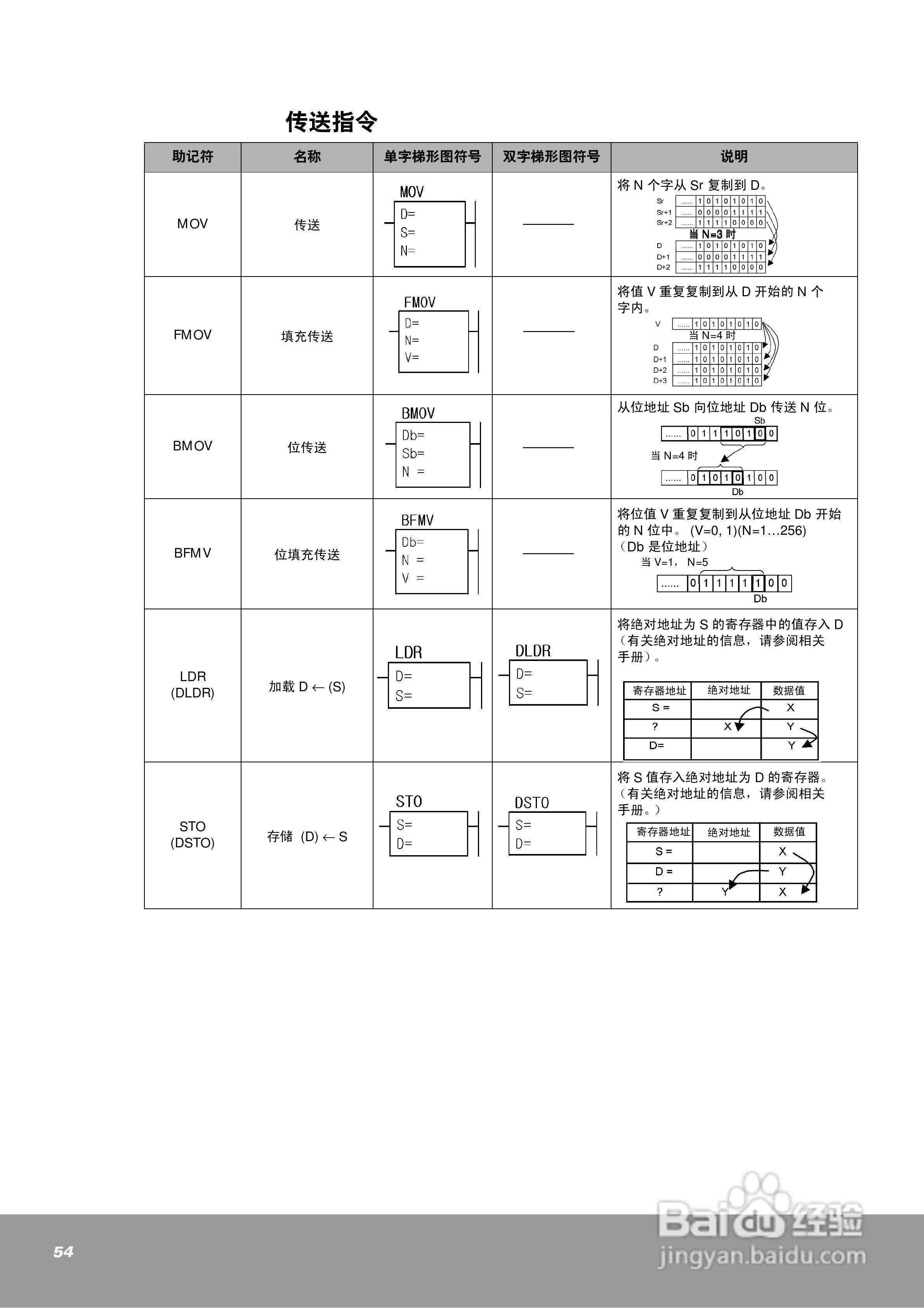
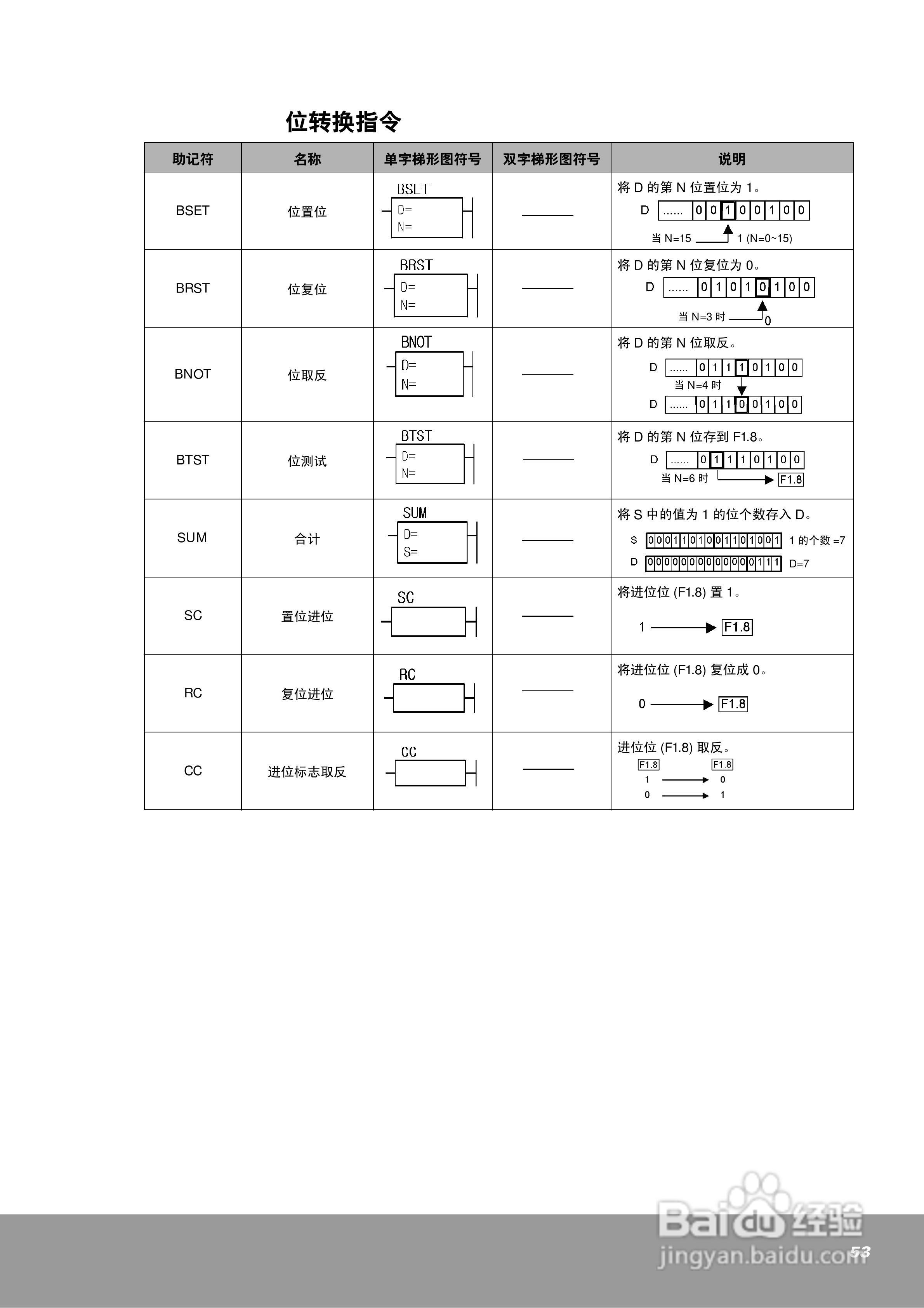
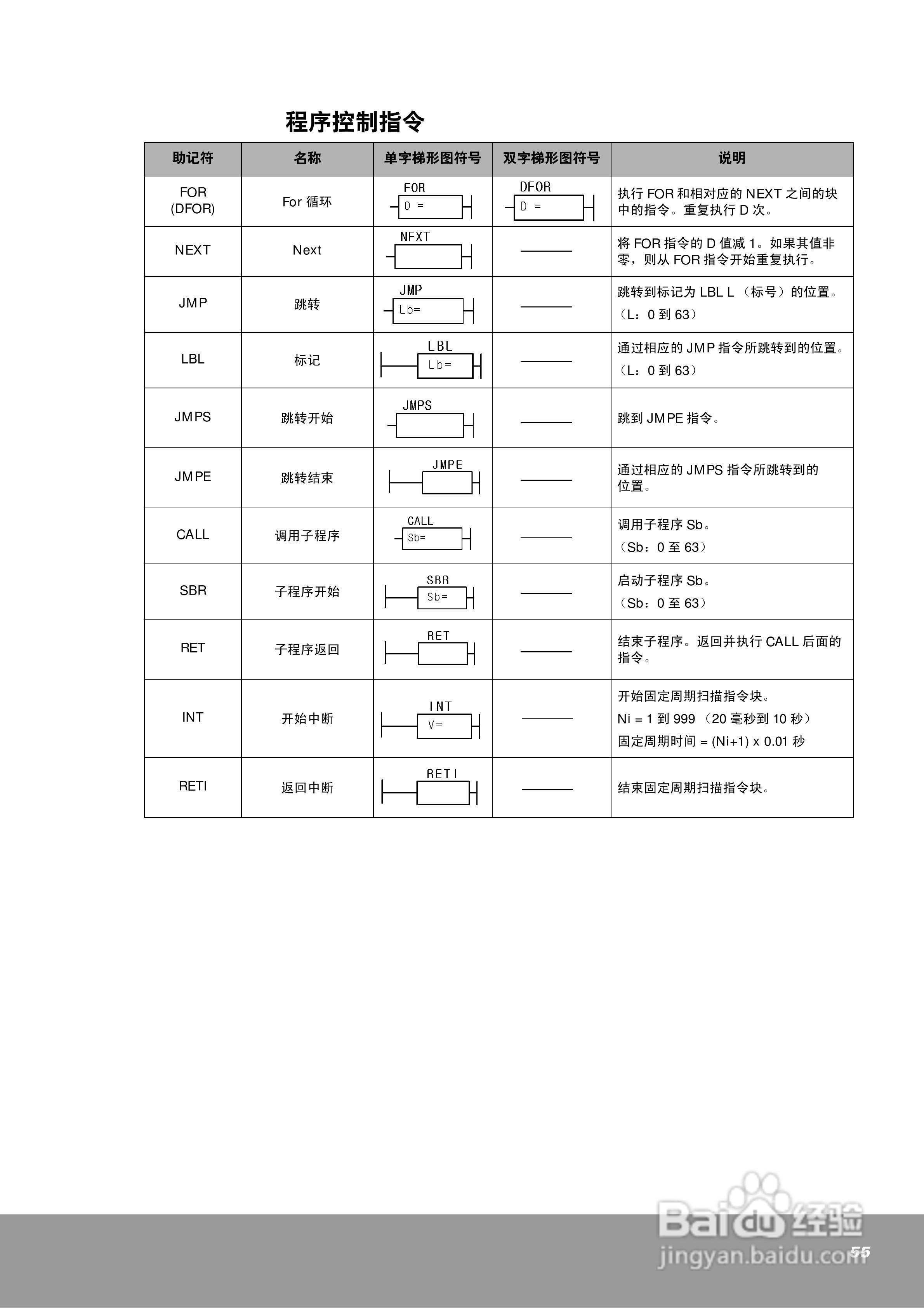
OEMax NX7系列控制器用户手册:[6]
2025-12-28 03:19:16
本篇为《OEMax NX7系列控制器用户手册》,主要介绍该产品的使用方法以及常见故障解决方案。
(共篇)
上一篇:
|
下一篇:
声明:
本网站引用、摘录或转载内容仅供网站访问者交流或参考,不代表本站立场,如存在版权或非法内容,请联系站长删除,联系邮箱:site.kefu@qq.com。
相关推荐
OEMax NX7系列控制器用户手册:[7]
阅读量:68
OEMax NX7系列控制器用户手册:[1]
阅读量:51
OEMax CSDJPlus伺服驱动器用户手册:[22]
阅读量:156
控制器暂停功能的实现步骤
阅读量:93
OEMax NX7系列控制器用户手册:[4]
阅读量:176
猜你喜欢
拘役是什么意思
容积率是什么意思
客厅地砖用什么砖好
半斤八两的意思
惋惜的意思
什么是正确的价值观
成百上千的意思
央视董卿出了什么事
人间四月芳菲尽山寺桃花始盛开的意思
什么香水好
猜你喜欢
130什么意思
空调除湿是什么意思
我爱家中的什么作文
做网页用什么软件
昼夜的意思
拾人牙慧什么意思
身份证复印件有什么用
vicky什么意思
王宝强开什么车
糖皮质激素的抗炎作用