指南生活
首页
美食营养
手工爱好
生活家居
返回
指南生活
首页
美食营养
游戏数码
手工爱好
生活家居
健康养生
运动户外
职场理财
情感交际
母婴教育
时尚美容
知识问答
生活知识
生活百科
搜索
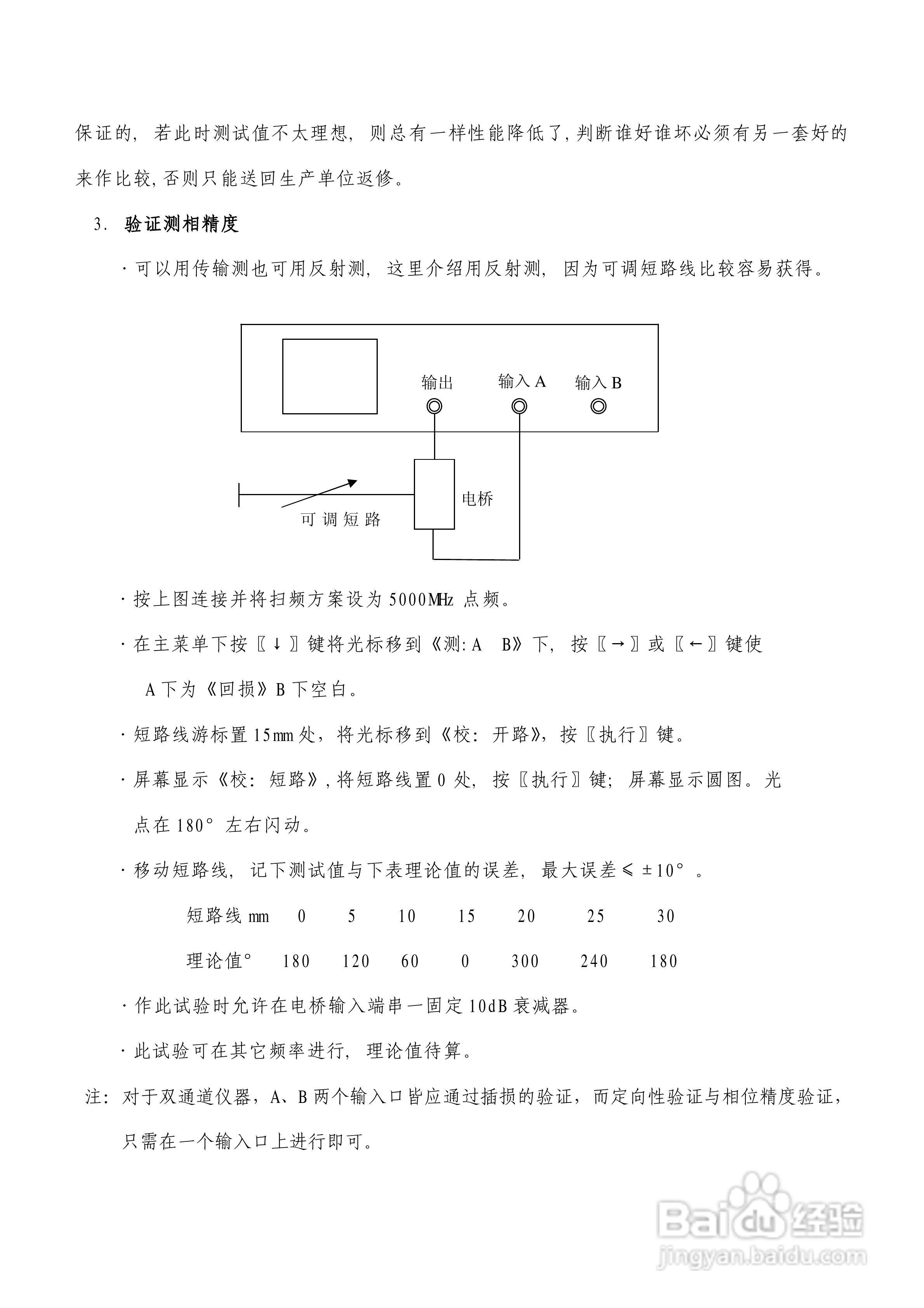
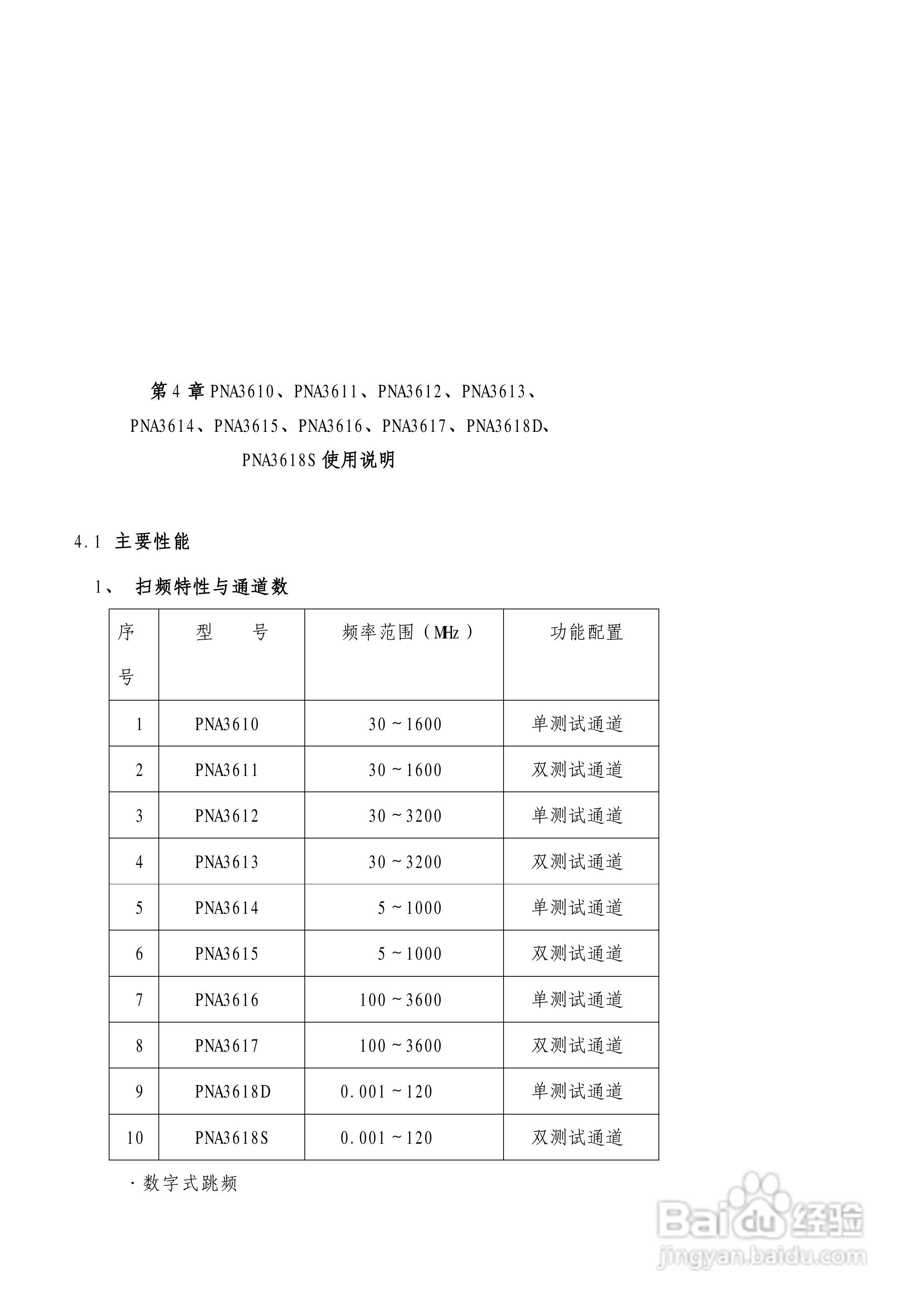
台式PNA网络分析仪使用说明书:[5]
2026-04-23 05:11:18
本篇为《台式PNA网络分析仪使用说明书》,主要介绍该产品的使用方法以及常见故障解决方案。
(共篇)
上一篇:
|
下一篇:
声明:
本网站引用、摘录或转载内容仅供网站访问者交流或参考,不代表本站立场,如存在版权或非法内容,请联系站长删除,联系邮箱:site.kefu@qq.com。
相关推荐
台式PNA网络分析仪使用说明书:[6]
阅读量:100
台式PNA网络分析仪使用说明书:[7]
阅读量:181
网络分析仪使用说明书
阅读量:101
网络分析仪使用教程
阅读量:183
封印者PNA任务流程攻略
阅读量:117
猜你喜欢
阿兰若梦境是怎么回事
怎么样治疗早泄
qq怎么撤回消息
75%酒精怎么配
皮肤晒伤了怎么办
输卵管不通怎么办
电脑怎么清理缓存
怎么注销珍爱网账号
红参怎么吃
德尔地板质量怎么样
猜你喜欢
税点怎么算
婴儿湿疹是怎么引起的
对乙酰氨基酚片怎么样
怎么分真假玉
冲锋衣怎么洗
怎么样在网上赚钱
长痱子怎么办
剪影怎么拍
脸肿怎么回事
群机器人怎么弄