指南生活
首页
美食营养
手工爱好
生活家居
返回
指南生活
首页
美食营养
游戏数码
手工爱好
生活家居
健康养生
运动户外
职场理财
情感交际
母婴教育
时尚美容
知识问答
生活知识
生活百科
搜索
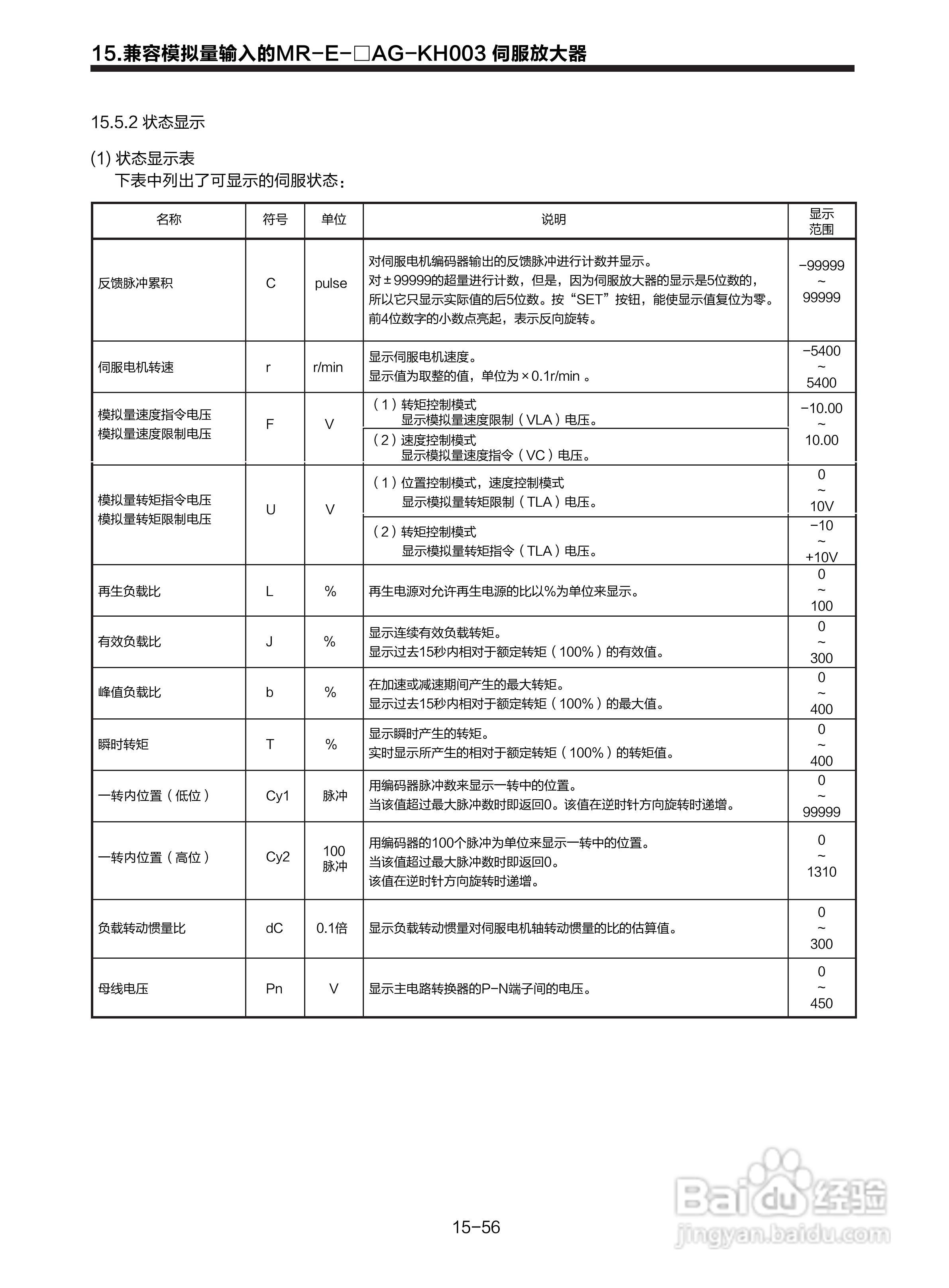
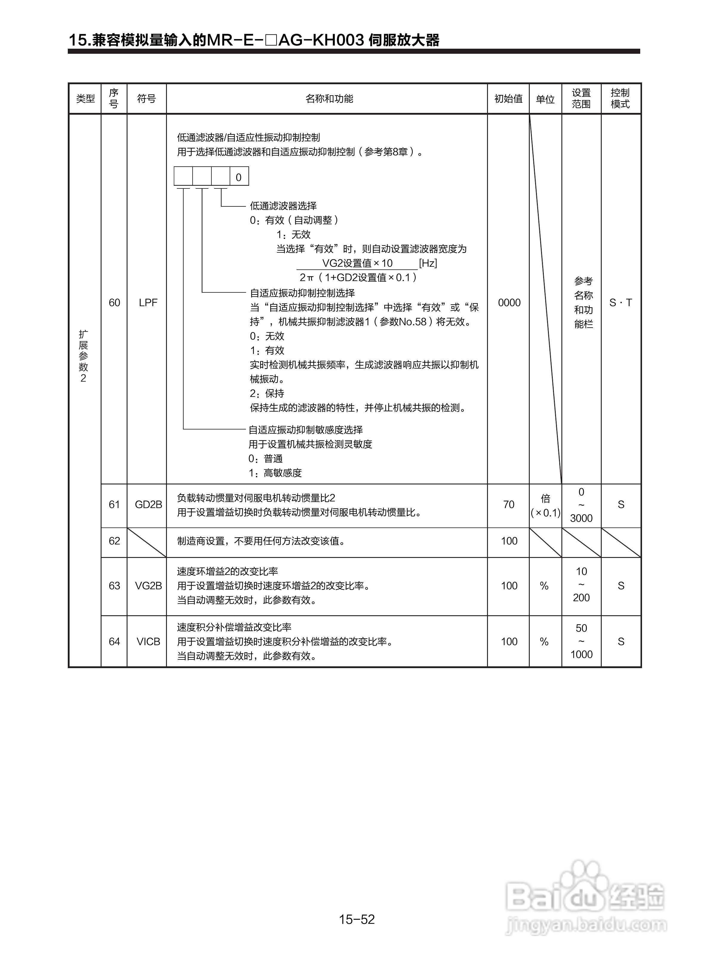
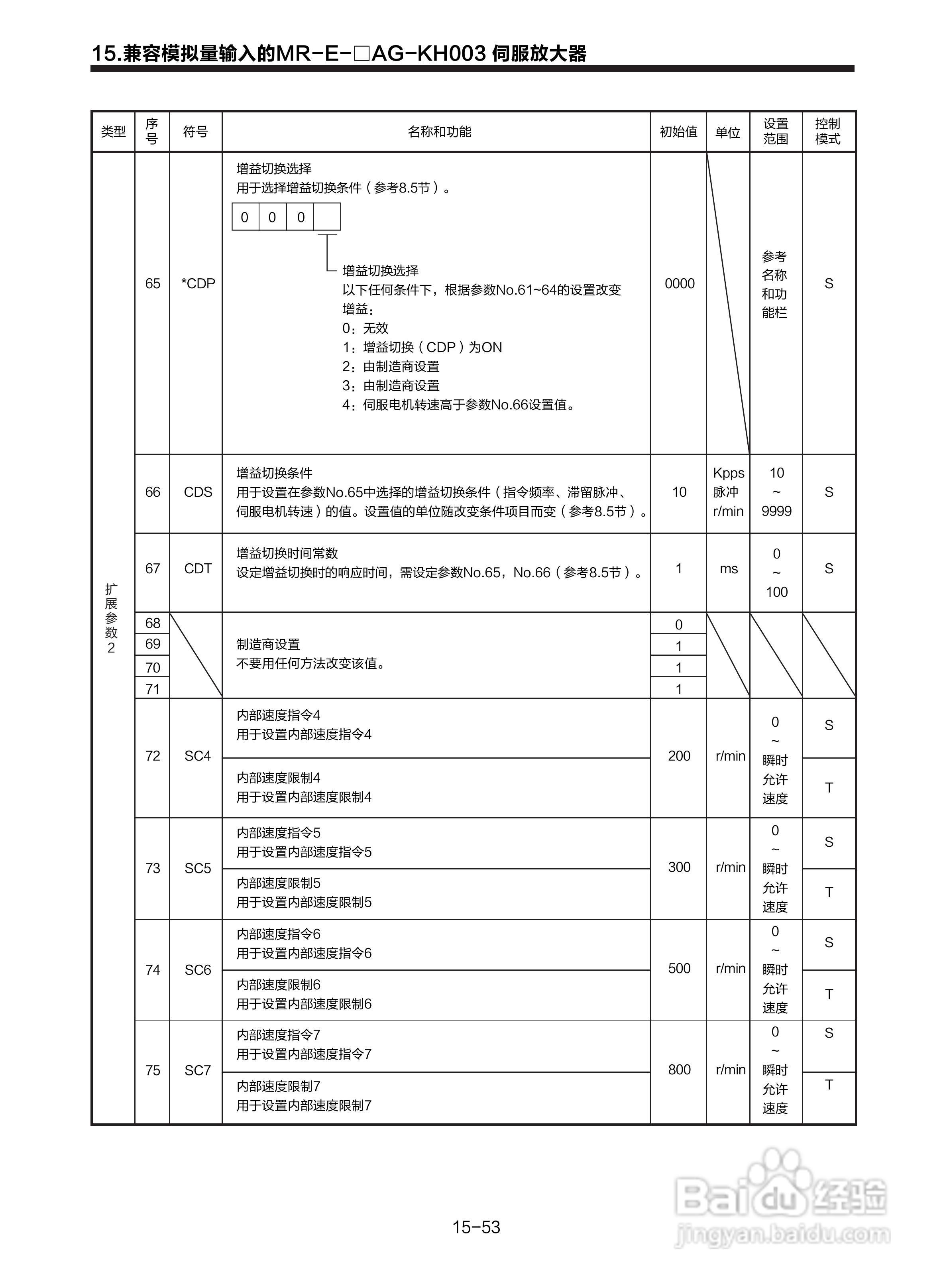
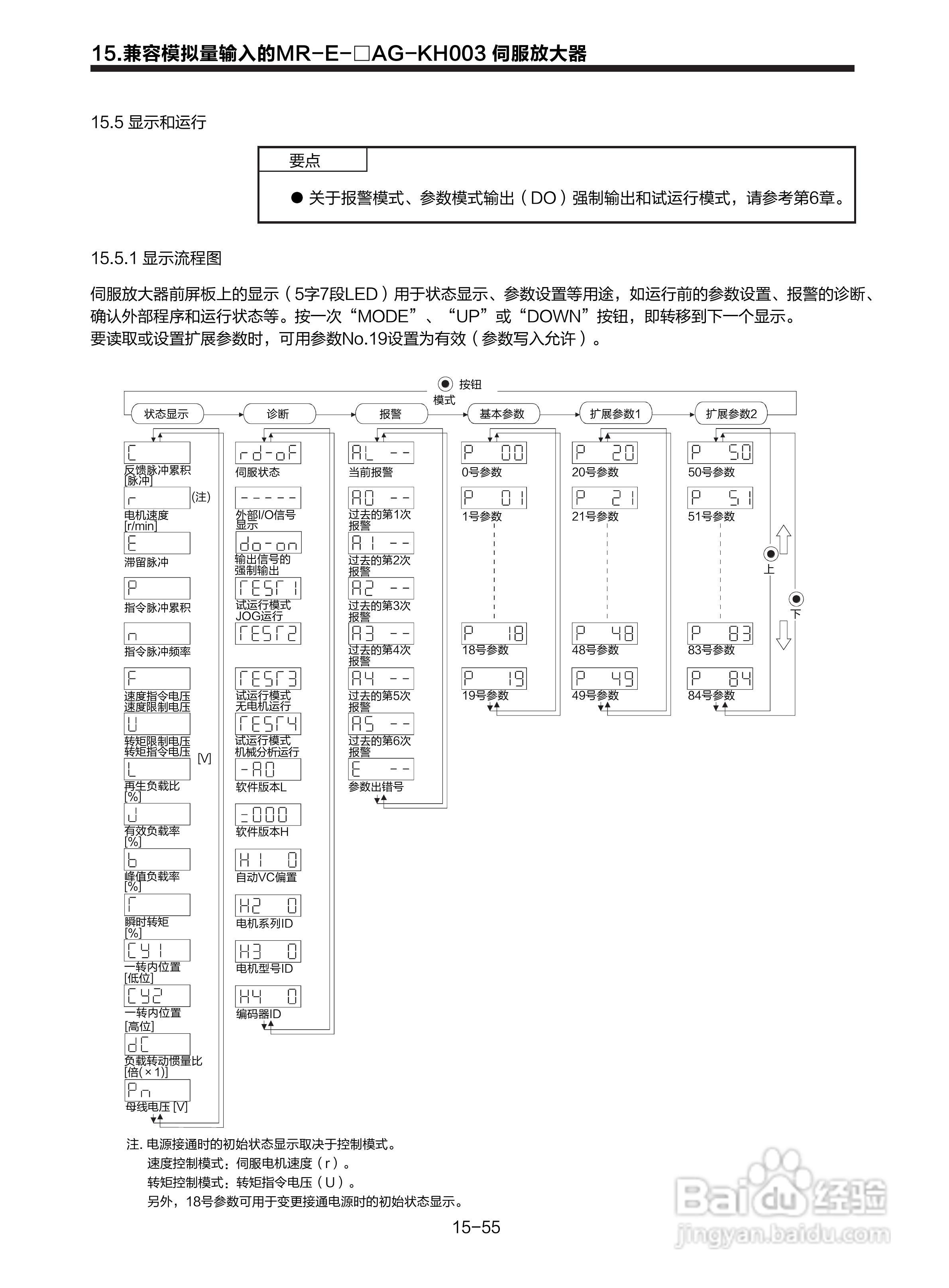
三菱 MR-E-□A-KH003 MR-E-□AG-KH003通用交流伺服接:[32]
2026-05-18 17:28:11
本篇为《三菱 MR-E-□A-KH003 MR-E-□AG-KH003通用交流伺服接》,主要介绍该产品的使用方法以及常见故障解决方案。
(共篇)
上一篇:
|
下一篇:
声明:
本网站引用、摘录或转载内容仅供网站访问者交流或参考,不代表本站立场,如存在版权或非法内容,请联系站长删除,联系邮箱:site.kefu@qq.com。
相关推荐
三菱 MR-E-□A-KH003 MR-E-□AG-KH003通用交流伺服接:[33]
阅读量:45
三菱 MR-E-□A-KH003 MR-E-□AG-KH003通用交流伺服接:[20]
阅读量:179
三菱plc红绿灯设计
阅读量:83
三菱 MR-E-□A-KH003 MR-E-□AG-KH003通用交流伺服接:[22]
阅读量:32
三菱 MR-E-□A-KH003 MR-E-□AG-KH003通用交流伺服接:[28]
阅读量:164
猜你喜欢
山西农业大学怎么样
清蒸罗非鱼的家常做法
我的世界红砖怎么做
炒金针菇的家常做法
家庭灭鼠最佳方法
五香萝卜干腌制方法
怎么写信封
后视镜怎么看
家常饼
普洱茶的冲泡方法
猜你喜欢
家常红烧肉的做法
减肥最有效的方法
清洁毛孔最有效的方法
手脚出汗的治疗方法
欣奕除疤效果怎么样
湖南涉外经济学院怎么样
征婚启事怎么写
通心粉怎么做好吃
炒年糕的家常做法
高血压头晕怎么办