指南生活
首页
美食营养
手工爱好
生活家居
返回
指南生活
首页
美食营养
游戏数码
手工爱好
生活家居
健康养生
运动户外
职场理财
情感交际
母婴教育
时尚美容
知识问答
生活知识
生活百科
搜索
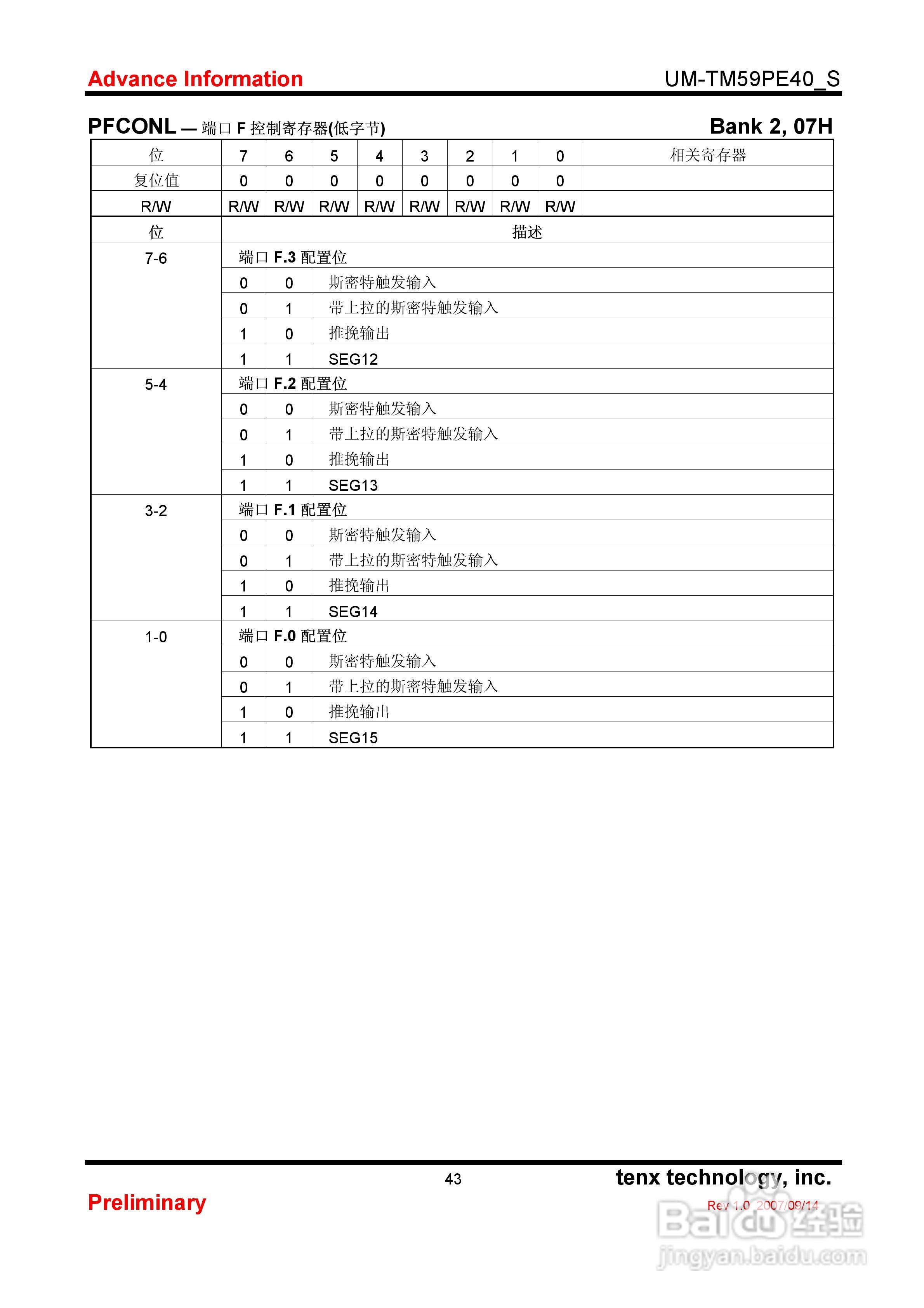
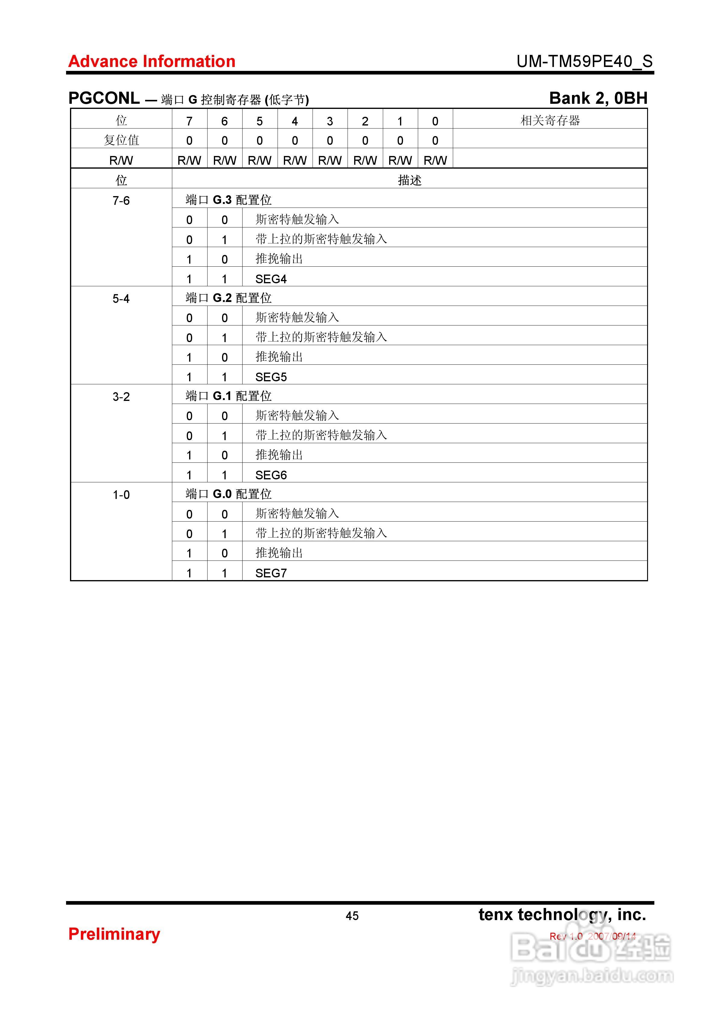
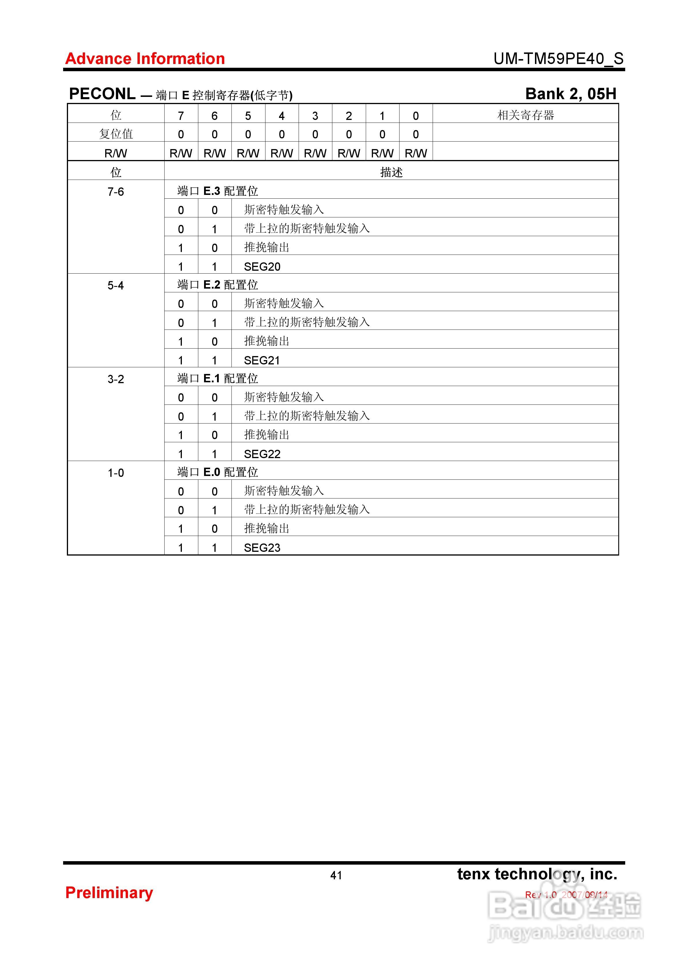
TM59PE 40 8-Bit微控制器使用手册:[5]
2026-05-09 22:17:52
本篇为《TM59PE 40 8-Bit微控制器使用手册》,主要介绍该产品的使用方法以及常见故障解决方案。
(共篇)
上一篇:
|
下一篇:
声明:
本网站引用、摘录或转载内容仅供网站访问者交流或参考,不代表本站立场,如存在版权或非法内容,请联系站长删除,联系邮箱:site.kefu@qq.com。
相关推荐
TM59PE 40 8-Bit微控制器使用手册:[4]
阅读量:49
bitbank怎么使用
阅读量:118
SONIX 8-BIT MCU燒錄器使用手冊:[3]
阅读量:146
SONIX 8-BIT MCU燒錄器使用手冊:[2]
阅读量:22
SONIX 8-BIT MCU燒錄器使用手冊:[1]
阅读量:128
猜你喜欢
四川话怎么说
腹胀怎么办
怎么查手机号码的主人
小便发黄是怎么回事
脚上长冻疮怎么办
牛肉丸子怎么做好吃
怎么去除痘印
淘宝上怎么开网店
抑郁怎么办
唯品会退货怎么退
猜你喜欢
小孩湿疹怎么办
面霜怎么用
在我看来用英语怎么说
家庭成员情况怎么写
麦本本笔记本怎么样
集分宝怎么用
雀巢超级能恩奶粉怎么样
右眼一直跳怎么回事
咬肌大怎么办
怎么煮茶叶蛋