指南生活
首页
美食营养
手工爱好
生活家居
返回
指南生活
首页
美食营养
游戏数码
手工爱好
生活家居
健康养生
运动户外
职场理财
情感交际
母婴教育
时尚美容
知识问答
生活知识
搜索
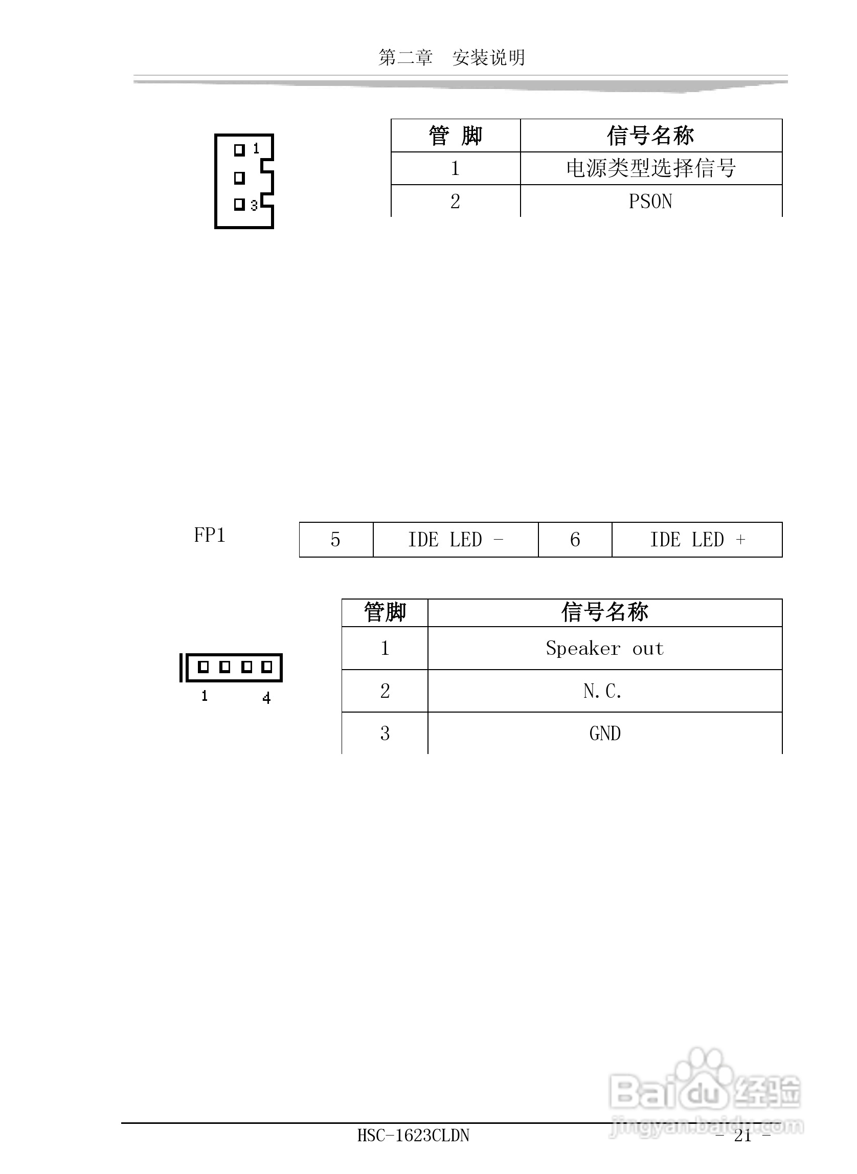
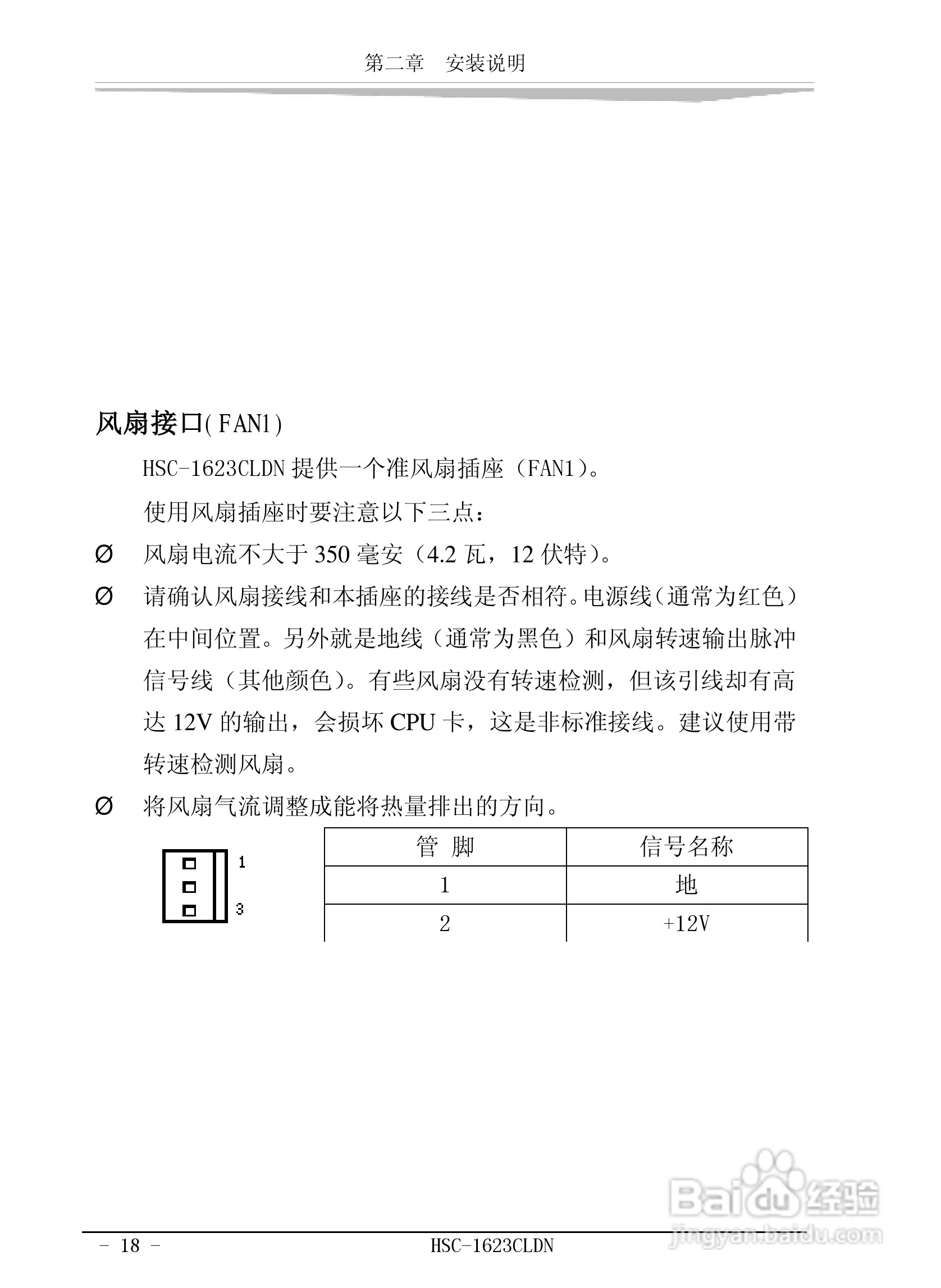
研祥HSC-1623CLDN工业级CPU板卡说明书:[3]
2026-01-02 17:28:47
本篇为《研祥HSC-1623CLDN工业级CPU板卡说明书》,主要介绍该产品的使用方法以及常见故障解决方案。
(共篇)
上一篇:
声明:
本网站引用、摘录或转载内容仅供网站访问者交流或参考,不代表本站立场,如存在版权或非法内容,请联系站长删除,联系邮箱:site.kefu@qq.com。
相关推荐
研祥HSC-1542CLDN-A2工业级CPU板卡说明书:[3]
阅读量:122
研祥HSC-1542CLDN-A2工业级CPU板卡说明书:[6]
阅读量:80
研祥104-1481CLDN工业级CPU板卡说明书:[3]
阅读量:91
研祥104-1541CLDN(B)工业级主机CPU板卡说明书:[3]
阅读量:114
研祥104-1544CLDN工业级CPU板卡说明书:[3]
阅读量:66
猜你喜欢
snidel怎么读
河南大学怎么样
营养粥的做法大全
浙江农林大学怎么样
做鱼的方法
治疗鸡眼的最佳方法
孕妇菜谱家常菜做法
毛囊炎最佳治疗方法
辞职理由怎么说最好
挣钱的方法
猜你喜欢
胆囊炎的治疗方法
酸菜鱼的做法家常做法
琥珀核桃仁的家常做法
大脚骨怎么办
虾的家常做法
新三板怎么交易
juicy怎么读
糖醋里脊的家常做法
麻将算牌方法和规律
钓鱼技巧大全