指南生活
首页
美食营养
手工爱好
生活家居
返回
指南生活
首页
美食营养
游戏数码
手工爱好
生活家居
健康养生
运动户外
职场理财
情感交际
母婴教育
时尚美容
知识问答
生活知识
生活百科
搜索
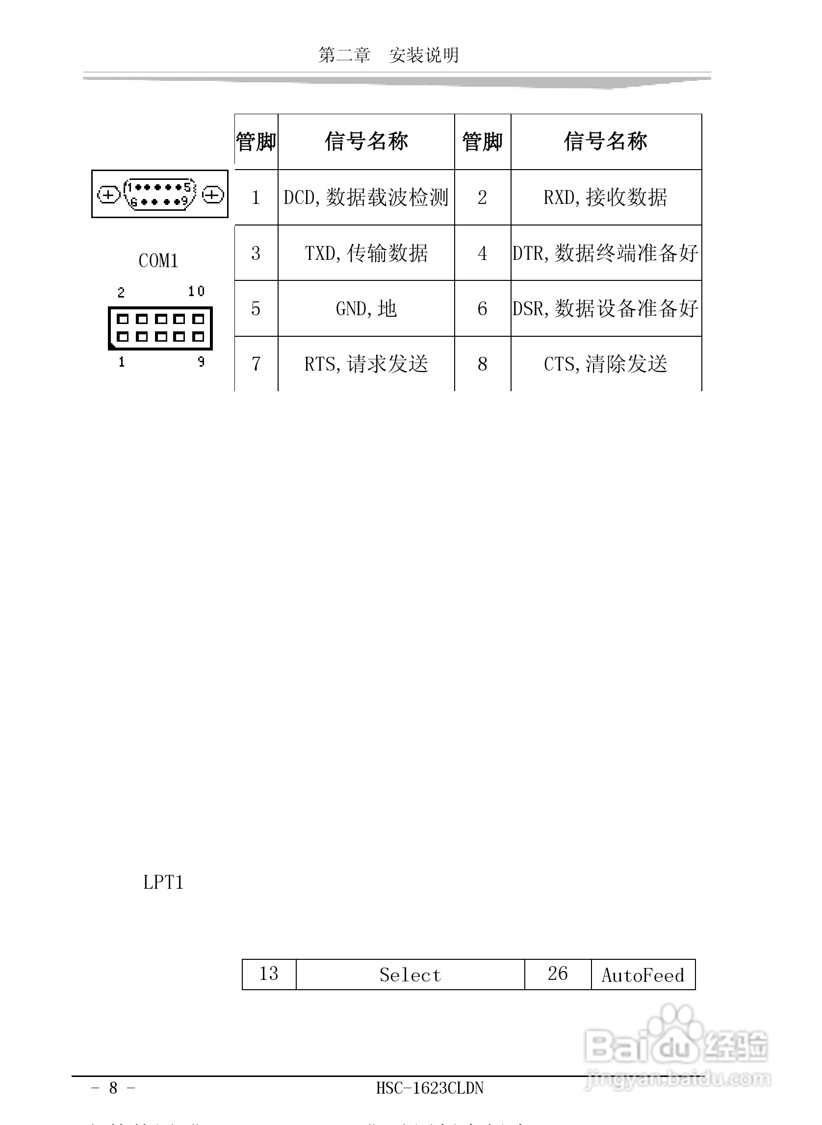
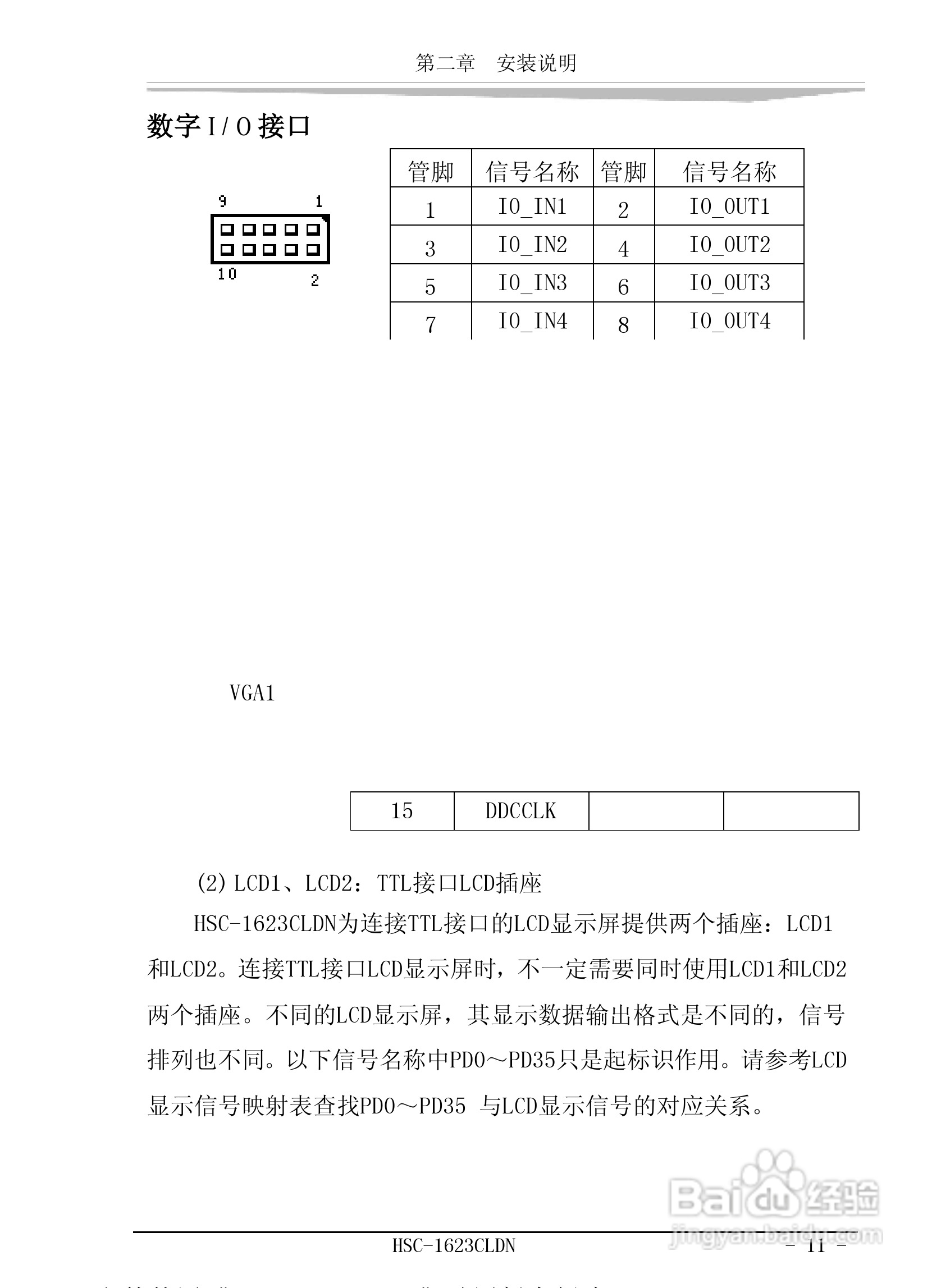
研祥HSC-1623CLDN工业级CPU板卡说明书:[2]
2026-05-10 18:51:19
本篇为《研祥HSC-1623CLDN工业级CPU板卡说明书》,主要介绍该产品的使用方法以及常见故障解决方案。
(共篇)
上一篇:
|
下一篇:
声明:
本网站引用、摘录或转载内容仅供网站访问者交流或参考,不代表本站立场,如存在版权或非法内容,请联系站长删除,联系邮箱:site.kefu@qq.com。
相关推荐
研祥HSC-1542CLDN-A2工业级CPU板卡说明书:[4]
阅读量:47
研祥104-1462CLDN工业级CPU板卡说明书:[2]
阅读量:24
研祥104-1481CLDN工业级CPU板卡说明书:[2]
阅读量:52
研祥104-1711CLDN工业级CPU板卡说明书:[3]
阅读量:127
cpu怎么开启睿频
阅读量:109
猜你喜欢
高山茶的功效与作用
see是什么意思
女表什么牌子好
醒酒器的作用
黄油的作用
融会贯通的意思
洗车器什么牌子好
国防生是什么意思
千奇百怪的意思
procedure什么意思
猜你喜欢
breakdown什么意思
筒骨炖什么好
咖色配什么颜色好看
亚油酸的作用
集美是什么意思
与时俱进的意思
副歌是什么意思
什么时间最容易怀孕
炒白术功效与作用
文思如什么