指南生活
首页
美食营养
手工爱好
生活家居
返回
指南生活
首页
美食营养
游戏数码
手工爱好
生活家居
健康养生
运动户外
职场理财
情感交际
母婴教育
时尚美容
知识问答
生活知识
生活百科
搜索
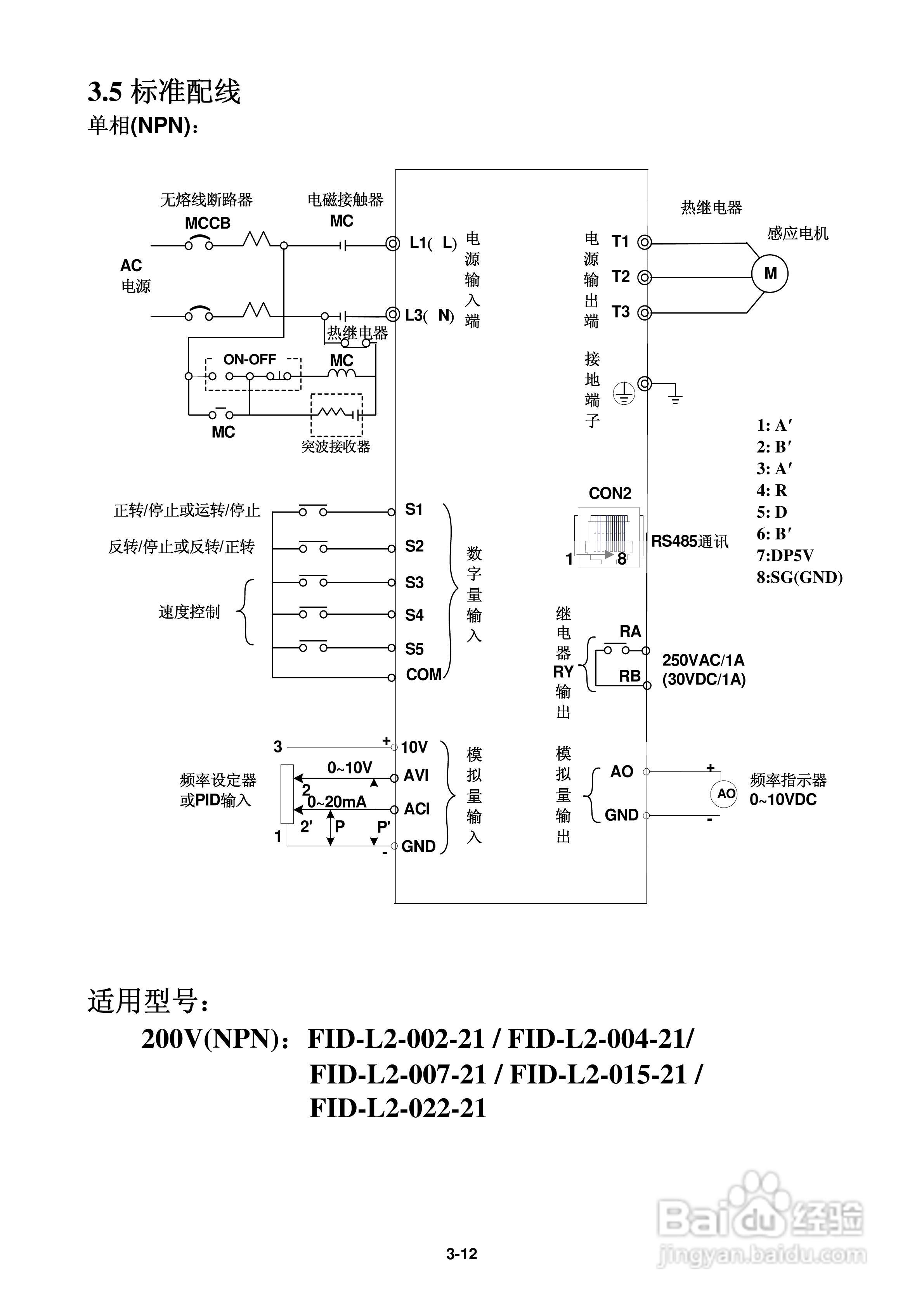
FATEK FID-L2-022-21变频器使用说明书:[3]
2026-05-10 08:17:53
本篇为《FATEK FID-L2-022-21变频器使用说明书》,主要介绍该产品的使用方法以及常见故障解决方案。
(共篇)
上一篇:
|
下一篇:
声明:
本网站引用、摘录或转载内容仅供网站访问者交流或参考,不代表本站立场,如存在版权或非法内容,请联系站长删除,联系邮箱:site.kefu@qq.com。
相关推荐
FATEK FID-S1-015-21变频器使用说明书:[3]
阅读量:161
FATEK FID-S1-015-21变频器使用说明书:[2]
阅读量:116
FATEK FID-N1-550-43X变频器使用说明书:[2]
阅读量:156
使用说明书封面怎么做
阅读量:164
使用说明书wf2651使用指南
阅读量:152
猜你喜欢
8月1日是什么节日
乱码怎么办
产后如何去妊娠纹
陆川生活网
腋下长了一个小疙瘩是什么东西
工资收入证明怎么写
大山里的欲生活
如何变得有气质
毛肚是什么动物身上的
邮箱地址是什么
猜你喜欢
后羿怎么玩厉害
向往的生活第三季
关于生活的作文
云闪付是什么
如何进行市场细分
专科如何升本科
皮衣怎么搭配好看
怎么注册网站域名
如何做好招聘工作
壁虎在家里是什么征兆